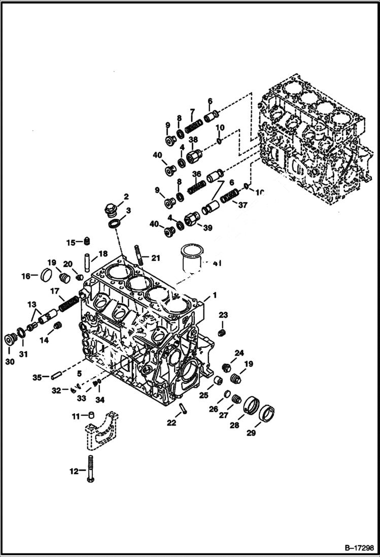
Запчасти Bobcat A-Series CRANKCASE POWER UNIT

Схема запчастей Bobcat A-Series - CRANKCASE POWER UNIT
FIT
1:1
100%

Артикул

Название

Примечание

Количество

1

BLOCK See Illustration ENGINE & GASKET KITS/ B16399 NLA - ORDER COMPLETE ENGINE

2

6666690

PLUG

3

6666393

SEAL RING

4

6668887

O-RING

5

6666394

SEAL RING

6

6666510

VALVE

7

6668941

SPRING Yellow - .047'' (1.2mm) dia. wire 3.15'' (80mm) long

8

6666395

SEAL RING

9

6666387

PLUG

10

O-RING NSS

11

6666722

DOWEL

12

6666719

BOLT

13

6668945

THERMOSTAT engine oil temp. - rated @ 199.4 degrees F (93 degrees C)

14

6666703

PLUG

15

6666702

PLUG

16

6666716

PLUG soft

17

6668941

SPRING

18

6666741

TUBE

19

6672873

PLUG

20

6672874

PLUG

21

6688194

STUD Was 6666709 - A

22

6666746

NOZZLE piston cooling

23

6672872

PLUG

24

6666751

PLUG

25

6666718

SLEEVE guide

26

6666697

PLUG soft

27

6672878

PLUG

28

6666738

BEARING wrapped bushing

29

6666737

BEARING wrapped bushing

30

6668946

PLUG Was 6672877 - A

31

6666395

SEAL RING

32

6666689

PLUG

33

6666690

PLUG

34

6666699

WASHER

35

6668905

PIN

36

6668903

SPRING Red - .055'' (1,4mm) dia. wire 3.07 (78mm) long

37

6668902

SPRING Blue - .039'' (1,0mm) dia. wire 2.44'' (62mm) long

38

6668900

ADAPTER W/Ref. 10

39

6668901

ADAPTER W/Ref. 10

40

6666400

PLUG Was 6668889 - A

41

6672879

LINER See BTI341 - cylinder

Выбрано товаров: 41