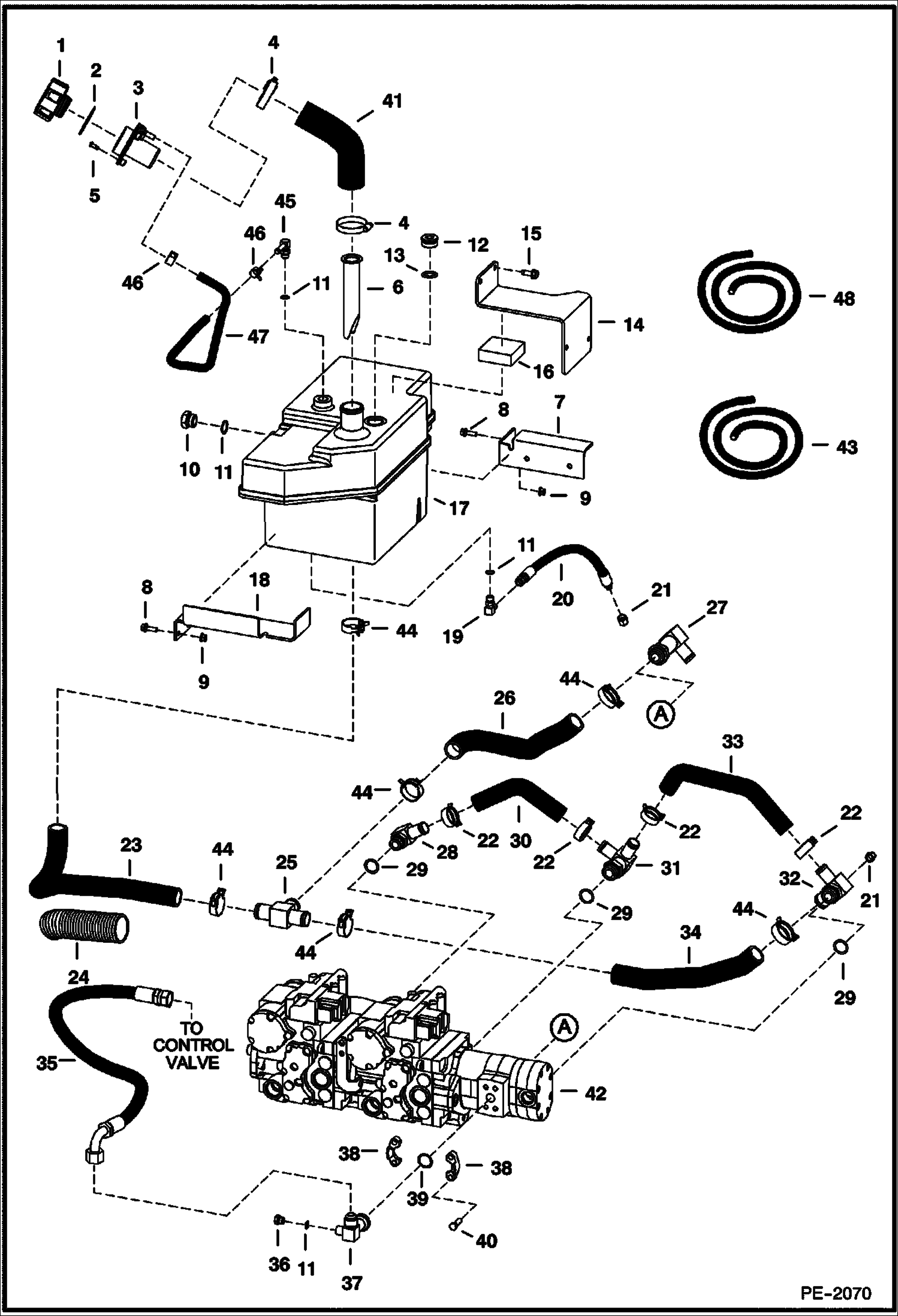
Запчасти Bobcat A-Series HYDROSTATIC CIRCUITRY (W/Tank) (S/N 523411001, 523511001 & Above) (S/N 526411001-11999, 526511001-11999) HYDROSTATIC SYSTEM

Схема запчастей Bobcat A-Series - HYDROSTATIC CIRCUITRY (W/Tank) (S/N 523411001, 523511001 & Above) (S/N 526411001-11999, 526511001-11999) HYDROSTATIC SYSTEM
FIT
1:1
100%

Артикул

Название

Примечание

Количество

1

6727475

CAP, OIL HYD breather & fill - also Order Ref. 2

2

6700631

GASKET

3

6727354

INLET

4

42HL250

CLAMP

5

6706517

SCREW self tapping

6

7120881

SCREEN, FILLER Was 6569219 - A

7

6718851

BRACKET front

8

35C516

BOLT 10

9

83D5

NUT 5

10

6665915

GAUGE sight - W/Ref. 11

10

6734563

WASHER KIT

10

6734561

WASHER

10

25K30118

O RING 10

11

79K6

O RING 10

12

47K10

PLUG W/Ref. 13

13

79K16

O RING 10

14

6718726

MOUNT BPV

15

84G3716

SCREW 5

16

6578278

PAD

17

6731209

TANK hydraulic oil

18

6718850

BRACKET rear

19

17KB0606

FITTING W/Ref. 11

20

7106212

HOSE Was 6537040 - A

21

36K5

CAP

22

5HM35

HOSECLAMP

23

6732502

HOSE

24

SHIELD NLA - 10'' (254mm) long - Order Ref. 43

25

6727064

TEE

26

6727426

HOSE

27

6731181

TEE

28

6727182

ELBOW W/Ref. 29

29

75K16

O RING 10

30

6729478

HOSE

31

6726992

TEE W/Ref. 29

32

6733809

TEE W/Ref. 29

33

6729477

HOSE

34

6729476

HOSE

35

6736649

HOSE, HYD ASSY 33.50'' (850.9 mm) long

36

24K5

PLUG W/Ref. 11

37

7103952

TEE 4-bolt flange - Was 6734048 - A

38

19J12

CLAMP

39

55K214

O-RING

40

17C620

BOLT

41

6731638

HOSE

42

PUMP See Illustration HYDROSTATIC PUMP/ B26304

43

6705749

SHIELD bulk - sold per foot

44

5HM42

HOSECLAMP

45

6727313

ELBOW W/Ref. 11

46

5HM15

CLAMP

47

HOSE NLA - 23'' (584mm) long - Order Ref. 48

48

6586251

HOSE bulk - sold per foot

Выбрано товаров: 51