Запчасти Bobcat A-Series HEATER & A/C (Heater Assembly) (Metal Housing) ACCESSORIES & OPTIONS

Схема запчастей Bobcat A-Series - HEATER & A/C (Heater Assembly) (Metal Housing) ACCESSORIES & OPTIONS
FIT
1:1
100%

Артикул

Название

Примечание

Количество

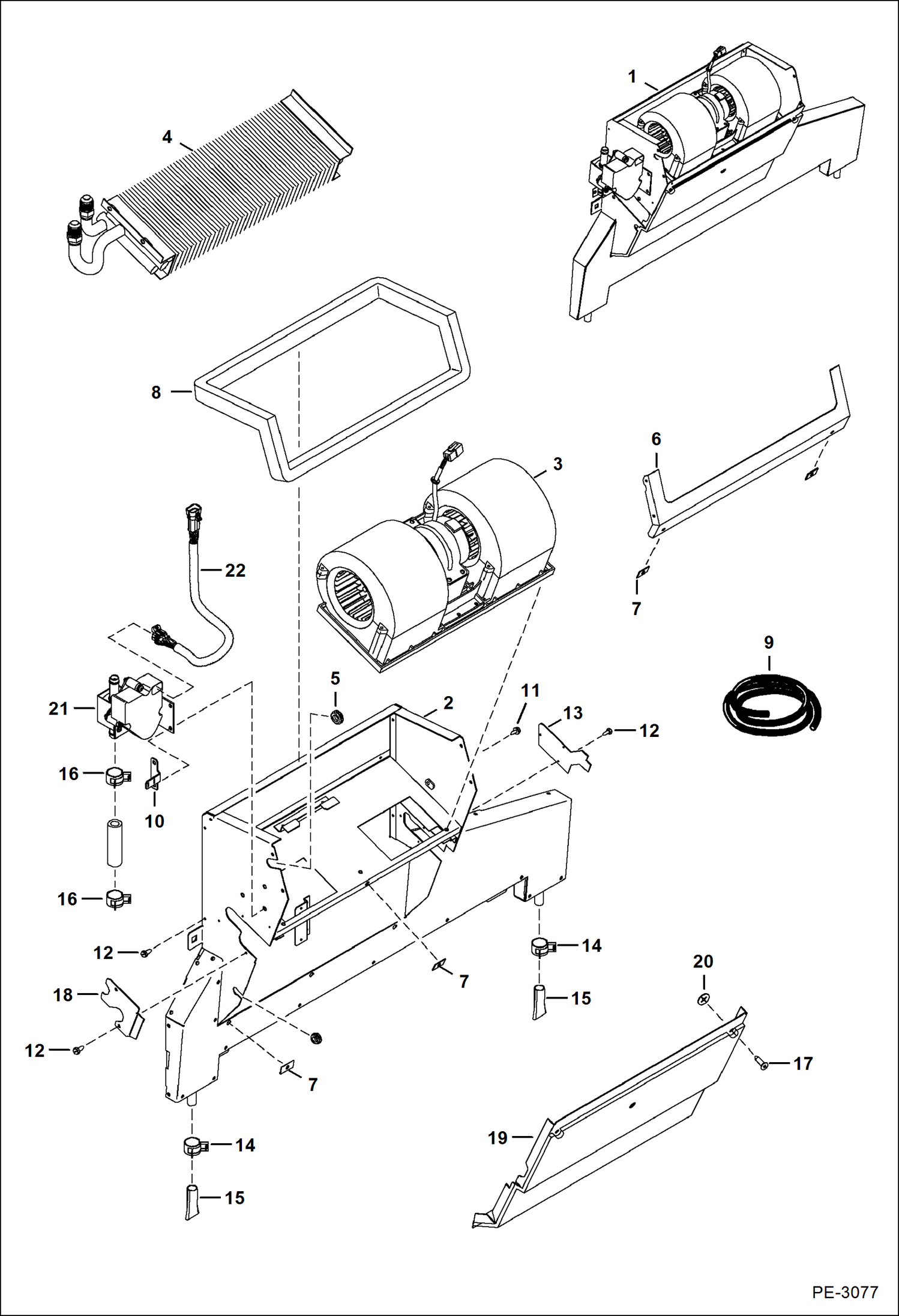
1

6688543

HEATER Ref. 2-22

2

6690478

HOUSING

3

BLOWER See Illustration HEATER & A/C/ B26156 - NLA - assy - Was 6689762 - A

4

COIL See Illustration HEATER & A/C/ PE1228 NLA - Order 6689770 Heater Coil kit

5

6690482

GROMMET

6

6678152

SEAL FLANGE

7

6677115

RECEPTACLE

8

SEAL NLA - 48.75''(1238,25mm) long - Order Ref. 9

9

6677111

SEAL bulk - sold per foot

10

6690481

BRACKET harness

11

6677119

SCREW sheetmetal

12

6691532

SCREW Was 6677118 - A

13

6690487

COVER

14

6675510

CLAMP drain hose

15

6675511

DRAIN VALVE

16

6675512

CLAMP hose

17

6677117

SCREW captive

18

6690479

COVER

19

6690476

COVER

20

6677116

RETAINER

21

6689696

VALVE, HEATER CAB

22

6698501

HARNESS, HEATER

Выбрано товаров: 22