Запчасти Bobcat A-Series DRIVE TRAIN DRIVE TRAIN

Схема запчастей Bobcat A-Series - DRIVE TRAIN DRIVE TRAIN
FIT
1:1
100%

Артикул

Название

Примечание

Количество

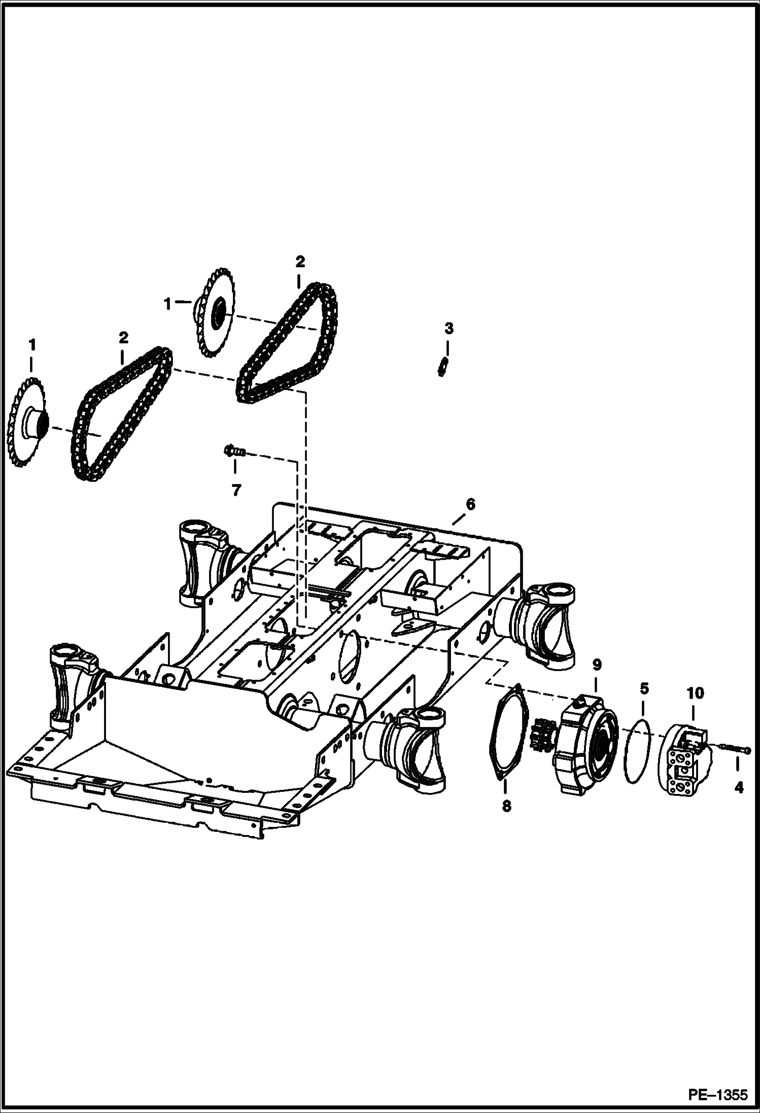
1

6729620

SPROCKET

2

6675328

CHAIN endless - Diamond - 58 pitches - oval shape

2

6688574

CHAIN, ENDLESS endless - Tsubaki - 58 pitches - hourglass shape

2

6736758

CHAIN Diamond - 58 pitches - oval shape - W/ 6675333 link

2

6736758

CHAIN Tsubaki - 58 pitches - hourglass shape - W/6691090 link - Was 6691079 - A

3

6675333

LINK connector - Diamond - oval shape

3

6691090

CONNECTOR connector - Tsubaki - hourglass shape

4

6717806

BOLT

5

25K30816

O-RING Was 25K30812 - B,D

6

6726968

CHAINCASE

7

6678971

BOLT

8

GASKET NLA - Order 6685372 - Was 6704879 - A

8

6685372

SEALANT, GASKET LIQUID 10.1 OZ tube - 0.57 kg (20 oz)

9

6729719

MOUNT ASSY. See Illustration MOTOR CARRIER/ PE1395 Drive motor

10

MOTOR See Illustration HYDROSTATIC MOTOR & BRAKE/ B16657 See Illustration HYDROSTATIC MOTOR/ C3374

Выбрано товаров: 15