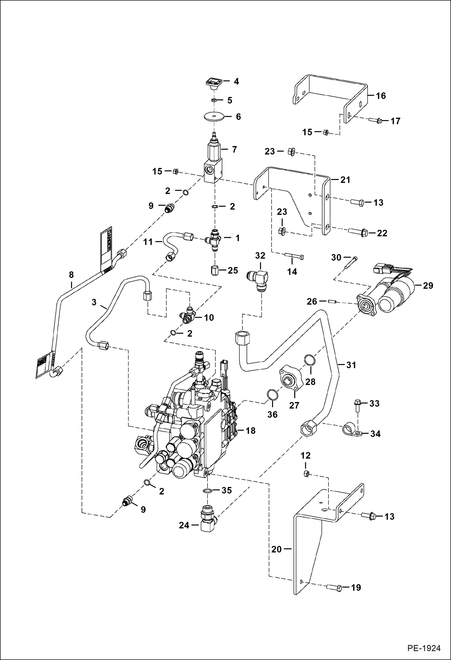
Запчасти Bobcat A-Series LIFT & TILT CONTROL CIRCUITRY HYDRAULIC SYSTEM

Схема запчастей Bobcat A-Series - LIFT & TILT CONTROL CIRCUITRY HYDRAULIC SYSTEM
FIT
1:1
100%

Артикул

Название

Примечание

Количество

1

TEE NLA - W/Ref. 2 - tapered boss face - Order 21KB00606B - Was 21KV00005B - A

1

97K8

O-RING flared end

1

21KB0606

FTG HYD STRAIGHT TEE W/Ref. 2 - flat boss face

1

6725182

TEE W/Ref. 2 - flat boss face

2

99K6

O RING tapered boss face

2

79K6

O RING 10 flat boss face

3

6732458

TUBELINE

4

6737524

KNOB red square - Was 6668913 - A

5

7D4

NUT

6

6707101

SEAL neoprene

7

7230495

VALVE, LIFT MANUAL See Illustration MANUAL LIFT RELEASE VALVE/ PE1547 - manual lift release - Was 6667844 - A

8

6732455

TUBELINE W/ decals

8

6809511

DECAL, DANGER

9

ADAPTER NLA - W/Ref. 2 - tapered boss face - Order 15KB00606B - Was 15KV00005B - A

9

97K6

O RING flared end

9

15KB0606

FITTING, HYD CONNECTOR W/Ref. 2 - flat boss face

10

6718031

TEE W/Ref. 2 - flat boss face

11

TUBELINE NLA - Order 7109647 - Was 6732464 - A

11

7109647

HOSE

12

85D6

NUT, 5

13

35C616

BOLT 5

13

35C616

BOLT 5

14

17C428

BOLT

15

83D4

NUT 10

16

6719936

BRACKET

17

35C416

BOLT

18

VALVE See Illustration HYDRAULIC CONTROL VALVE/ MS1623 CONTROL

19

17C620

BOLT Was 6717378 - A

20

6735728

MOUNT Was 6727751 - A

21

6718881

BRACKET

22

17C624

BOLT 5

23

83D6

NUT 5

24

6812141

ELBOW W/Ref. 35

25

36K5

CAP

26

7108236

PIN Was 6718506 - A

27

6725128

ADAPTER actuator - W/O-ring groove - Use W/Ref. 29 (NLA/ 6678775 actuator)

27

7101705

ADAPTER, ACTUATOR W/O O-ring groove - Use W/Ref. 29 (NLA/ 7103129 actuator & 7101672 actuator)

28

58K120

O-RING Use W/Ref. 29 (NLA/ 6678775 actuator & 7101672 actuator)

28

6686220

O-RING Use W//Ref. 29 (NLA/ 7103129 actuator)

29

ACTUATOR NLA - Use W/Ref. 28 (58K120 O-ring) & Ref. 27 (6725128 adapter) - Order 7101672 actuator & Ref. 27 (7101705 adapter) - Was 6678775 - A

29

7101672

ACTUATOR W/Ref. 28 (58K120 O-ring) - Use W/Ref. 27 (7101705 adapter)

29

ACTUATOR NLA - W/Ref. 28 (6686220 O-ring) - Use W/Ref. 27 (7101705 adapter) - Was 7103129 - A

30

69G436

BOLT

31

6735295

TUBELINE

32

77F8

ELBOW

33

84G3716

SCREW 5

34

30H46

CLIP

35

79K12

O RING 10

36

1K127

O-RING 10

Выбрано товаров: 49