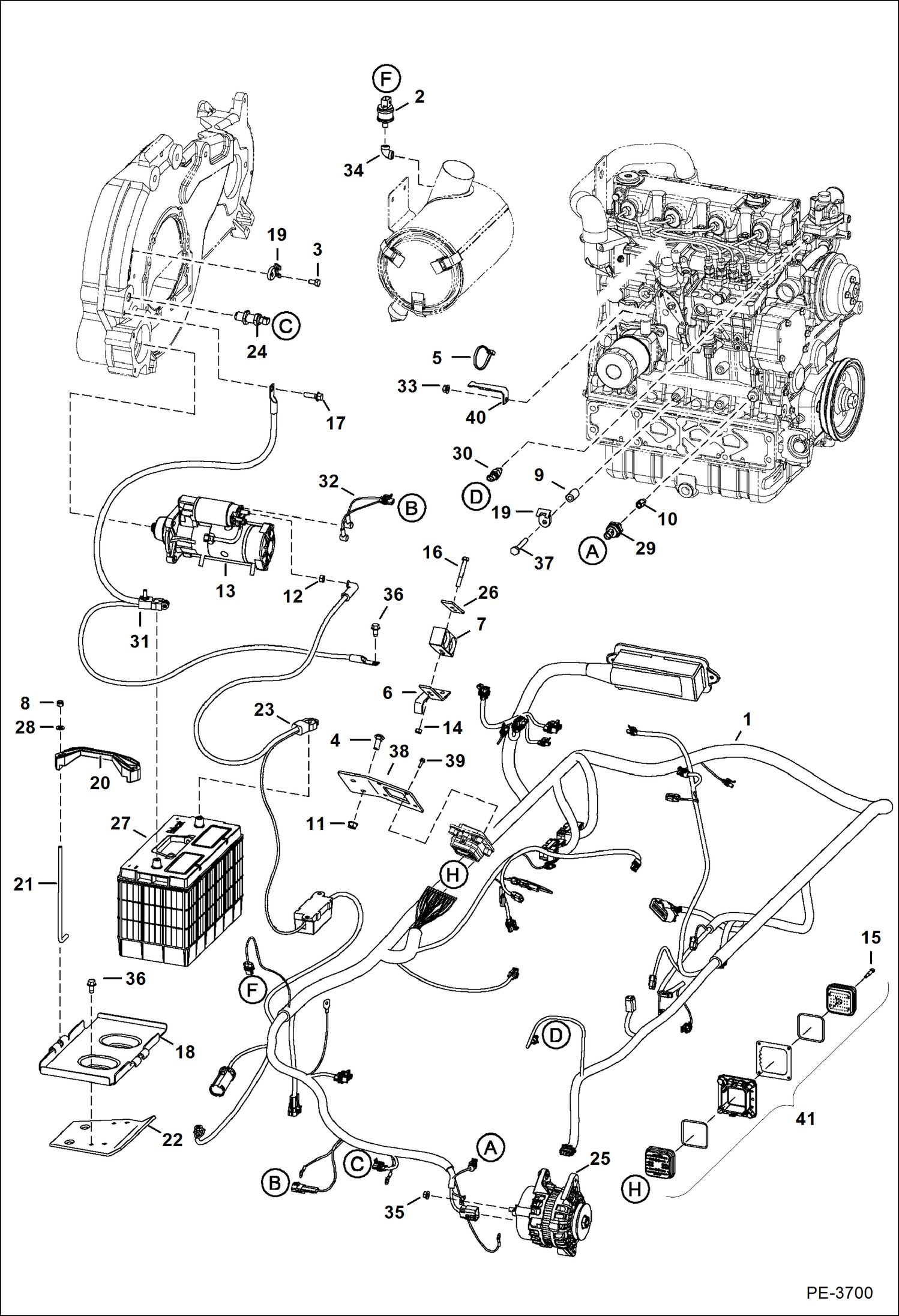
Запчасти Bobcat A-Series ENGINE ELECTRICAL CIRCUITRY (Engine) ELECTRICAL SYSTEM

Схема запчастей Bobcat A-Series - ENGINE ELECTRICAL CIRCUITRY (Engine) ELECTRICAL SYSTEM
FIT
1:1
100%

Артикул

Название

Примечание

Количество

1

7123800

HARNESS LF MFR main frame

1

7159444

HARNESS main frame

1

7169388

HARNESS loader

2

6665371

SWITCH condition indicator

3

17C610

BOLT

4

37C620

BOLT Was 37C616 - B

5

6624289

STRAP, TIE

6

6715131

BRACKET

7

6715197

CLAMP

8

59D5

NUT 5

9

7101893

SPACER

10

7102451

FITTING

11

97D6

NUT 10

12

4DM10

NUT starter

13

STARTER

14

95D5

NUT

15

BOLT NSS - Order Ref. 45

16

17C540

BOLT

17

35C612

BOLT negative cable ground

18

6712536

PAN battery

19

6679034

MOUNT

20

6569203

CLAMP battery

21

6576280

BOLT battery hold down

22

7130536

BRACKET, BATTERY

23

6719141

CABLE POSITIVE

24

6684037

SENSOR rpm

24

6693921

SENSOR, RPM rpm

25

ALTERNATOR

26

6715132

RETAINER

27

6665427

BATTERY, DRY 950 AMP

28

25E15

WASHER

29

6674315

SENSOR eng oil pressure

29

6697920

SENSOR, PRESS OIL ENG

30

6718414

SENDER, TEMP ENG

31

6727803

CABLE negative

32

6733370

HARNESS

33

51DM8

NUT

34

24F1

ELBOW elbow

35

43DM8

NUT

36

84G3712

BOLT 5

37

7110310

SCREW

38

7112760

BRACKET

39

6688980

BOLT

40

7120084

BRACKET

41

CONNECTOR ASSEMBLY See Illustration CONNECTOR HARNESS ASSEMBLY/ PE3684 - NSS - engine & cab - Order components

Выбрано товаров: 45