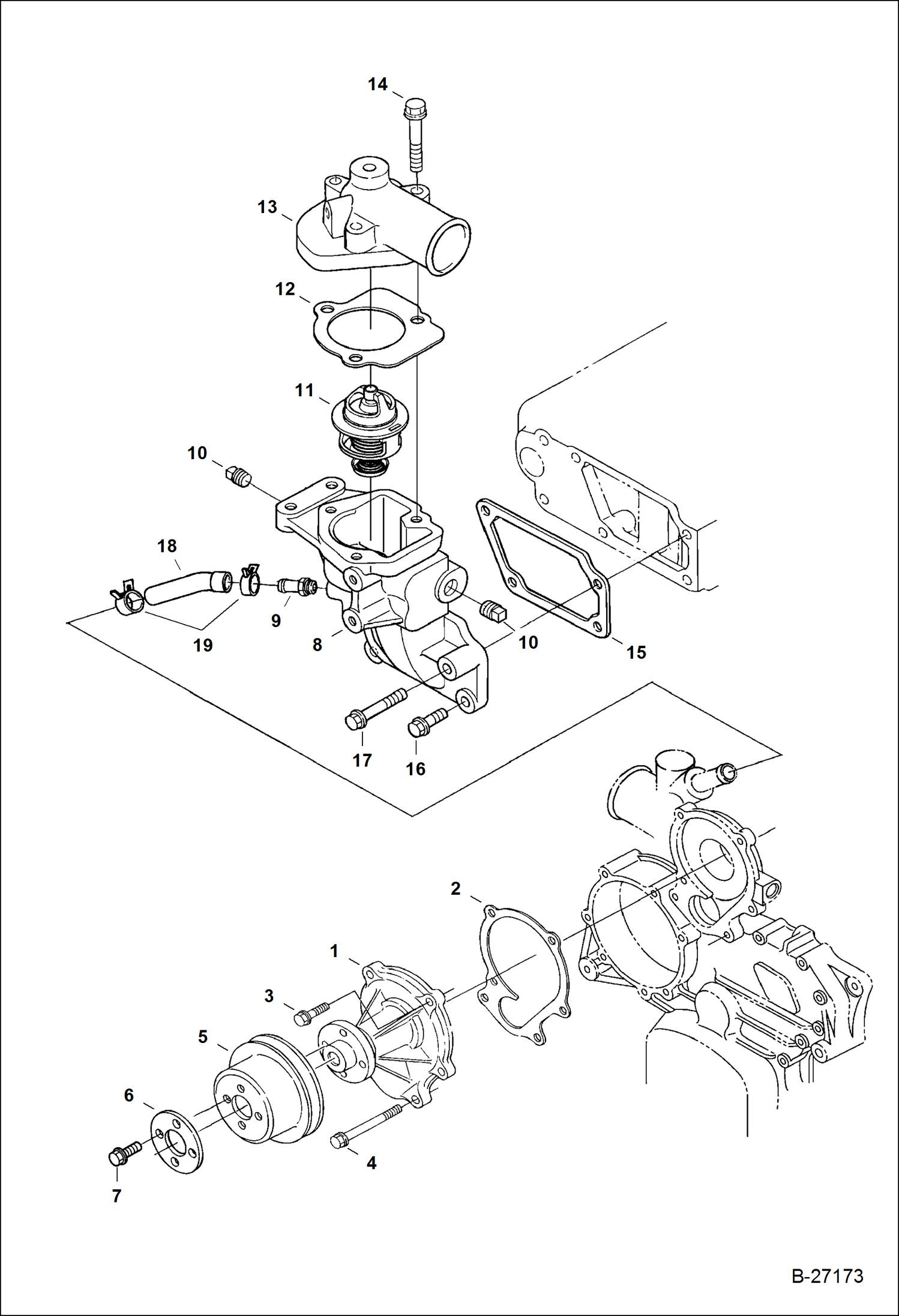
Запчасти Bobcat A-Series WATER PUMP & THERMOSTAT POWER UNIT

Схема запчастей Bobcat A-Series - WATER PUMP & THERMOSTAT POWER UNIT
FIT
1:1
100%

Артикул

Название

Примечание

Количество

1

6680852

PUMP

2

6680853

GASKET

3

6680706

BOLT

4

6680856

BOLT

5

6680857

PULLEY

6

6680858

WASHER

7

6680662

BOLT

8

6698605

FLANGE, WATER W/Ref. 9 & 10 - Was 6685956 - A

8

7022347

FLANGE, WATER W/Ref. 9 & 10

9

6680646

ADAPTER

9

6680689

ADAPTER

10

6684857

PLUG

11

6680850

THERMOSTAT

12

6685955

GASKET thermostat cover

13

6685954

COVER thermostat

14

6680851

BOLT

15

6680849

GASKET

16

6680755

BOLT

17

6680851

BOLT

18

6680842

HOSE

18

7022348

HOSE, WATER FORMED

19

6675618

CLAMP

Выбрано товаров: 22