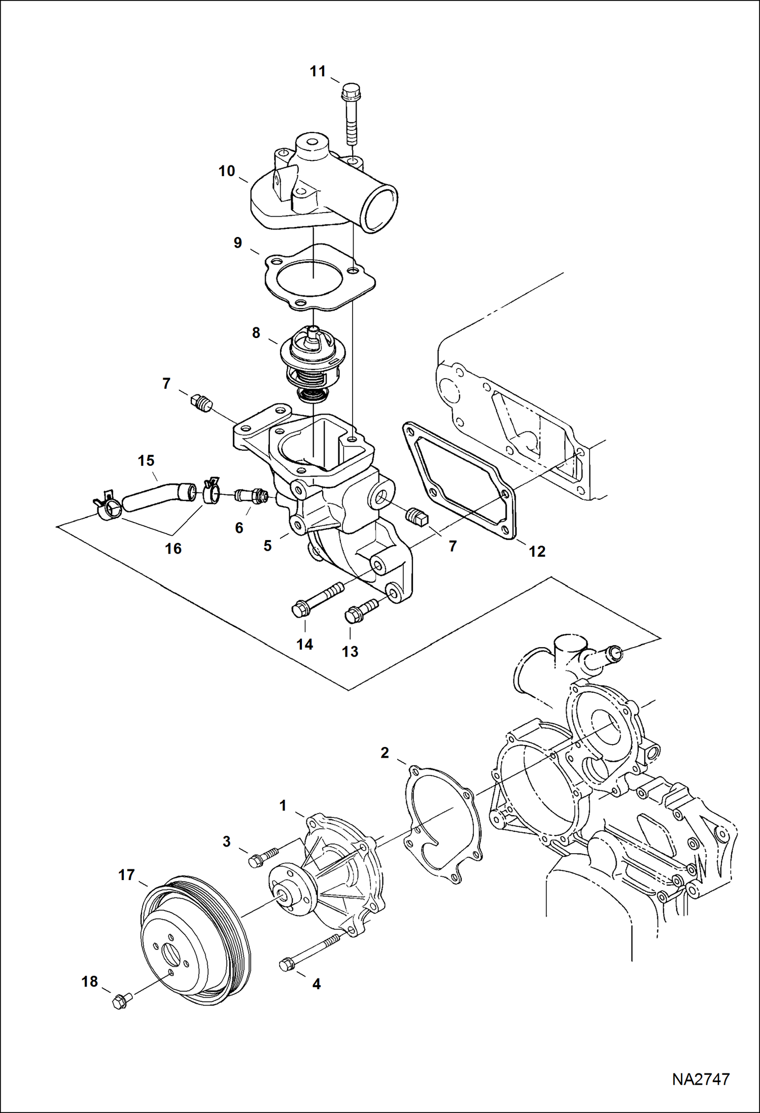
Запчасти Bobcat A-Series WATER PUMP & THERMOSTAT POWER UNIT

Схема запчастей Bobcat A-Series - WATER PUMP & THERMOSTAT POWER UNIT
FIT
1:1
100%

Артикул

Название

Примечание

Количество

1

6680852

PUMP

2

6680853

GASKET

3

6680706

BOLT

4

6680856

BOLT

5

7008573

FLANGE, WATER W/Ref. 6 & 7

5

7022347

FLANGE, WATER W/Ref. 6 & 7

6

6680646

ADAPTER

6

6680689

ADAPTER

7

6684857

PLUG

8

6680850

THERMOSTAT

9

6685955

GASKET thermostat cover

10

6685954

COVER thermostat

11

6680851

BOLT

12

6680849

GASKET

13

6680755

BOLT

14

6680851

BOLT

15

6680842

HOSE

15

7022348

HOSE, WATER FORMED

16

6675618

CLAMP

17

7135539

PULLEY

18

59CM816

BOLT

Выбрано товаров: 21