Качественные детали и логистика
Оригинальные и аналоговые запчасти с доставкой по России, Казахстану и Беларуси
©2022 PartSell ООО "Система" ИНН 2463123282 ОГРН 1212400004838
Центральный офис: г. Красноярск, Академика Киренского, д.87, пом.4
Телефон: 8 (800) 777-65-74 Email: zakaz@partsell.ru
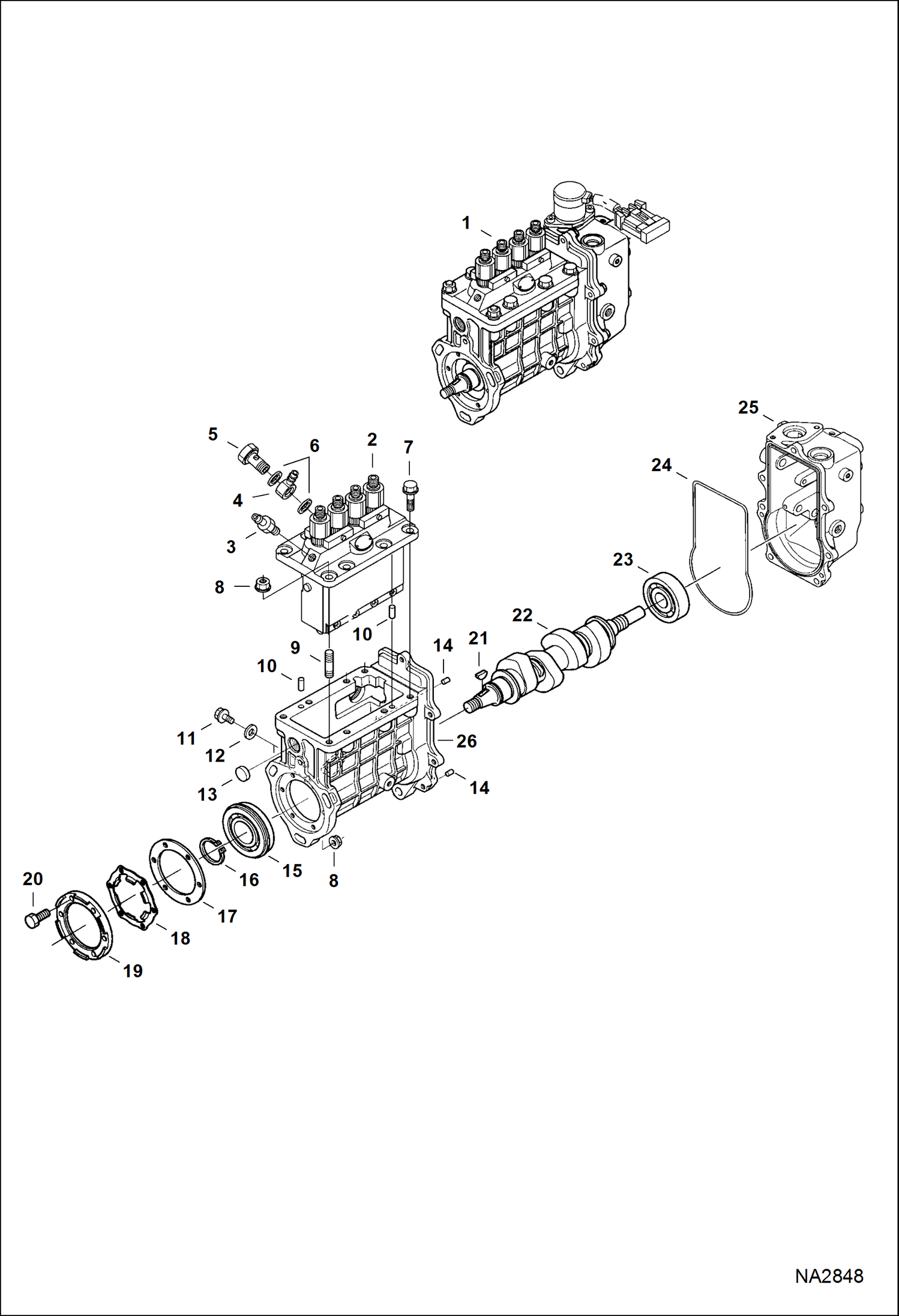
FUEL INJECTION PUMP
№
Артикул
Название
Примечание
Количество
1
7017209
PUMP, FUEL INJ UNIT
2
6698538
PUMP, FUEL INJ
3
6680756
SCREW
4
6655515
JOINT
5
6680752
BOLT
6
6698120
GASKET
7
6680755
8
6969819
NUT, FLANGE
9
6598156
STUD
10
3974394
PIN
11
6680662
12
3974095
MET-GASK
13
6680808
PLUG
14
6680809
15
6698532
BEARING, BALL
16
6698519
CIRCLIP
17
6698531
SPACER, PUMP INJ
18
7020953
RETAINER
19
7020954
20
1CM620
BOLT Was 4CM620 - A
21
6680813
KEY
22
6698529
CAMSHAFT, FUEL
23
7010145
BEARING
24
6680829
25
GOVERNOR See Illustration GOVERNOR/ B27176
26
6698537
HOUSING, PUMP INJ
Выбрано товаров: 0