Запчасти Bobcat A-Series BUCKET POSITION VALVE ACCESSORIES & OPTIONS

Схема запчастей Bobcat A-Series - BUCKET POSITION VALVE ACCESSORIES & OPTIONS
FIT
1:1
100%

Артикул

Название

Примечание

Количество

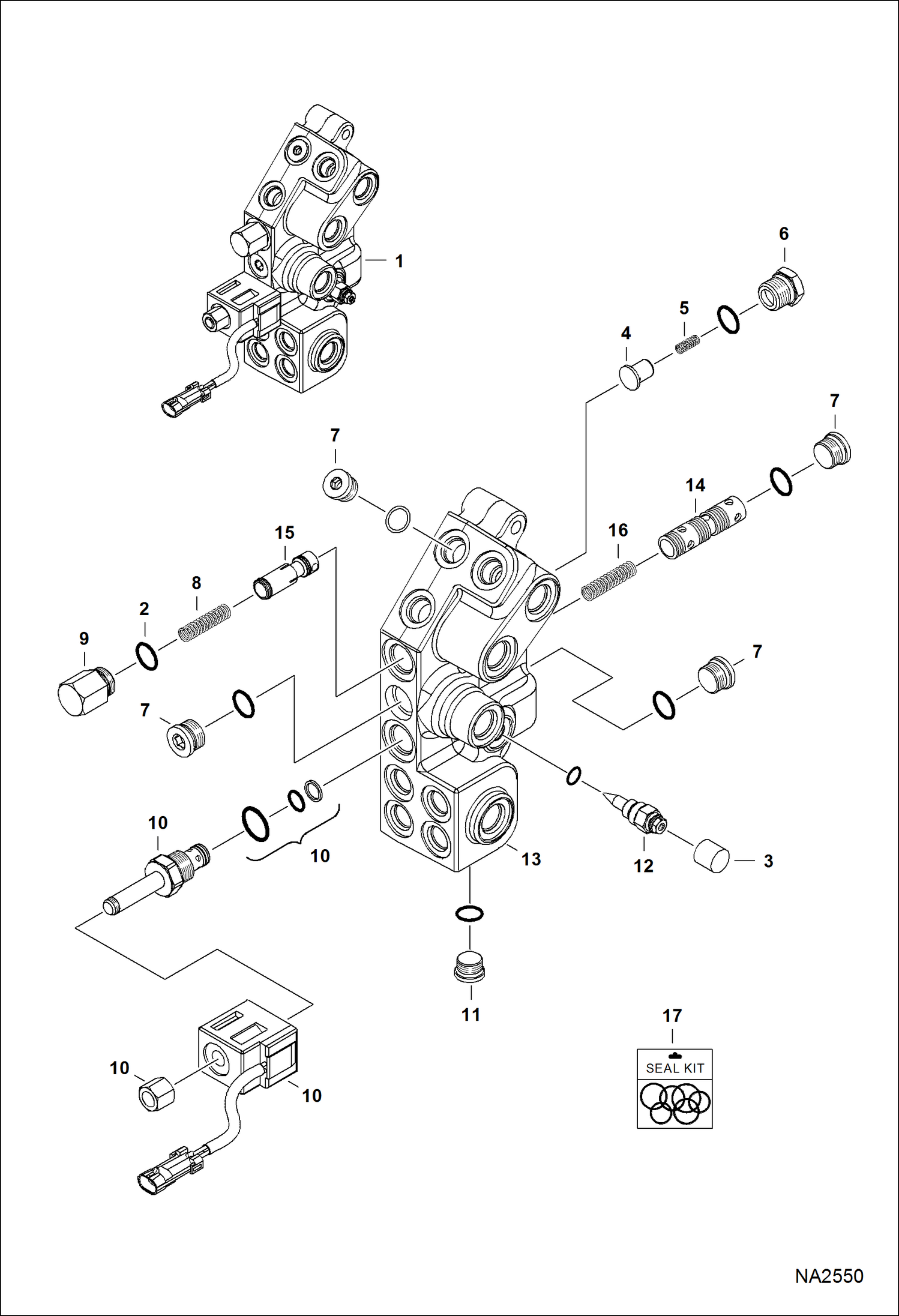
1

7011060

VALVE, BPV Ref. 2-16

2

6667680

SNAP RING

3

6667676

COVER

4

6647783

LOAD CHECK

5

6647785

SPRING

6

6647784

PLUG

6

79K10

O RING 10

7

6676543

PLUG

8

6648294

SPRING

9

6667176

PLUG

10

6672863

VALVE, SOLENOID

10

6671527

NUT

10

6670634

SEAL KIT

10

6675781

COIL

10

6675780

CARTRIDGE

11

7013201

PLUG

12

7010283

VALVE, REGULATOR

13

BLOCK NSS - Order Ref. 1

14

SPOOL NSS - Order Ref. 1

15

SPOOL NSS - Order Ref. 1

16

6660775

SPRING

17

7013203

KIT, SEAL

Выбрано товаров: 22