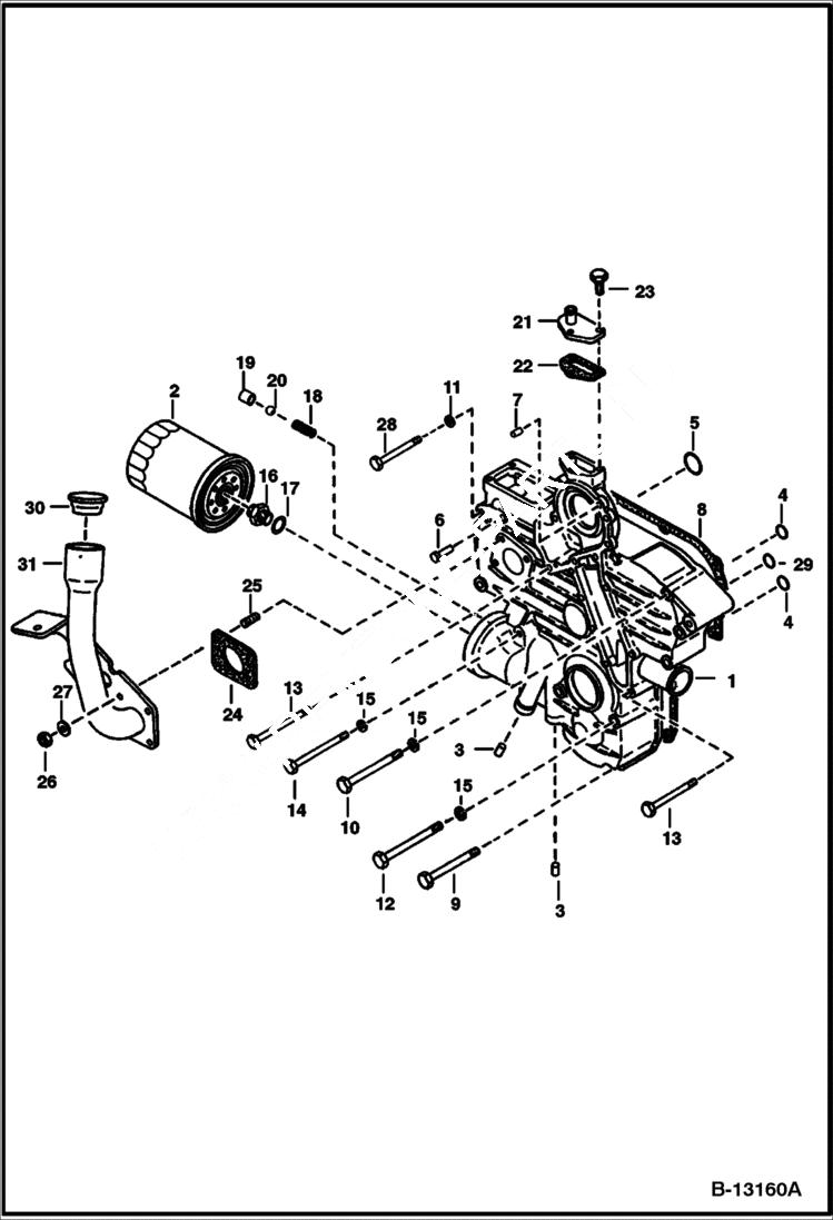
Запчасти Bobcat Articulated Loaders GEARCASE (Kubota - V1903 2EB - Tier II Replacement) REPLACEMENT ENGINE

Схема запчастей Bobcat Articulated Loaders - GEARCASE (Kubota - V1903 2EB - Tier II Replacement) REPLACEMENT ENGINE
FIT
1:1
100%

Артикул

Название

Примечание

Количество

1

CASE ASSY. NLA - W/Ref. 3-7 & 29 - Order 6688640 & Ref. 4-7 & 29 - Was 6674164 - A

1

6688640

GEAR HOUSING W/Ref. 3

2

6675517

FILTER, OIL ENG 12

3

6667425

PLUG pin

4

6685466

O-RING

5

6685468

O-RING

6

6652592

PIN start spring

7

3974395

PIN straight

8

6666800

GASKET gearcase

9

3974888

BOLT

9

7001903

BOLT flange

10

1CM870

BOLT

10

6692375

BOLT flange

11

1EM80

WASHER Was 2EM8 - A

12

1CM880

BOLT

12

7001904

BOLT flange

13

6653808

BOLT

13

6692377

BOLT flange

14

1CM895

BOLT

14

7001905

BOLT flange

15

6667422

WASHER

16

6653809

CONNECTOR

17

6685501

WASHER

18

6652652

SPRING

19

3974893

SEAT valve

20

10J13

BALL

21

3974894

FLANGE water return

22

6666803

GASKET water return flange - Was 6684774 - A

23

1CM620

BOLT Was 4CM620 - A

24

6714543

GASKET

25

6652764

STUD

26

1DM6

NUT

27

6EM60

WASHER, SPRING spring

28

6653807

BOLT

28

6680686

BOLT flange

29

6686981

O-RING

30

6703736

CAP

31

6719048

MOUNT

Выбрано товаров: 38