Запчасти Bobcat Articulated Loaders SEAT & STEERING CONTROL MAIN FRAME

Схема запчастей Bobcat Articulated Loaders - SEAT & STEERING CONTROL MAIN FRAME
FIT
1:1
100%

Артикул

Название

Примечание

Количество

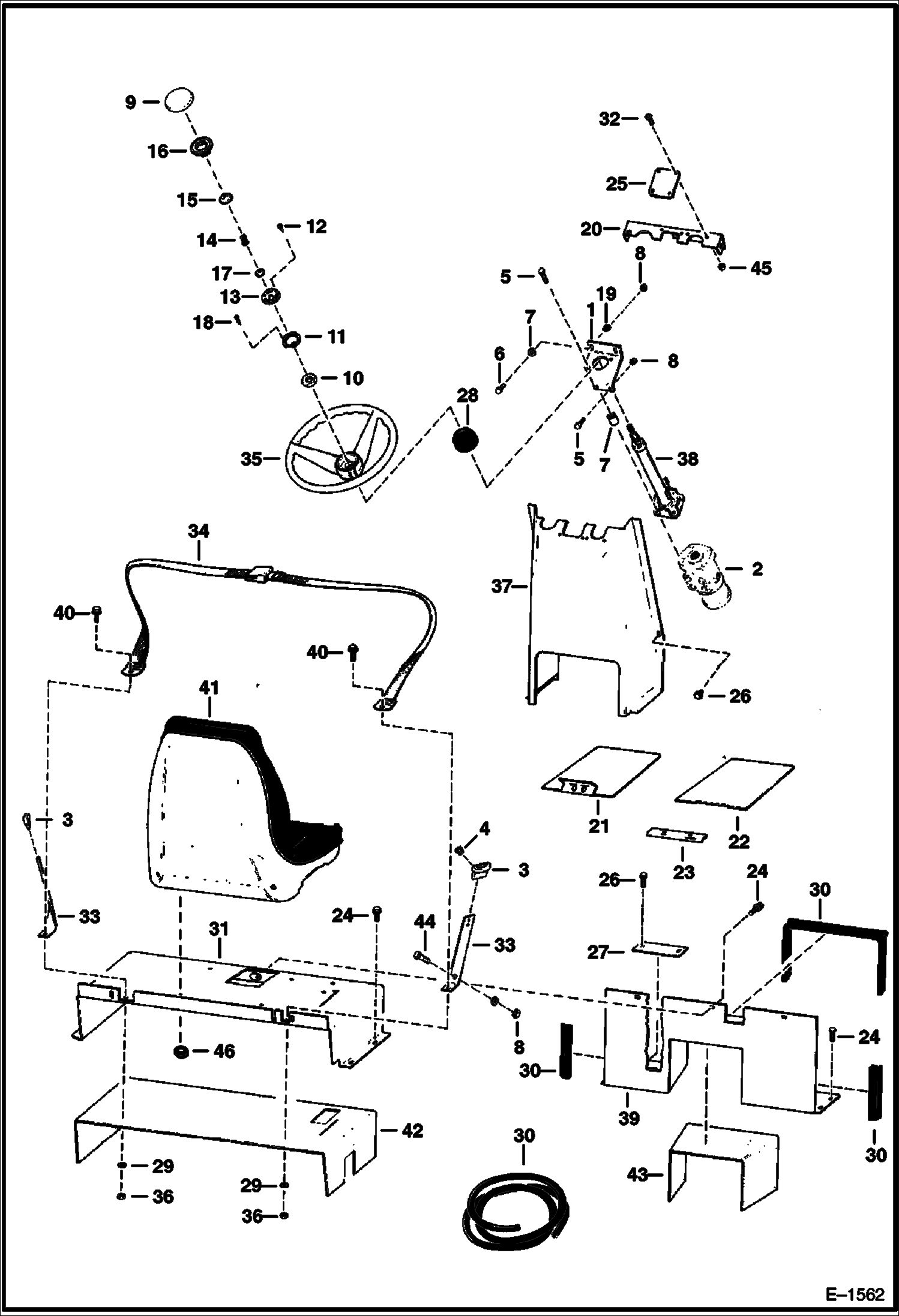
1

6585168

MOUNT steering

2

6599737

VALVE See Illustration STEERING CONTROL VALVE/ C2692 STEERING CONTROL

3

GUIDE NLA - Order 6703703 - Was 6565355

4

6630207

RIVET 5 Was 1662965 - A

5

17C616

BOLT 5

6

35C620

BOLT 5 Was 17C000620B - B

7

6620724

SPACER

8

6599336

NUT Was 85D000006B - B

9

1692980

COVER horn

10

664880

NUT

11

1692979

INSULATIN horn

12

18G1008

SCREW

13

664883

PLATE retainer

14

728968

SPRING horn

15

CAP NLA - contact - Was 728966B - A

16

664882

CAP horn

17

CAP NLA - contact - Was 728967B - A

18

18G1010

SCREW

19

6599900

BUSHING rubber

20

6585400

BRACKET

20

6530656

BRACKET

21

6585579

FLOOR MAT R.H.

21

FLOOR MAT NLA - L.H. - Order 6585401 & 6585586 - Was 6585580 - A

22

6585401

FLOOR MAT L.H.

22

6585402

FLOOR MAT R.H.

23

BRACKET NLA - Was 6585560 - A

24

35C508

BOLT Was 17C000508B - B

25

6585444

PLATE

26

35C510

BOLT Was 17C000510B - B

27

6585450

COVER

28

BOOT NLA - Was 6585403 - A

29

25E21

WASHER 5

30

6646705

SEAL bulk - sold per foot

31

6585192

SEAT MOUNT W/Ref. 42

31

6530663

SEAT MOUNT W/Ref. 42

32

24G1012

BOLT Was 46G001012B - B

33

GUIDE ASSY. NLA - R.H. - Order 6584583

33

GUIDE ASSY. NLA - L.H. - Order 6584583

33

6584583

GUIDE ASSY. Bolt to Seat

34

SEAT BELT NLA - Order 6675074 seat belt & (2) of 6725373 spring plate - Was 6563214 - A

35

STR WHEEL NLA - steering - Was 1790800 - A

36

83D8

NUT 5 Was 85D000008B - B

37

COVER NLA - Was 6585307 - A

38

6630178

COLUMN steering

39

6585195

COVER floor - W/Ref. 43

40

35C816

BOLT Was 17C000816B - B

41

SEAT See Illustration SEAT/ B14720 See Illustration SEAT/ B7185

42

6585194

FOAM

42

FOAM Was 6530662 - A

43

6585196

FOAM

44

17C610

BOLT

45

6630140

NUT

46

83D5

NUT 5

Выбрано товаров: 53