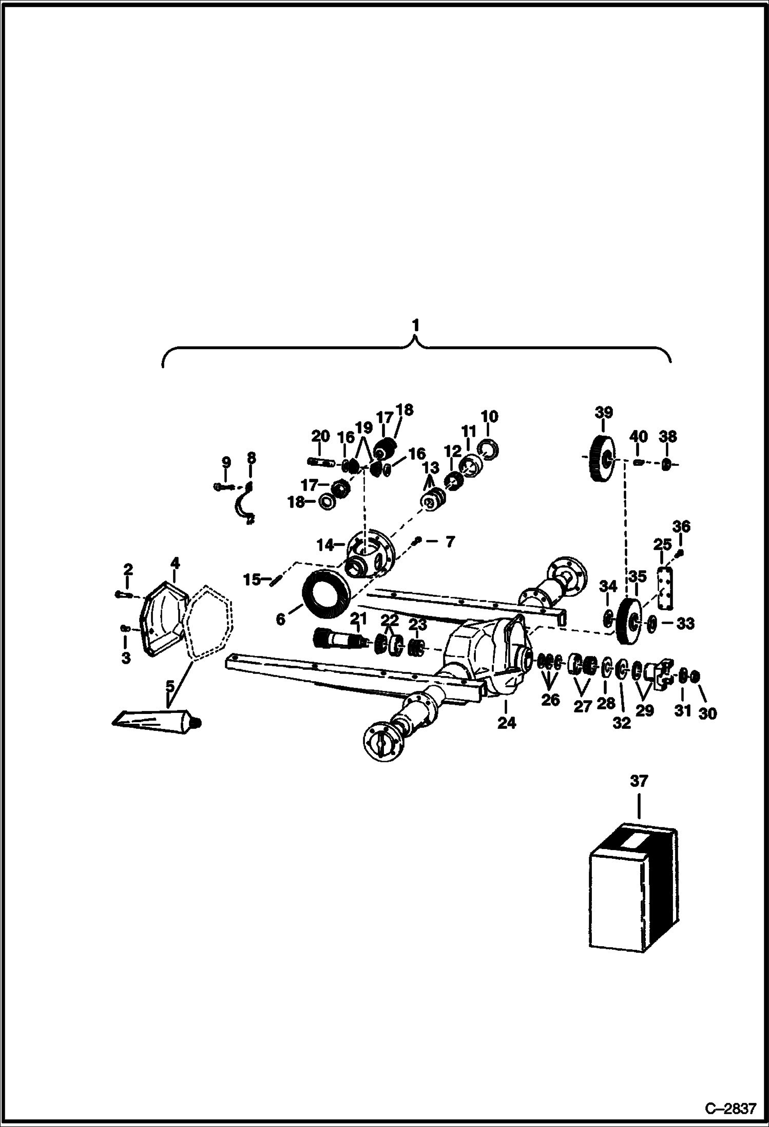
Запчасти Bobcat Articulated Loaders REAR DIFFERENTIAL DRIVE TRAIN

Схема запчастей Bobcat Articulated Loaders - REAR DIFFERENTIAL DRIVE TRAIN
FIT
1:1
100%

Артикул

Название

Примечание

Количество

1

DIFFERENTIAL NLA - Was 6585156 - A

1

DIFFERENTIAL NLA - Was 6529283 - A

2

6598449

BOLT

3

PLUG NLA - Was 6598452 - A

4

KIT NLA - W/Ref. 2 & 3 - Was 6598772 - A

5

SEALANT NLA - Purchase Locally

6

DRIVE GEAR NSS

7

6598453

BOLT

8

CAP NSS

9

6598849

BOLT

10

SPACER NSS

11

742240

CUP

12

675546

CONE

13

SHIM NSS

14

CASE NSS

15

6598852

SHAFT

16

WASHER NSS - thrust

17

GEAR NSS

18

WASHER NSS - thrust

19

GEAR NSS

20

SHAFT NSS

21

PINION NSS

22

6598773

BEARING

23

SHIM NSS

24

HOUSING NLA - Was 6598765 - A

24

6646430

HOUSING

25

COVER NLA - Was 6598459 - A

26

SHIM NSS

27

6598774

BEARING

28

6598454

SLINGER

29

6598766

YOKE

30

6598445

NUT

31

6598455

WASHER

32

6598448

SEAL

33

6598456

SPACER

34

SPACER NLA - Was 6598457 - A

35

6598458

GEAR

35

6646431

GEAR

36

6598460

BOLT

37

6630292

KIT drive gear & pinion - W/Ref. 6 & 21

37

KIT NLA - drive gear & pinion - W/Ref. 5, 6, 10, 13, 21 - 23, 26-28, & 32 - Was 6646432 - A

37

6598467

KIT case - W/Ref. 5, 7, 10-12 & 14-20

37

6598473

KIT shim - W/Ref. 5, 23, 26, 30, 31

37

6598469

KIT shim - W/Ref. 5, 10, 13

37

6598474

KIT shim - W/Ref. 5, 10, 13, 23, 26

38

6584119

NUT

39

6598464

GEAR Use W/Cessna hydro. motor

39

GEAR NLA - Use W/Sundstrand hydro. motor - Was 6632457 - A

40

6J1210

KEY Use W/Cessna hydro. motor

40

6586235

KEY Use W/Sunstrand hydro. motor

Выбрано товаров: 50