Качественные детали и логистика
Оригинальные и аналоговые запчасти с доставкой по России, Казахстану и Беларуси
©2022 PartSell ООО "Система" ИНН 2463123282 ОГРН 1212400004838
Центральный офис: г. Красноярск, Академика Киренского, д.87, пом.4
Телефон: 8 (800) 777-65-74 Email: zakaz@partsell.ru
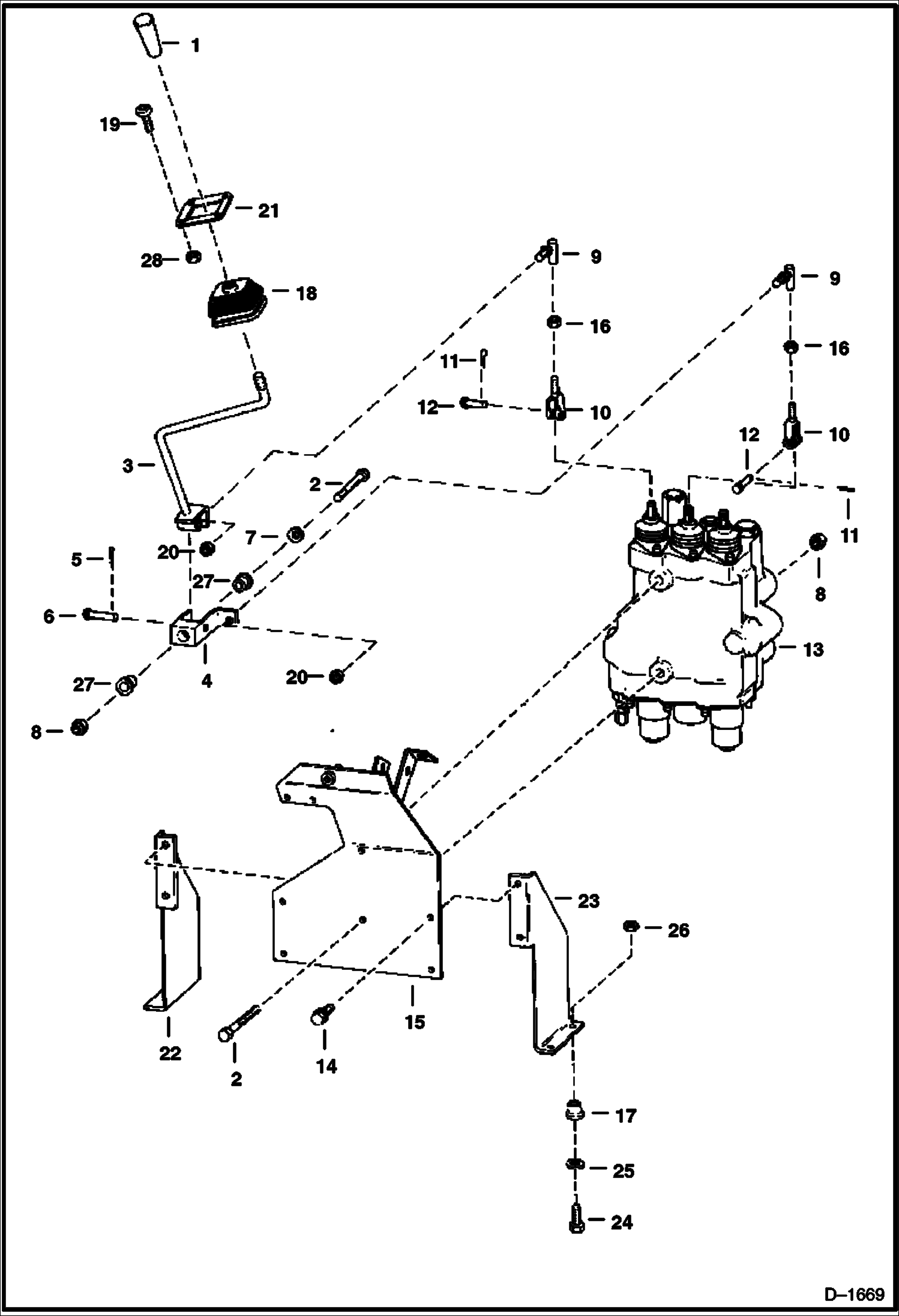
CONTROL LINKAGE
№
Артикул
Название
Примечание
Количество
1
6510093
HANDLE GRIP
2
17C540
BOLT
3
6585175
LEVER
4
6585170
PIVOT block
5
1F308
PIN, COTTER
6
PIN NLA - Was 1313142 - A
7
25E16
WSHR
8
85D5
NUT 5
9
6512356
BALL JOINT
10
6585201
CLEVIS
11
1F208
PIN
12
227395
CLEVIS PIN
13
VALVE See Illustration HYDRAULIC CONTROL VALVE/ E2403 See Illustration VALVE/ B20571
14
84G3712
BOLT 5
15
6585180
MOUNT valve
16
62D5
NUT
17
6599900
BUSHING
18
BOOT NLA - Was 6585347 - A
19
24G1012
BOLT Was 46G001012B - B
20
6510815
21
6585301
RETAINER
22
6585167
MOUNT L.H.
23
6585166
MOUNT R.H.
24
17C620
25
25E17
WASHER 5
26
85D6
NUT, 5
27
6584508
28
6630140
Выбрано товаров: 0