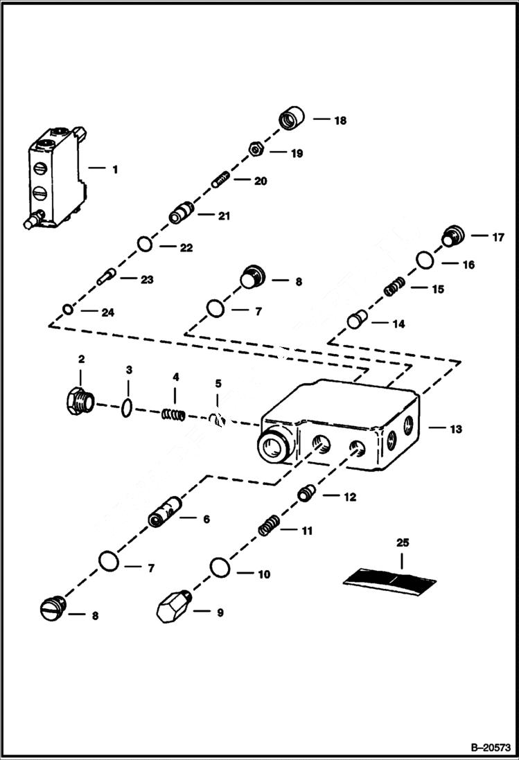
Запчасти Bobcat Articulated Loaders BUCKET POSITION VALVE (S/N 12027 & Above) HYDRAULIC SYSTEM

Схема запчастей Bobcat Articulated Loaders - BUCKET POSITION VALVE (S/N 12027 & Above) HYDRAULIC SYSTEM
FIT
1:1
100%

Артикул

Название

Примечание

Количество

1

VALVE NLA - order 6673959 valve - Was 6666341 - A

2

6647784

PLUG W/Ref. 3

3

79K10

O RING 10

4

6647785

SPRING

5

6647783

LOAD CHECK

6

SPOOL NSS

7

O-RING NSS

8

6676543

PLUG Was 6647780 - A

8

79K10

O RING 10

9

6647779

PLUG W/Ref. 10

10

O-RING NSS

11

6648294

SPRING

12

SPOOL NSS

13

BODY NSS

14

6647776

PLUNGER

15

1550482

SPRING

16

O-RING NSS

17

6647781

PLUG W/Ref. 16

18

COVER NSS

19

8D4

NUT Was 6631561 - A

20

6648293

SCREW

21

6647778

CAP

22

O-RING NSS

23

6647777

PIN

24

O-RING NSS

25

6647786

SEAL KIT ref. 3, 7, 10, 16, 18, 22 & 24

Выбрано товаров: 26