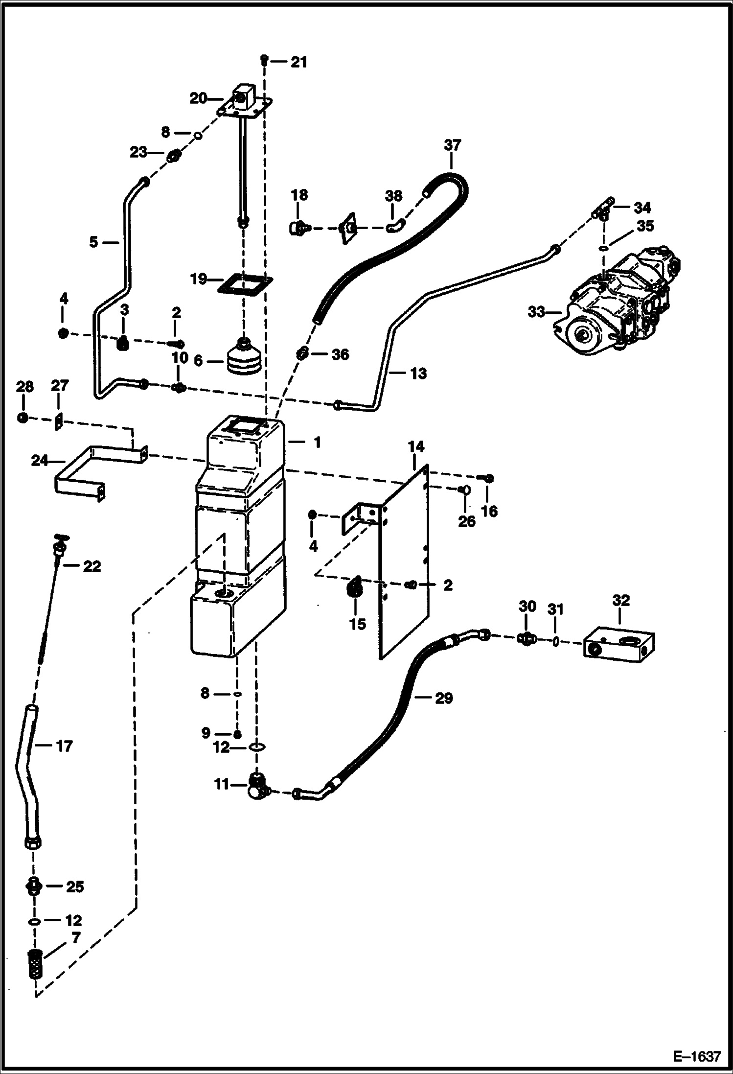
Запчасти Bobcat Articulated Loaders HYDRAULIC TANK (S/N 11176-11999) HYDROSTATIC SYSTEM

Схема запчастей Bobcat Articulated Loaders - HYDRAULIC TANK (S/N 11176-11999) HYDROSTATIC SYSTEM
FIT
1:1
100%

Артикул

Название

Примечание

Количество

1

TANK NLA - Was 6584503 - A

2

17C510

BOLT

3

30H37

CLAMP

4

85D5

NUT 5

5

6585573

TUBE

6

DIFFUSER NLA - Was 6584136 - A

7

6564059

SCREEN

8

79K10

O RING 10

9

24K7

PLUG W/Ref. 8

10

87F7

UNION

11

588820

ELBOW W/Ref. 12

12

79K20

O RING 10

13

6585574

TUBE

14

6585572

MOUNT

15

30H58

CLIP

16

17C610

BOLT

17

6584501

TUBE dipstick

18

7025626

VENT, BREATHER - Was 6684923 - A

19

6584499

GASKET

20

6584495

COVER W/Tube

21

17C410

BOLT 10

22

6646632

DIPSTICK Was 6584489 - A

23

15K7

FITTING W/Ref. 8

24

6584493

BAND

25

15K11

FTG W/Ref. 12

26

7C612

BOLT

27

6559447

WASHER

28

85D6

NUT, 5

29

6585583

HOSE

30

15K10

ADAPTOR W/Ref. 31

31

79K16

O RING 10

32

6585202

BLOCK

33

PUMP

34

6561477

TEE W/Ref. 35

35

79K12

O RING 10

36

6512805

ADAPTER

37

6577821

HOSE bulk - sold per foot - Was 672221 - A

38

6631061

ELBOW

Выбрано товаров: 38