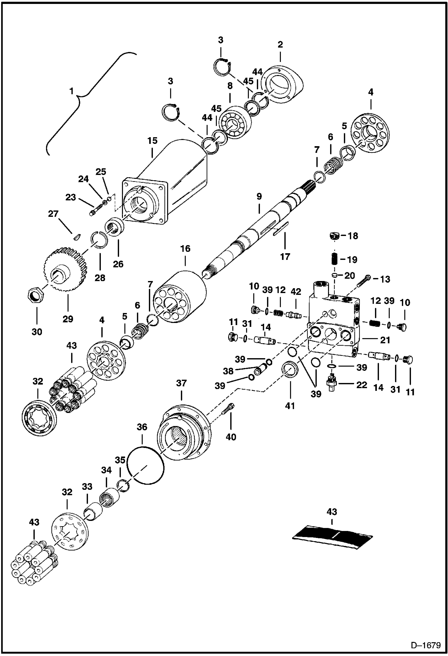
Запчасти Bobcat Articulated Loaders HYDROSTATIC MOTOR (Cessna - S/N 11999 & Below) HYDROSTATIC SYSTEM

Схема запчастей Bobcat Articulated Loaders - HYDROSTATIC MOTOR (Cessna - S/N 11999 & Below) HYDROSTATIC SYSTEM
FIT
1:1
100%

Артикул

Название

Примечание

Количество

1

MOTOR NLA - New - Less Ref. 29 - Order 6631952 - Was 6585587 - A

1

6631952REM

MOTOR, REMAN HYD remanufactured - Less Ref. 29 - Was 6631952 - A

2

CAM NLA - Was 6598406 - A

3

SNAP RING NSS - Used Without Washers

4

SPIDER NLA - Was 6598403 - A

5

PIVOT NLA- Was 6598402 - A

6

6598415

SPRING

7

SNAP RING NSS - Used Without Washers

8

743439

BEARING

9

SHAFT KIT NLA - W/Ref. 44 & 45 - Was 6631700 - A

10

PLUG NSS - Was 6598511 - A

11

6513479

PLUG

12

SPRING NLA - Was 6598512 - A

13

17C536

BOLT Was 6598513 - A

14

6650610

VALVE relief - Was 6598398 - A

15

HOUSING NLA - Was 6598509 - A

16

PISTON NLA - block - Was 6598416 - A

17

6598417

KEY

18

6598399

RETAINER

19

6630432

SPRING

20

POPPET NLA - Was 6630214 - A

21

6630433

BODY valve - W/Ref. 10, 12, 18-20, 22, 39 & 42

22

6598400

VALVE tow

23

SCREW NLA - Was 6598412 - A

24

6510043

WASHER

25

O-RING NSS

26

SEAL NSS - shaft

27

6J1210

KEY

28

RING NSS - retainer

29

6598464

GEAR

30

6584119

NUT

31

25K30028

O RING 10

32

PLATE NLA - connector - Was 6598404 - A

33

6598405

RACE

34

BEARING Was 6598409 - A

35

RING NSS - retainer

36

O-RING NSS

37

KIT NLA - back - Was 6598408 - A

38

DRAIN TUBE NLA - Was 6598410 - A

39

O-RING NSS

40

SCREW NLA - Was 23C000620B - A

41

SEAL NSS

42

SPOOL NSS

43

KIT NLA - piston assy. - 18 Piston - Was 6598418 - A

43

6598419

SEAL KIT W/Ref. 3, 7, 25, 26, 28, 35, 36, 39, 41 & 44

44

RING NSS - retaining - Use W/Ref. 45

45

6631701

WASHER

Выбрано товаров: 47