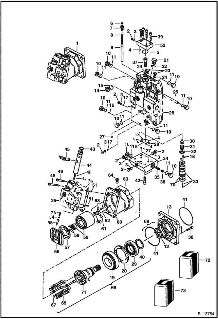
Запчасти Bobcat Articulated Loaders HYDROSTATIC MOTOR (S/N 12313 & Above) HYDROSTATIC SYSTEM

Схема запчастей Bobcat Articulated Loaders - HYDROSTATIC MOTOR (S/N 12313 & Above) HYDROSTATIC SYSTEM
FIT
1:1
100%

Артикул

Название

Примечание

Количество

1

MOTOR NLA - W/Ref. 2-68 - Order 6661088REM motor -- Was 6661088 - A

1

6661088REM

MOTOR, HYD W/Ref. 2-68

2

6661484

PLUG W/Ref. 3

3

6661485

O-RING

4

6661489

O-RING

5

6661488

O-RING

6

6661499

SEAL

7

6661498

NUT

8

6661497

O-RING

9

6661496

SCREW

10

6645086

PLUG W/Ref. 11

11

6661481

O-RING

12

6664553

SEAL

13

6664597

FLANGE

14

24K9

PLUG W/Ref. 15

15

6645083

O-RING

16

6661507

ORIFICE 0.5 mm

17

6661508

ORIFICE 0.8 mm

18

6661509

ORIFICE 0.6 mm

19

BEARING NSS - Order Ref. 66

20

SPACER NSS - Order Ref. 66

21

24K7

PLUG W/Ref. 22

22

79K10

O RING 10 Was 91F7 Was 91F7 - A

23

6645085

PLUG W/Ref. 24

24

79K4

O RING 10 Was 91F3 - A

25

6661492

PISTON VALVE

26

END CAP NSS - Was 6661480 - A

27

6921564

SCREEN FILTER Was 6648267 - A

28

6661490

O-RING

29

BEARING NSS - Order Ref. 66

30

6661495

SEAT

31

6661493

SPRING

32

6661494

SEAT

33

6661502

BUSHING

34

6661503

HOUSING

35

6661504

VALVE

36

6661505

ORIFICE 2.5 mm

37

6661474

BOLT

38

6661473

BOLT

39

6661482

BOLT

40

NUT NSS - Order Ref. 22

41

6661460

O-RING

42

6661506

BOLT

43

RING NLA - Was 6661475 - A

44

6661476

PISTON

45

6661477

LEVER

46

6661478

SET SCREW center point

47

6661479

SET SCREW flat point

48

6661486

BOLT

49

6661487

BOLT

50

6661491

GASKET

51

6518460

PIN

52

6661483

COVER

53

6661510

SET SCREW

54

6661511

NUT

55

6661512

CAP

56

6661458

VALVE SEGMENT

57

6661462

PLATE

58

6661463

PIN

59

6661461

BLOCK ASSY

60

PIN NSS - Order Ref. 68

61

ROLLER NSS - Order Ref. 68

62

SHAFT NSS - Order Ref. 68

63

6661459

HOUSING

64

47K8

PLUG

65

PISTON ASSY NSS - Order Ref. 66

66

6661500

SHAFT ASSY. W/Ref. 19, 20, 29, 40, 65, 67 & 71

67

6662774

PISTON RING KIT

68

6662776

SHAFT ASSY W/Ref. 60-62

69

6662775

SEAL KIT Front - W/Ref. 12 & 41

70

6664408

O-RING

71

SHAFT NSS - Order Ref. 66

72

6664383

SEAL KIT end cap - Ref. 3, 5, 11, 15, 21, 43 & 50

73

6664385

SEAL KIT control - Ref. 2, 4, 11, 28 & 70

Выбрано товаров: 74