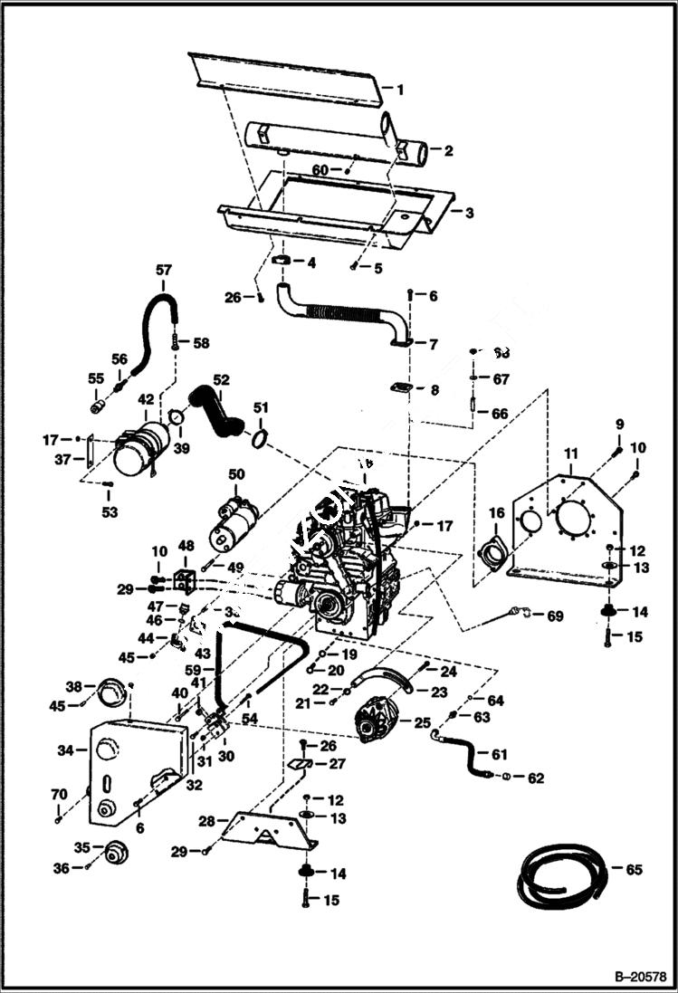
Запчасти Bobcat Articulated Loaders ENGINE & ATTACHING PARTS POWER UNIT

Схема запчастей Bobcat Articulated Loaders - ENGINE & ATTACHING PARTS POWER UNIT
FIT
1:1
100%

Артикул

Название

Примечание

Количество

1

6561285

HEAT SHIELD

2

6514737

MUFFLER, SPARK ARRESTOR

3

6565419

MOUNT

4

6677363

CLAMP, FULL CIRCLE Was 657904 - A

5

35C610

BOLT 5

6

1CM825

BOLT Was 4CM825 - A

7

6569624

PIPE

8

6575580

GASKET muffler - Was 6598088 - A

9

6CM1225

BOLT

10

5CM1020

SCREW

11

6562433

MOUNT motor

12

61D8

NUT 5

13

6506477

WASHER Was 6515817 - A

14

6560633

DAMPENER shock

15

17C836

BOLT

16

6562198

SPACER starter

17

57D5

NUT

18

ENGINE See Illustration ENGINE/ E1332 KUBOTA

19

6680484

GASKET Was 3974403 - B

20

3974402

PLUG

21

1CM870

BOLT

22

6EM80

WASHER, SPRING Was 25E000016B - B

23

6579721

RETAINER Was 6562694 - A

24

29CM825

BOLT Delco Alternator

24

35C516

BOLT 10 Bobcat Alternator

25

ALTERNATOR See Illustration ALTERNATOR/ B18939 See Illustration ALTERNATOR/ C3312 See Illustration ALTERNATOR/ D1760

26

84G3710

SCREW

27

EXTENSION NLA - Order Ref. 61-63 - Was 6562285 - A

28

6562843

MOUNT motor

29

6CM1220

BOLT

30

6562257

MOUNT

31

39DM10

NUT Delco Alternator

31

85D6

NUT, 5 Bobcat Alternator

32

1CM890

BOLT

33

6652764

STUD Was 3974462B - A

34

SHIELD NLA - 3 piece - Order 6571594

34

6571594

SHIELD 1 Piece

35

6562417

SHIELD Use W/3 Piece Shield

36

6630207

RIVET 5 Use W/3 Piece Shield - Was 6598092 - A

37

6563705

SHIM

38

SHIELD Use W/3 Piece Shield - Was 6562418 - A

39

42HL300

CLAMP Was 6598799 - A

40

17C556

BOLT

41

6568877

WASHER

42

6563400

AIR CLEANER See Illustration AIR CLEANER/ B18168

43

6714543

GASKET Was 3974461 - A

44

6562466

INLET oil fill

45

1DM6

NUT

46

3966602

O RING oil fill plug

47

6685924

CAP oil filler - Was 6652653 - A

48

6562419

BRACKET Use W/1108692 Starter

48

6567048

BRACKET Use W/1998339 Starter

49

17C640

BOLT 5

50

STARTER See Illustration STARTER/ B18466 See Illustration STARTER/ D2119 See Illustration STARTER/ B18467

51

42H32

HS CLAMP5 Was 6513595 - A

52

6563447

HOSE

53

17C512

BOLT 5

54

1CM1080

BOLT

54

17C648

BOLT 5

55

6515007

GAUGE

56

6505813

CONNECTOR barbed

57

HOSE NLA - 24'' long - Order Ref. 65 - Was 6585089 - A

58

6563452

FITTING barbed

59

6562693

BELT, ALT

60

866104

PLUG Brass

61

6572070

HOSE

62

36K6

CAP

63

15K6

ADAPTER

64

79K8

O RING 10

65

6557720

HOSE bulk - Sold Per Foot

66

3974627

STUD

67

6EM80

WASHER, SPRING

68

1DM8

NUT

69

6598181

DIPSTICK

70

1CM895

BOLT

Выбрано товаров: 75