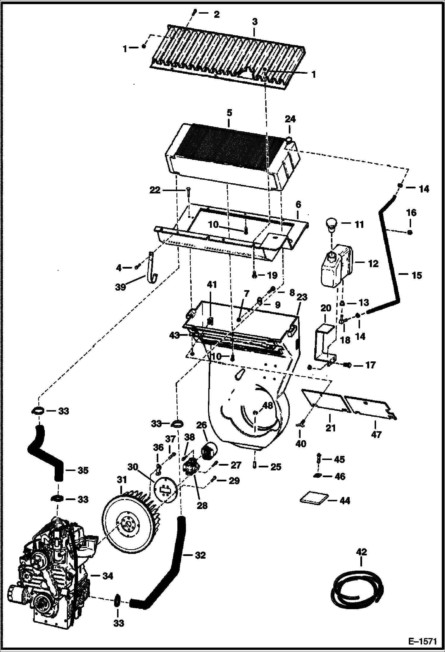
Запчасти Bobcat Articulated Loaders ENGINE & ATTACHING PARTS POWER UNIT

Схема запчастей Bobcat Articulated Loaders - ENGINE & ATTACHING PARTS POWER UNIT
FIT
1:1
100%

Артикул

Название

Примечание

Количество

1

57D6

NUT 5

2

84G3716

SCREW 5

3

6567868

GRILL

4

35C610

BOLT 5

5

6630186

RADIATOR

6

6565419

MOUNT

7

83D5

NUT 5

8

37C516

BOLT Was 6565089 - A

9

774220

NUT

10

21C510

BOLT

10

57D5

NUT For Radiator with Studs

11

6702797

CAP Was 6558658 - A

12

TANK NLA - With Replaceable Elbow - Order 6576660 - Was 6562509 - A

12

6576660

TANK, WATER COOLANT W/bottom molded barbed elbow

13

6553411

BUSHING Not Used With 6576660 Tank

14

42HS04

CLAMP, HOSE Was 6515575 - A

15

HOSE NLA - 33'' long - Order Ref. 42

16

742876

GROMMET

17

17C612

BOLT 5

18

6553412

ELBOW Not Used With 6576660 Tank

19

31C616

SCREW

20

6584230

MOUNT

21

6565196

COVER

21

6530635

COVER

22

35C512

BOLT

23

6564728

HOUSING, BLOWER blower

24

6666606

RADIATOR CAP Was 6630156 - A

25

RIVET NLA - Order 35C000620B & 59D000006B - Was 1316539 - A

25

35C620

BOLT 5

26

6562960

YOKE, POWER TRANSFER See Illustration UNIVERSAL JOINT/ B20579

27

94G510

BOLTS 5

28

6598347

U-JOINT See Illustration UNIVERSAL JOINT/ B20579

29

17C628

BOLT

30

6562873

ADAPTER, YOKE

31

6562270

WHEEL blower - W/Ring gear

31

6510470

RING GEAR

32

6565598

HOSE

33

42H32

HS CLAMP5

34

ENGINE See Illustration ENGINE/ E1332 KUBOTA

35

6562284

HOSE, WATER FORMED

36

3974586

WASHER

37

6598275

BOLT Use with Ref. 36

37

6598275

BOLT Use without lock tab - Was 6652487 - A

38

94G512

BOLTS 5

39

6562431

BRACKET

40

6565418

SCREW wing

41

6599702

NUT

42

6562515

HOSE bulk - Sold Per Foot

43

6567374

RETAINER

44

INSULATION Was 6564595 - A

45

6555293

NAIL

46

6555294

CLIP

47

6530635

COVER

48

59D6

NUT

Выбрано товаров: 54