Качественные детали и логистика
Оригинальные и аналоговые запчасти с доставкой по России, Казахстану и Беларуси
©2022 PartSell ООО "Система" ИНН 2463123282 ОГРН 1212400004838
Центральный офис: г. Красноярск, Академика Киренского, д.87, пом.4
Телефон: 8 (800) 777-65-74 Email: zakaz@partsell.ru
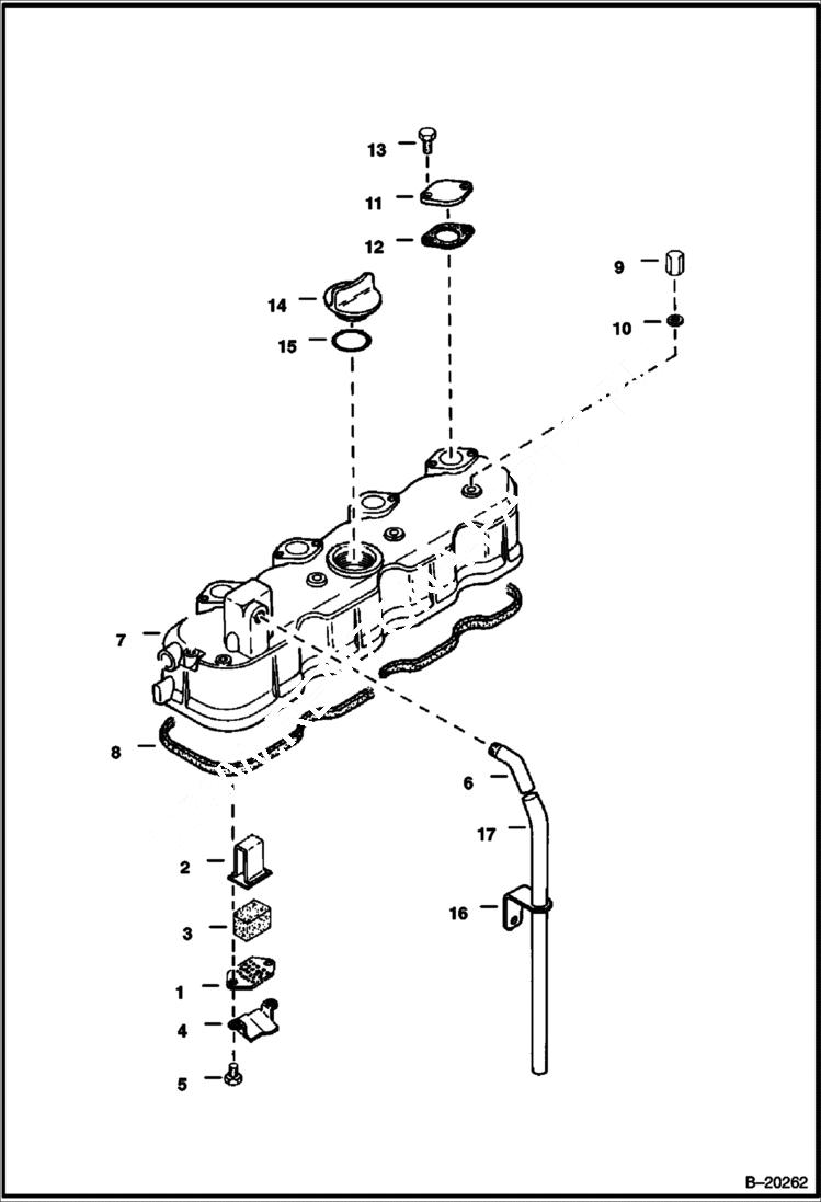
ROCKER ARM COVER
№
Артикул
Название
Примечание
Количество
1
3974924
PLATE element
2
3974925
3
3974926
BREATHER breather
4
3974927
SHIELD breather
5
3975436
SCREW W/washer - Was 6598167 - A
6
6652624
JOINT breather pipe - Was 3974929B - A
7
6649235
COVER valve - Was 6598135 - A
8
6598136
GASKET, COVER VALVE
9
3974923
NUT cap
10
3974095
MET-GASK
11
3974536
COVER
12
3974537
GASKET
13
1CM614
SCREW Was 4CM614 - A
14
6685924
CAP oil filler - Was 6652653 - A
15
3966602
O RING oil fill plug
16
3974931
CLAMP pipe
17
3974930
PIPE breather
Выбрано товаров: 0