Запчасти Bobcat Articulated Loaders GEARCASE POWER UNIT

Схема запчастей Bobcat Articulated Loaders - GEARCASE POWER UNIT
FIT
1:1
100%

Артикул

Название

Примечание

Количество

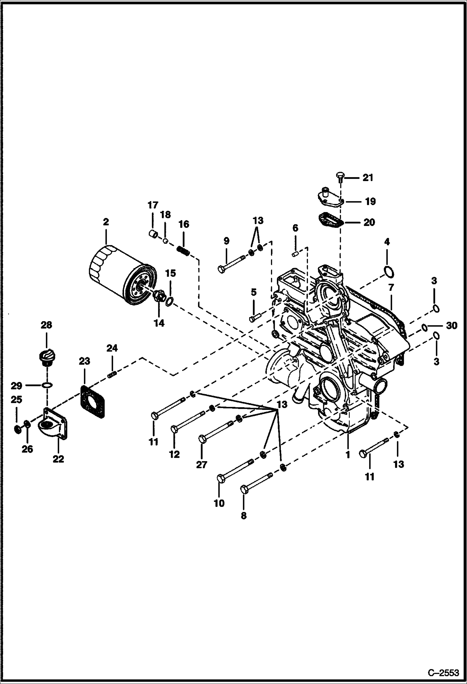
1

CASE ASSY. NLA - gear - W/Ref. 3-7 - Order 6688640 Gearcase, (2) 6685466 O-ring, 6686981 Pin, 6685468 O-ring, (2) 3974395 Pin & 6652592 O-ring - Was 3974886B - A

2

6675517

FILTER, OIL ENG 12 Was 3974896B - A

3

3966515

O RING

4

3966530

O RING

5

6652592

PIN start spring - Was 3974074B - A

6

3974395

PIN straight

7

6666800

GASKET gearcase - Was 6653806 - A

8

3974888

BOLT

9

6653807

BOLT

10

1CM880

BOLT

11

6653808

BOLT Was 3974890B - A

12

1CM895

BOLT

13

6EM80

WASHER, SPRING

14

6653809

CONNECTOR Was 3974891B - A

15

15EM180

WASHER

16

6652652

SPRING Was 3974892B - A

17

3974893

SEAT valve

18

10J13

BALL

19

3974894

FLANGE water return

20

6666803

GASKET water return flange - Was 3974895B - A

21

1CM620

BOLT Was 4CM620 - A

22

6562466

INLET oil filler

23

6714543

GASKET Was 6666785 - A

24

6652764

STUD Was 3974462B - A

25

1DM6

NUT

26

6EM60

WASHER, SPRING spring

27

1CM870

BOLT

28

6685924

CAP oil filler - Was 6652653 - A

29

3966602

O RING oil fill plug

30

6655162

O-RING

Выбрано товаров: 30