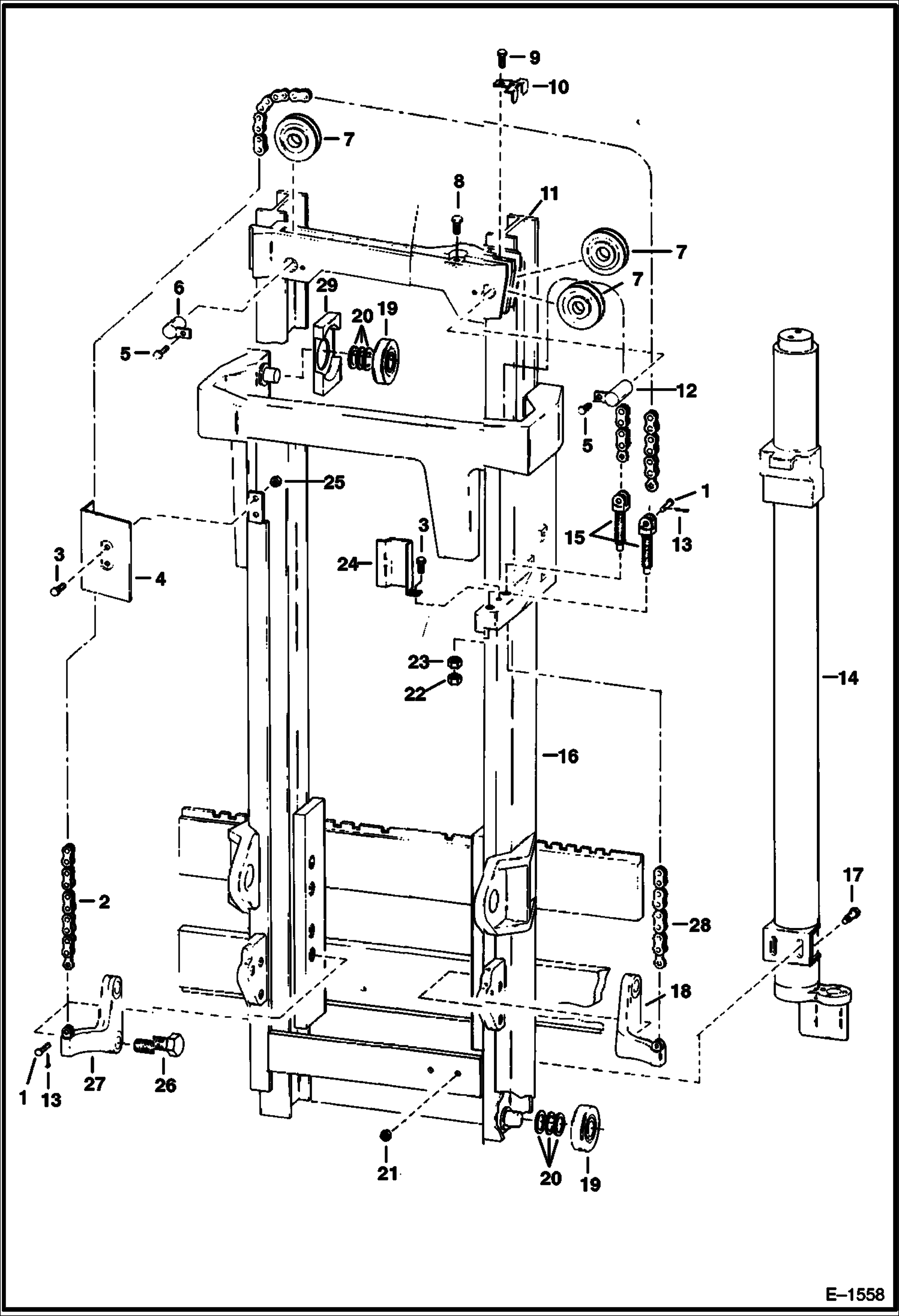
Запчасти Bobcat Articulated Loaders MAST & ATTACHING PARTS MAIN FRAME

Схема запчастей Bobcat Articulated Loaders - MAST & ATTACHING PARTS MAIN FRAME
FIT
1:1
100%

Артикул

Название

Примечание

Количество

1

2366345

PIN

2

CHAIN lift - L.H. - Bulk chain 2366808 - Order 97 pitches for 10 ft. & 121 pitches for 14 ft.

3

BOLT NLA - Was 30CM00816B - A

4

2373831

GUARD

5

1CM816

BOLT Was 1CM00815B - D

6

2371108

SHAFT

7

2368341

SHEAVE

8

1CM1230

BOLT

9

1CM820

BOLT

10

2371112

BRACKET

11

2371095

RAIL inner - 10 ft.

11

2371102

RAIL inner - 14 ft.

12

2371105

SHAFT

13

2359552

PIN cotter

14

2370918

CYLINDER See Illustration MAST CYLINDER/ C2832 10 FT.

14

2382188

CYLINDER See Illustration MAST CYLINDER/ C2832 14 FT. 14 ft. - Was 2370925B - A

15

ANCHOR NLA - Was 2366341B - A

16

2371145

RAIL outer - 10 ft.

16

2371152

RAIL outer - 14 ft.

17

2363832

BOLT

18

2371162

ANCHOR R.H.

19

2357723

BRG

20

2359551

SHIM

21

1DM12

LOCK NUT

22

1DM14

NUT

23

2366344

NUT

24

2371468

GUARD

25

NUT

26

BOLT NLA - Was 1CM02460B - A

27

2371164

ANCHOR L.H.

28

CHAIN lift - R.H. - Bulk chain 2366808 - Order 81 pitches for 10 ft. & 103 pitches for 14 ft.

29

2368782

GUARD

Выбрано товаров: 32