Запчасти Bobcat Articulated Loaders CONTROL VALVE (4-Spool) HYDRAULIC SYSTEM

Схема запчастей Bobcat Articulated Loaders - CONTROL VALVE (4-Spool) HYDRAULIC SYSTEM
FIT
1:1
100%

Артикул

Название

Примечание

Количество

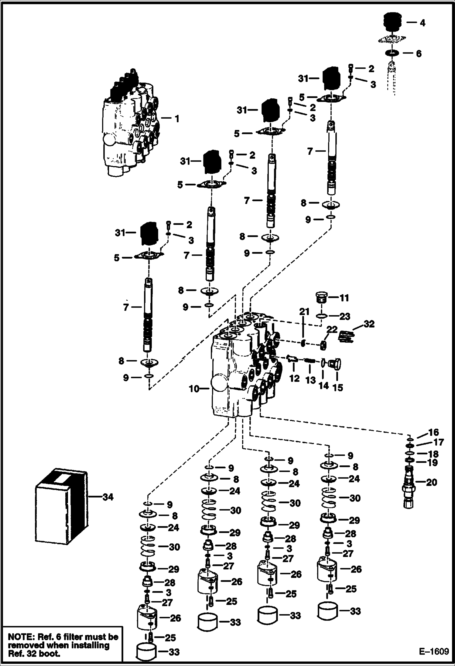
1

6592964

VALVE Ref. 2-33

1

SHORT BLOCK NLA - Ref.2-10 - Also order 8 of ref. 25

2

6588165

SCREW Was 73G000410B - A

3

22E4

WASHER

4

BOOT NLA - order Ref 31 - Was 6592122 - A

5

6592123

RETAINER

6

FILTER NLA - 0rder Ref.31 - Was 6592124 - A

7

6592119

SPOOL Was NSS - D

8

6592103

BUSHING See Serviceletter 5 Jan. 87

8

6538466

BUSHING With P/N 6538466 stamped on top

9

6665089

SEAL See BTI374 lip seal - Was 6659554 - A

9

6646372

SEAL See BTI374 quad ring seal

10

BODY NSS

11

24K7

PLUG W/Ref. 23

12

6592115

SEAT

13

6592117

SPRING, LOAD CHECK

14

79K8

O RING 10

15

6592116

NUT load check

16

O-RING NSS

17

WASHER NSS - back-up

18

O-RING NSS

19

WASHER NSS - back-up

20

7219324

VALVE, RELIEF W/ O-rings - pressure to be set in field - Was 6686360 - A

21

RESTRICTOR NLA - Was 6592762 - A

22

6593680

RETAINER

23

79K10

O RING 10

24

7211397

WASHER, SPRING Was 6587523 - A

25

6588164

SCREW Was 73G000412B - A

26

BONNET NLA - With .25''(6.35mm) flange - Order 6587633 , 6662848 & 2 of 6588164 - Was 6592097 - A

26

7101345

BONNET, DETENT HYD VALVE W/.50'' flange - Was 6587633 - C

27

6588166

SCREW Was 74G000416B - A

28

6592109

ADAPTER

29

6592100

COLLAR

30

6587580

SPRING Was 6592106 - A

31

6587763

BOOT See note

32

6587315

ORIFICE 0.11

33

6662848

CAP Use with 6587633 bonnet

34

6816251

KIT, SEAL See BTI374 - Ref. 9, 14, 16-19, 23 & 31 - Was 6803606 - A

34

6816250

KIT, SEAL See BTI374 - Ref. 9, 25 & 31 - For One Spool - Was 6661315 - A

34

6661328

SEAL KIT ref. 16-19 - Was 6592474 - A

34

6809425

SEAL KIT ref. 14 & 16-19 - Was 6586461 - A

Выбрано товаров: 41