Запчасти Bobcat Articulated Loaders ENGINE & ATTACHING PARTS POWER UNIT

Схема запчастей Bobcat Articulated Loaders - ENGINE & ATTACHING PARTS POWER UNIT
FIT
1:1
100%

Артикул

Название

Примечание

Количество

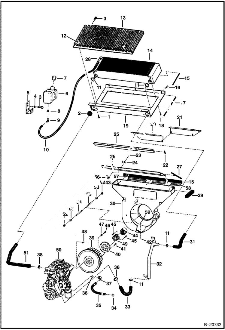
1

84G3716

SCREW 5

2

6512067

GROMMET

3

84G3712

BOLT 5

4

6E6

WASHER

5

6562513

MOUNT

6

6562509

TANK coolant - Also Order Ref. 8 & 9

6

6576660

TANK, WATER COOLANT W/bottom molded barbed elbow

7

6702797

CAP Was 6558658 - A

8

6553411

BUSHING Use W/Ref. 6 (6562509 tank)

9

6553412

ELBOW Use W/Ref. 6 (6562509 tank)

10

6562603

HOSE

11

42H32

HS CLAMP5

12

57D6

NUT 5

13

GRILL NLA - Was 6567867 - A

14

6648799

RADIATOR Was 6632203 - A

15

6511855

SEAL self adhesive - bulk - sold per foot

16

84G3720

BOLT

17

6562050

MOULDING

18

1C506

BOLT Was 17C000506B - A

19

6564546

SHIELD

20

6564282

RETAINER

21

6564281

RETAINER

22

6559763

MOULDING

23

6598954

RIVET

24

6564286

STOP

25

6564280

RETAINER

26

6564284

COVER

27

6564287

MOULDING

28

6666606

RADIATOR CAP Radiator - Was 6630156 - A

29

6560690

STRIP foam

30

6562211

BLOWER SHROUD blower

31

6564494

HOSE

32

TUBE Was 6564499 - A

33

6564495

HOSE

34

36K6

CAP

35

6805079

HOSE Was 6564639 - C

36

79K8

O RING 10

37

17K6

ELBOW With Ref. 36

38

42HL300

CLAMP Was 6598799 - A

39

6563110

BLOWER wheel - W/Ring Gear

39

6513662

RING GEAR

40

6562882

ADAPTER

41

17C624

BOLT 5

42

RIVET NLA - Order 35C-620 & 59D-6 - Was 1316539 - A

42

35C620

BOLT 5

43

83D6

NUT 5

44

6562879

YOKE, POWER TRANSFER See Illustration UNIVERSAL JOINT/ B8970

45

94G524

BOLT 5

46

18C822

SCREW

47

6557929

WASHER

48

6513679

VALVE

49

U-JOINT See Illustration UNIVERSAL JOINT/ B8970

50

6564576

ENGINE See Illustration ENGINE/ E1686

51

6564220

HOSE

52

85D6

NUT, 5

53

25E18

WASHER

54

6565333

BOLT Was 6563591 - A

55

6563592

BUSHING

56

6598955

LATCH

57

84G3720

BOLT

58

6584380

BRACKET

59

59D6

NUT

Выбрано товаров: 62