Запчасти Bobcat Articulated Loaders VALVE COVER POWER UNIT

Схема запчастей Bobcat Articulated Loaders - VALVE COVER POWER UNIT
FIT
1:1
100%

Артикул

Название

Примечание

Количество

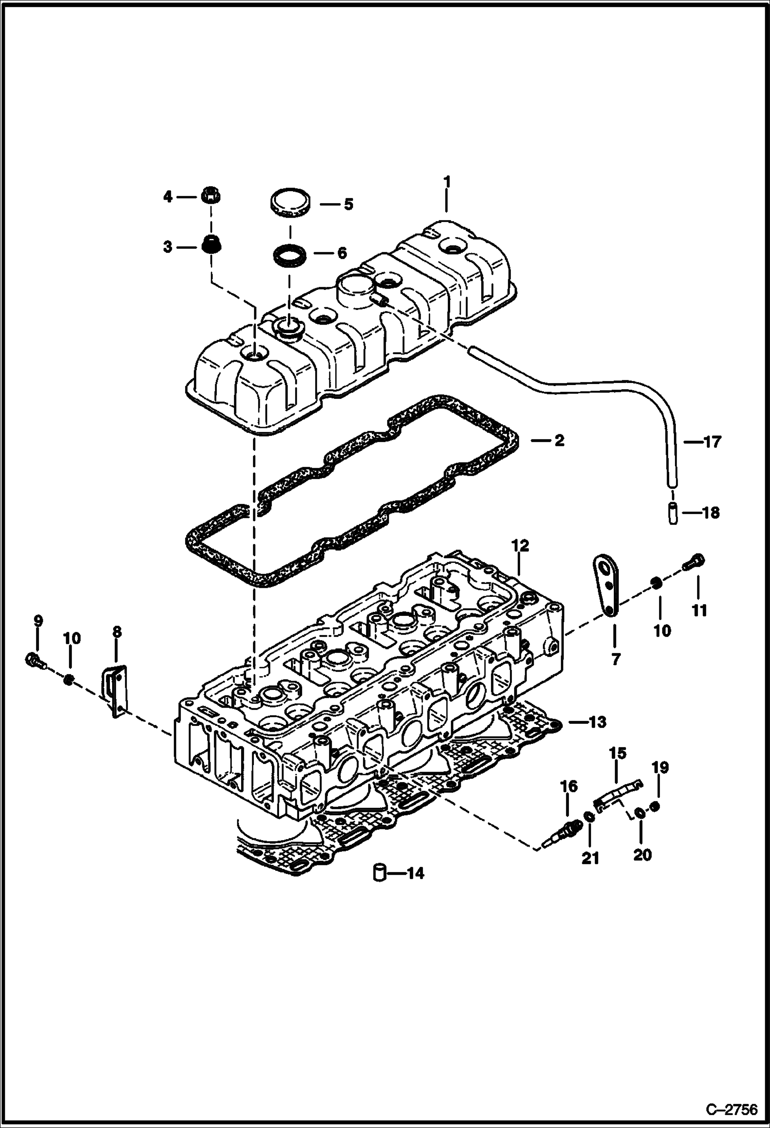
1

COVER NLA - Order 1-6662856 cover, 1-6662857 gasket, 4-6662858 washer, 1-6662859 cap, 2-6662860 nut, 2-6662861 bolt, 2-6662862 stud, 1-6662863 hose, & 2-6599690 bolt - Was 6599269 - A

2

6599184

GASKET

3

6599183

SEAL

4

NUT NLA - Was 6599195 - A

5

CAP NLA - Was 6599256 - A

6

6599200

GASKET

7

6599257

BRACKET

8

BRACKET NLA - Was 6599289 - A

9

18C510

BOLT

10

23E5

L WASHER Was 2E000005B - A

11

18C508

BOLT

12

HEAD ASSY. See Illustration TAPPET ASSEMBLY & CAMSHAFT/ D1613

13

GASKET NLA - Was 998057 - A

14

PLUG, HEAD CYL ENG NLA - Was 6598743 - A

15

6599294

CONNECTOR

16

6599285

GLOW PLUG

17

6662863

HOSE Was 6599202 - A

18

PIPE NLA - Was 6599201 - A

19

6660927

NUT

20

WASHER NLA - Was 6660928 - A

21

WASHER NLA - Was 6660929 - A

Выбрано товаров: 21