Качественные детали и логистика
Оригинальные и аналоговые запчасти с доставкой по России, Казахстану и Беларуси
©2022 PartSell ООО "Система" ИНН 2463123282 ОГРН 1212400004838
Центральный офис: г. Красноярск, Академика Киренского, д.87, пом.4
Телефон: 8 (800) 777-65-74 Email: zakaz@partsell.ru
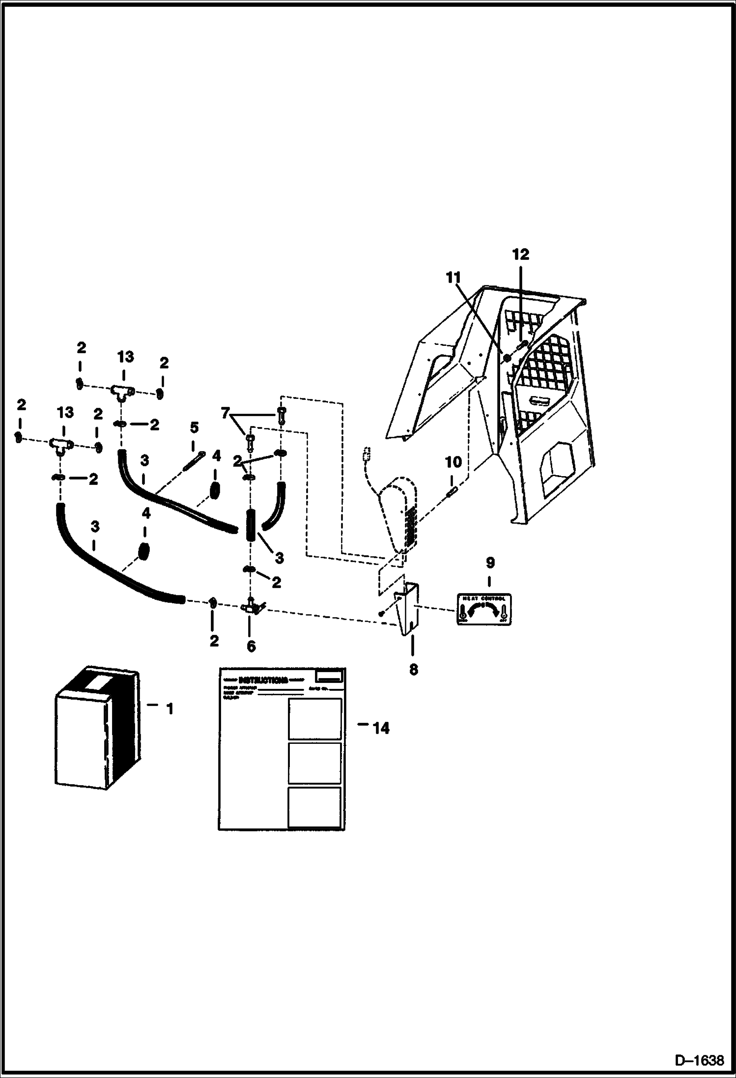
HEATER PLUMBING KIT
№
Артикул
Название
Примечание
Количество
1
6584871
KIT heater plumbing - Ref. 2-14
2
42H8
HOSE CLAMP 5
3
889269
HOSE BULK/FT bulk - Sold Per Foot - 13 ft. long
4
654121
GROMMET rubber
5
6610510
TIE nylon
6
6630014
VALVE shut-off
7
6630013
FITTING straight
8
6584768
SHIELD
9
6584767
DECAL heat
10
6615303
SPACER
11
4E4
WASHER
12
17C436
BOLT
13
1732490
TEE TUBE
14
INSTRUCTIONS NLA - Print Instructions from BASS - Was 6566535 - A
Выбрано товаров: 0