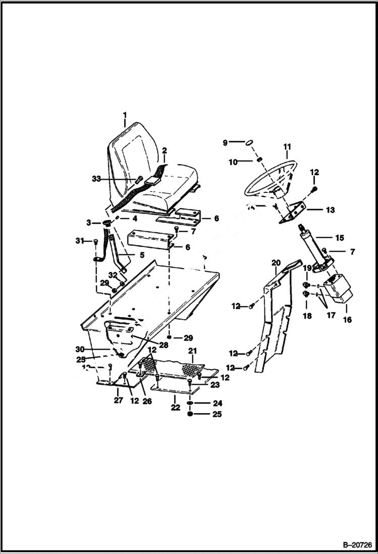
Запчасти Bobcat Articulated Loaders SEAT & STEERING CONTROL (S/N 13060 & Below) MAIN FRAME

Схема запчастей Bobcat Articulated Loaders - SEAT & STEERING CONTROL (S/N 13060 & Below) MAIN FRAME
FIT
1:1
100%

Артикул

Название

Примечание

Количество

1

SEAT See Illustration SEAT/ B7185

2

SEAT BELT NLA - Order 6675074 seat belt & (2) of 6725373 spring plate - Was 6563214 - A

3

GUIDE NLA - Order 6703703 - Was 6565355

4

1662965

RIVET

5

GUIDE ASSY. NLA - R.H. - Order 6584583

5

GUIDE ASSY. NLA - L.H. - Order 6584583

5

6584583

GUIDE ASSY. W/Ref. 3 & 4

6

6584997

CHANNEL

7

17C612

BOLT 5

8

6585900

MOUNT

9

CAP NLA - Was 6514300 - A

10

664880

NUT

11

WHEEL NLA - Steering - Was 6561101 - A

12

84G3716

SCREW 5

13

6583967

MOUNT

14

17C620

BOLT

15

6583969

COLUMN steering

16

6561100

VALVE See Illustration STEERING CONTROL VALVE/ C2692 STEERING CONTROL

17

79K8

O RING 10

18

17K6

ELBOW W/Ref. 17

19

6812820

ELBOW W/Ref. 17 - Was 6511914 - A

20

6583963

COVER

21

6584877

FLOOR MAT

22

6584351

COVER front

23

17C820

BOLT

24

27E8

WASHER 10

25

85D8

NUT, 5

26

6584126

BRACKET

27

6583949

COVER rear

28

6584011

MOUNT throttle

29

85D6

NUT, 5

30

25E21

WASHER 5

31

17C816

BOLT

32

25E17

WASHER 5

33

17C610

BOLT

Выбрано товаров: 35