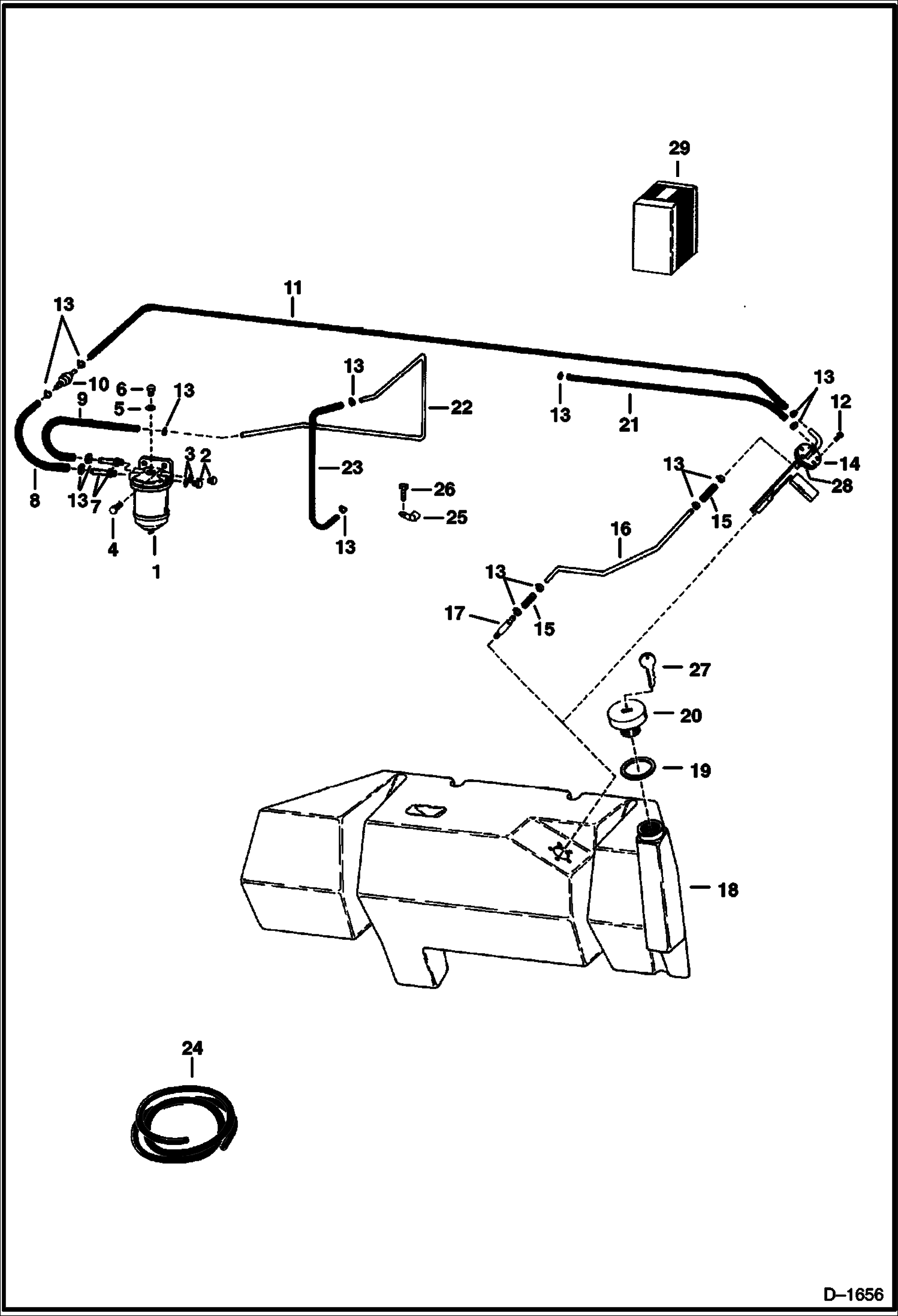
Запчасти Bobcat Articulated Loaders FUEL SYSTEM MAIN FRAME

Схема запчастей Bobcat Articulated Loaders - FUEL SYSTEM MAIN FRAME
FIT
1:1
100%

Артикул

Название

Примечание

Количество

1

6560348

FITLER, FUEL ASSY See Illustration FUEL FILTER/ B5653

2

6515682

PLUG

3

6515466

WASHER sealing

4

84G3716

SCREW 5

5

6515468

WASHER sealing

6

6515676

PLUG

7

1324240

CONNECTOR

8

HOSE NLA - 6'' (152.4mm) long - order Ref. 24

9

HOSE NLA - 13'' (330.2mm) long - order Ref. 24

10

6657734

PUMP, PRIMER HAND 124 mm (4.88'') long - A

11

HOSE NLA - 44'' (1117.7mm) long - order Ref. 24

12

85G1006

SCREW

13

42HS04

CLAMP, HOSE Was 6515575 - A

14

SENDER NLA - Fuel - W/ Gasket - Was 6561660 - A

15

HOSE NLA - 2-1/2'' (63.5mm) long - order Ref. 24

16

6561658

TUBE

17

6650239

SCREEN, FUEL PICKUP Was 6598911 - A

18

TANK NLA - fuel - Was 6561160 - A

19

6561561

GROMMET

20

6661114

CAP. DIESEL Green - Was 6632468 - A

20

CAP NLA - locking - W/Ref. 27 - code GC-020 - Was 6635877 - B

20

6661696

CAP, FUEL LOCKING locking - W/Ref. 27 - code PK510

21

HOSE NLA - leak off -53'' (1346.2mm) long- order Ref. 24

22

6564566

TUBE

23

HOSE NLA - to injection pump -17''(431.8mm) long - order Ref. 24

24

6577822

HOSE bulk - Sold Per Foot - Was 6562515 - A

25

30H19

CLIP

26

18C508

BOLT

27

6654374

KEY Code GC020

27

6587458

KEY Code PK510

28

6630972

GASKET

Выбрано товаров: 31