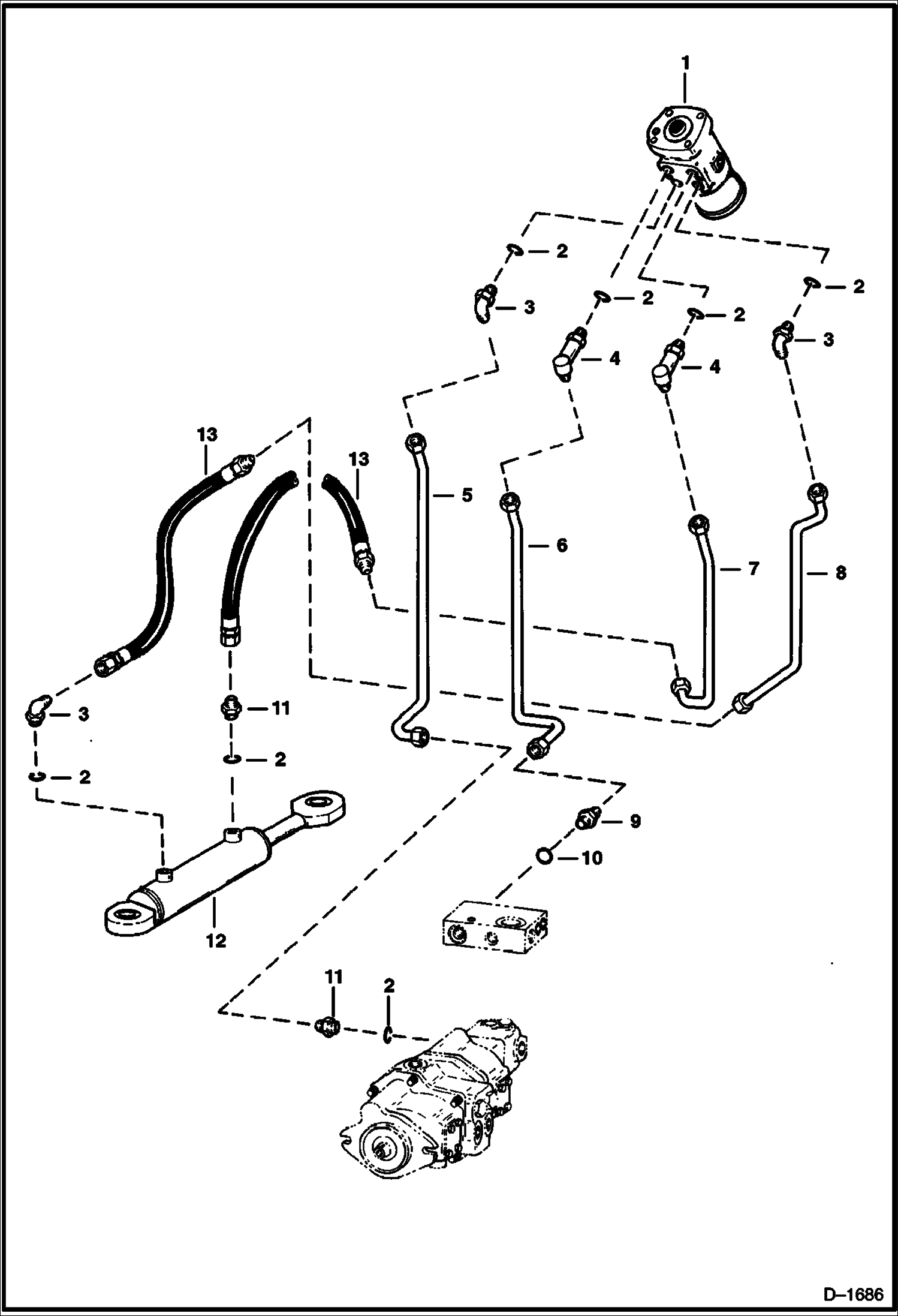
Запчасти Bobcat Articulated Loaders STEERING HYDRAULICS (S/N 13061 & Abv) HYDRAULIC SYSTEM

Схема запчастей Bobcat Articulated Loaders - STEERING HYDRAULICS (S/N 13061 & Abv) HYDRAULIC SYSTEM
FIT
1:1
100%

Артикул

Название

Примечание

Количество

1

6561100

VALVE See Illustration STEERING CONTROL VALVE/ C2692

2

79K8

O RING 10

3

17K6

ELBOW W/Ref. 2

4

6812820

ELBOW W/Ref. 2 - Was 6511914 - A

5

6584040

TUBE

6

6584041

TUBE

7

6584894

TUBE

8

6584039

TUBE

9

5293649

ADAPTOR W/Ref. 10

10

79K16

O RING 10

11

15K6

ADAPTER W/Ref. 2

12

CYLINDER See Illustration STEERING CYLINDER/ C2844 See Illustration STEERING CYLINDER/ C2699

13

HOSE NLA - Was 6584104 - A

Выбрано товаров: 13