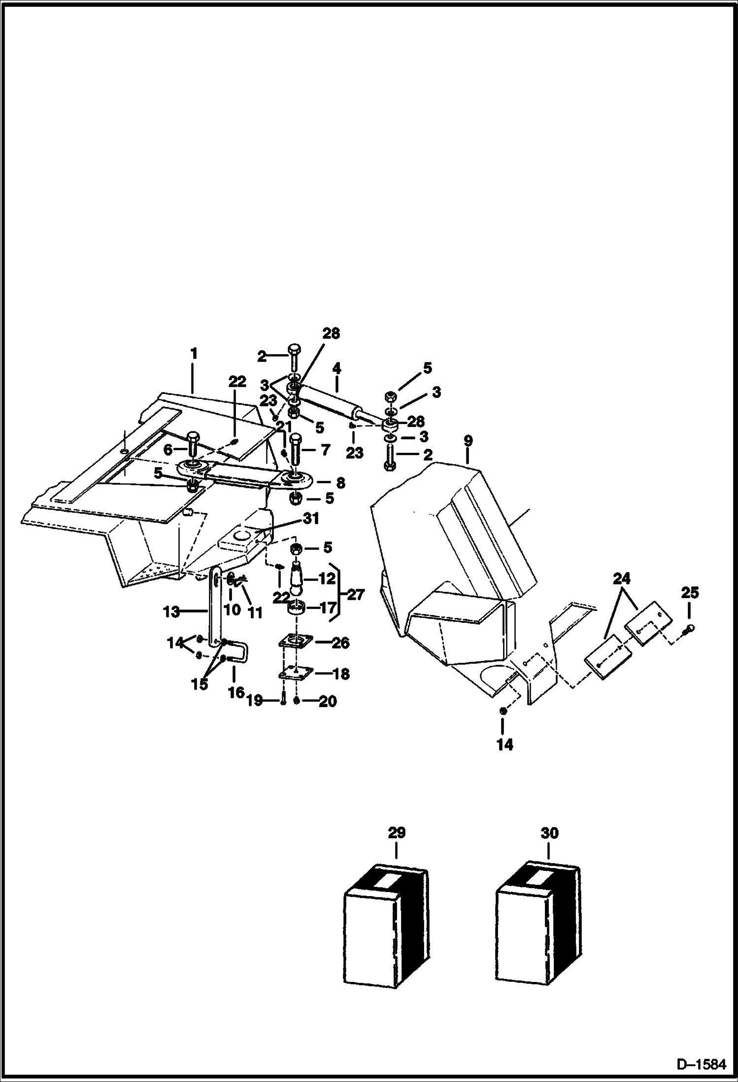
Запчасти Bobcat Articulated Loaders FRAME & ARTICULATION UNIT MAIN FRAME

Схема запчастей Bobcat Articulated Loaders - FRAME & ARTICULATION UNIT MAIN FRAME
FIT
1:1
100%

Артикул

Название

Примечание

Количество

1

6584960

FRAME rear

2

BOLT NLA - Was 17C2056 - A

3

6583929

SPACER

4

CYLINDER See Illustration STEERING CYLINDER/ C2699A See Illustration STEERING CYLINDER/ C2699

5

85D20

NUT

6

17C2060

BOLT

7

17C2072

BOLT

8

6584726

LINK

9

6561415

FRAME Front

10

25E31

WASHER

11

1318566

PIN

12

SHAFT NSS - tapered - Order Ref. 27

13

6584780

BAR

14

85D8

NUT, 5

15

7D8

NUT 5

16

6584779

U-BOLT

17

RACE NSS - Order Ref. 27

17

SEAL NSS - Order Ref. 27 - Was 6599970 - A

18

CAP NLA - one piece - Order 6585292 & 6585293

18

6585292

CAP

19

17C624

BOLT 5

20

12H15

FITTING, GREASE 5

21

11H15

GREASE FITTING

22

10H25

FITTING, GREASE 5

23

12H25

FITTING

24

6584781

PAD boom stop

25

17C832

BOLT

26

6585293

MOUNT

27

6588696

SHAFT & RACE assy. - Ref. 12 & 17 - Was 6530787 - A

28

669928

BEARING self-aligning

29

6584549

KIT See Illustration ARTICULATED LINK KIT/ D1758 articulated link mount

30

6584547

KIT See Illustration STEERING CYLINDER KIT/ D1720 steering cylinder mount

31

6561516

MOUNT pivot

Выбрано товаров: 33