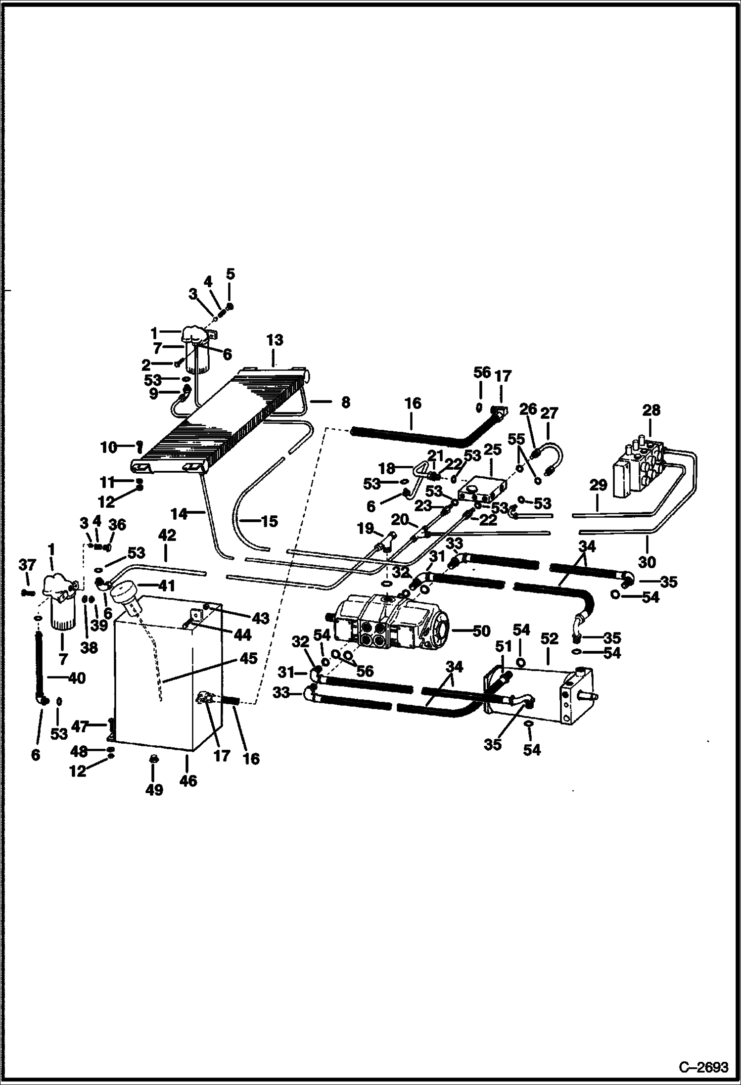
Запчасти Bobcat Articulated Loaders HYDROSTATIC CIRCUITRY (S/N 11999 & Below) HYDROSTATIC SYSTEM

Схема запчастей Bobcat Articulated Loaders - HYDROSTATIC CIRCUITRY (S/N 11999 & Below) HYDROSTATIC SYSTEM
FIT
1:1
100%

Артикул

Название

Примечание

Количество

1

FILTER HEAD NLA - Order 6564877 head and 6661248 filter - Was 6563339 - A

2

84G3712

BOLT 5

3

6515078

POPPET

4

6553897

SPRING

5

6561811

PLUG

6

17K7

ELBOW W/Ref. 53

7

6515541

ELEMENT filter - 5.5''

7

6559458

ELEMENT filter - 8''

8

6561229

TUBE

9

6519195

ELBOW W/Ref. 54

10

10C512

BOLT Was 6553808 - A

11

774220

NUT spring

12

85D5

NUT 5

13

6598438

OIL COOLER

14

6561616

TUBE

15

6561614

TUBE

16

6584105

HOSE

17

1324974

ELBOW W/Ref. 56

18

6561615

TUBE

19

6561477

TEE W/Ref. 54

20

10K7

TEE W/Ref. 53

21

6555832

ORIFICE .217/.225

22

15K7

FITTING W/Ref. 53

23

6559518

ADAPTER W/Ref. 53

24

6561624

TUBE

25

BLOCK See Illustration PORT BLOCK/ B5476 port

26

15K6

ADAPTER W/Ref. 55

27

6561613

TUBE

28

VALVE See Illustration HYDRAULIC CONTROL VALVE/ B18049 See Illustration HYDRAULIC CONTROL VALVE/ B20615

29

1306530

HYD HOSE

30

6584037

TUBE

31

18K8

FTG W/Ref. 54

32

6561478

ADAPTER W/Ref. 56

33

ELBOW NLA - W/Ref. 56 - Was 6513549 - A

34

6584107

HOSE

35

17K8

FITTING W/Ref. 54

36

6557476

PLUG

37

17C616

BOLT 5

38

25E17

WASHER 5

39

61D6

NUT 5

40

6584131

HOSE

41

6577785

CAP Drill hole for dipstick - Was 6583957 - A

42

6584373

TUBE

43

85D6

NUT, 5

44

84G3716

SCREW 5

45

6583956

DIPSTICK

46

6561335

TANK hydraulic

47

17C528

BOLT

48

25E15

WASHER

49

24K7

PLUG

50

PUMP See Illustration HYDROSTATIC PUMP/ B20618

51

15K8

FITTING W/Ref. 54

52

MOTOR See Illustration HYDROSTATIC MOTOR/ D1590

53

79K10

O RING 10

54

79K12

O RING 10

55

79K8

O RING 10

56

79K16

O RING 10

Выбрано товаров: 57