Качественные детали и логистика
Оригинальные и аналоговые запчасти с доставкой по России, Казахстану и Беларуси
©2022 PartSell ООО "Система" ИНН 2463123282 ОГРН 1212400004838
Центральный офис: г. Красноярск, Академика Киренского, д.87, пом.4
Телефон: 8 (800) 777-65-74 Email: zakaz@partsell.ru
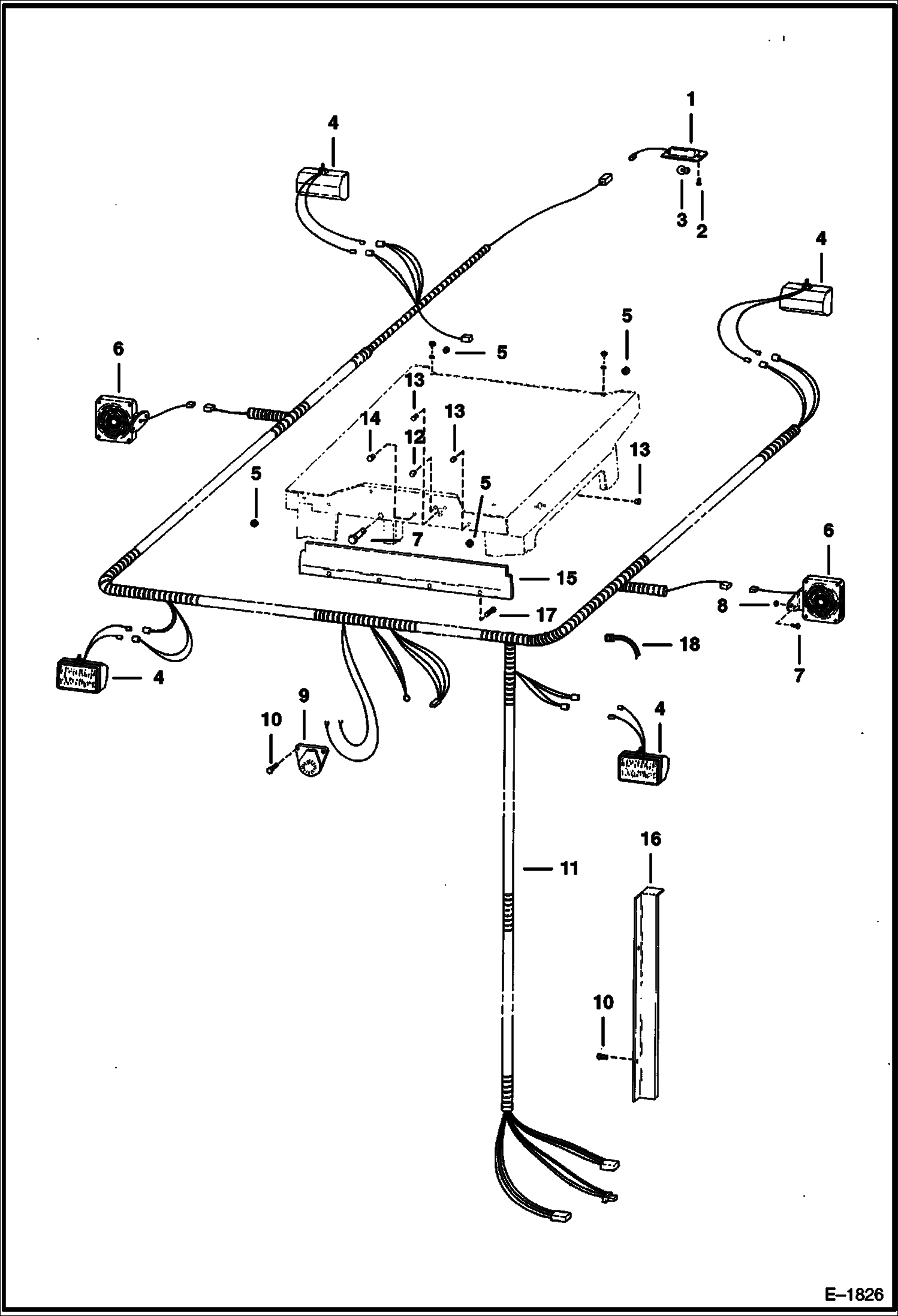
CAB ELECTRICAL (Deluxe Cab - Bobcat & Palm)
№
Артикул
Название
Примечание
Количество
1
6648396
DOME LIGHT 12 volt - Was 6648394 - A
2
57G808
BOLT Was 57G000806B - A
3
6655055
BULB Was 6648395 - A
4
6644961
LAMP 12 volt
5
6515109
GRIP Was 515069B - A
6
LAMP NLA - 12 volt - Was 6647435 - A
7
6532045
BOLT Was 25G000412B - B
8
61D4
NUT 5
9
6512876
ALARM 12 volt
10
25G512
SCREW
11
6585597
HARNESS light
12
6648391
PLUG
13
PLUG NLA - Was 6648349 - A
14
6648348
PLUG 0.81'' dia hole
15
6532105
WIRE COVER Was 6583492 - A
16
6584651
CHANNEL Was 6532110 - A
17
84G3712
BOLT 5
18
6624289
STRAP, TIE
Выбрано товаров: 0