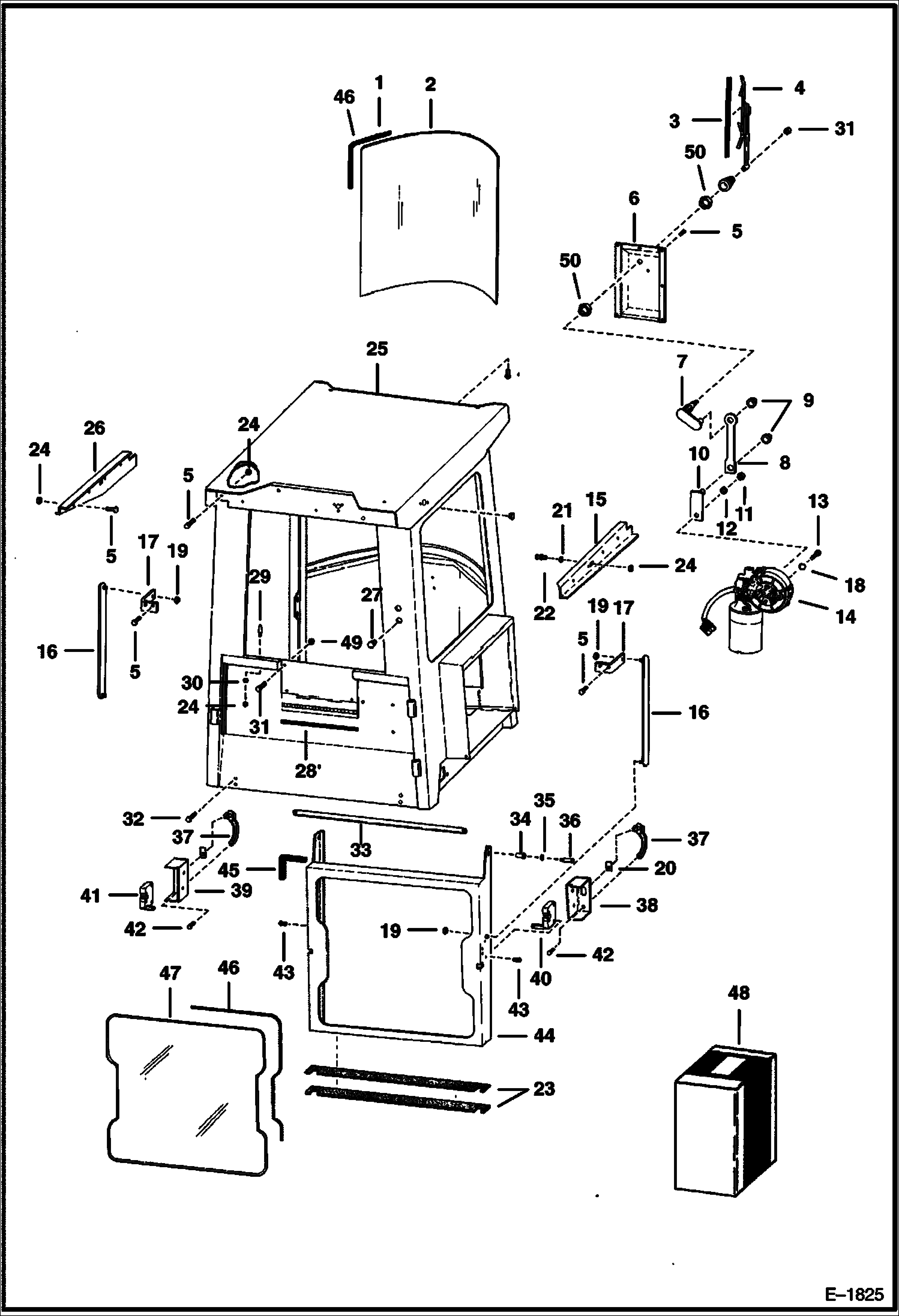
Запчасти Bobcat Articulated Loaders CAB MAIN FRAME

Схема запчастей Bobcat Articulated Loaders - CAB MAIN FRAME
FIT
1:1
100%

Артикул

Название

Примечание

Количество

1

6514301

SEAL bulk - Sold Per Foot - For Lexan Windshields

2

6532101

WINDSHIELD See BTI284 Lexan

2

WINDSHIELD See BTI284 NLA - Glass - Order 6532101 & 14 feet of Ref. 1 - Was 6657280 - A

3

6648371

WIPER BLADE 500 mm

4

6648370

WIPER ARM 600 mm

5

6532045

BOLT

6

6532062

COVER wiper

7

6648374

PIVOT SHAFT

8

LINK ASSY. NLA - W/Ref. 9 - Was 6652936 - A

9

6648372

CLIP

10

6648376

MOTOR CRANK

11

NUT NLA - Was 6648377 - A

12

6648378

WASHER

13

4CM618

BOLT Was 6648379 - A

14

6648380

MOTOR wiper

15

6532315

TRACK R.H.

16

6536903

ARM Was 6532050 - A

17

6537759

BRACKET Was 6532054 - A

18

11EM60

WASHER

19

85D8

NUT, 5

20

6531838

PLATE

21

25E20

WASHER

22

6649483

STRIKER BOLT

23

6532115

SEAL

24

85D5

NUT 5

25

6535288

CAB Was SALES

26

6532316

TRACK L.H.

27

5289686

PLUG black - 0.38'' dia hole

28

6512686

MOULDING bulk - sold per foot - Was 6620417 - A

29

6532102

PIN

30

25E15

WASHER

31

17C612

BOLT 5

32

17C608

BOLT

33

6531879

ROD

34

ROLLER NLA - nylon - Was 6532133 - A

35

25E17

WASHER 5

36

38C624

BOLT 5 Was 6564599 - B

37

HANDLE NLA - Was 6648439 - A

38

6532074

COVER

39

6532076

COVER

40

6649947

CAM LATCH

41

6649946

CAM LATCH

42

13GM6010

SCREW Was 6532170 - A

43

6532045

BOLT

44

6539151

WINDOW frame - Was 6532068 - A

45

6648401

SEAL

46

569694

STRIP/FT bulk - Sold Per Foot - Used with Glass Windshields

47

6532077

WINDOW

48

6648373

HARDWARE KIT for windshield wiper

49

61D6

NUT 5

50

6673941

NUT

Выбрано товаров: 51