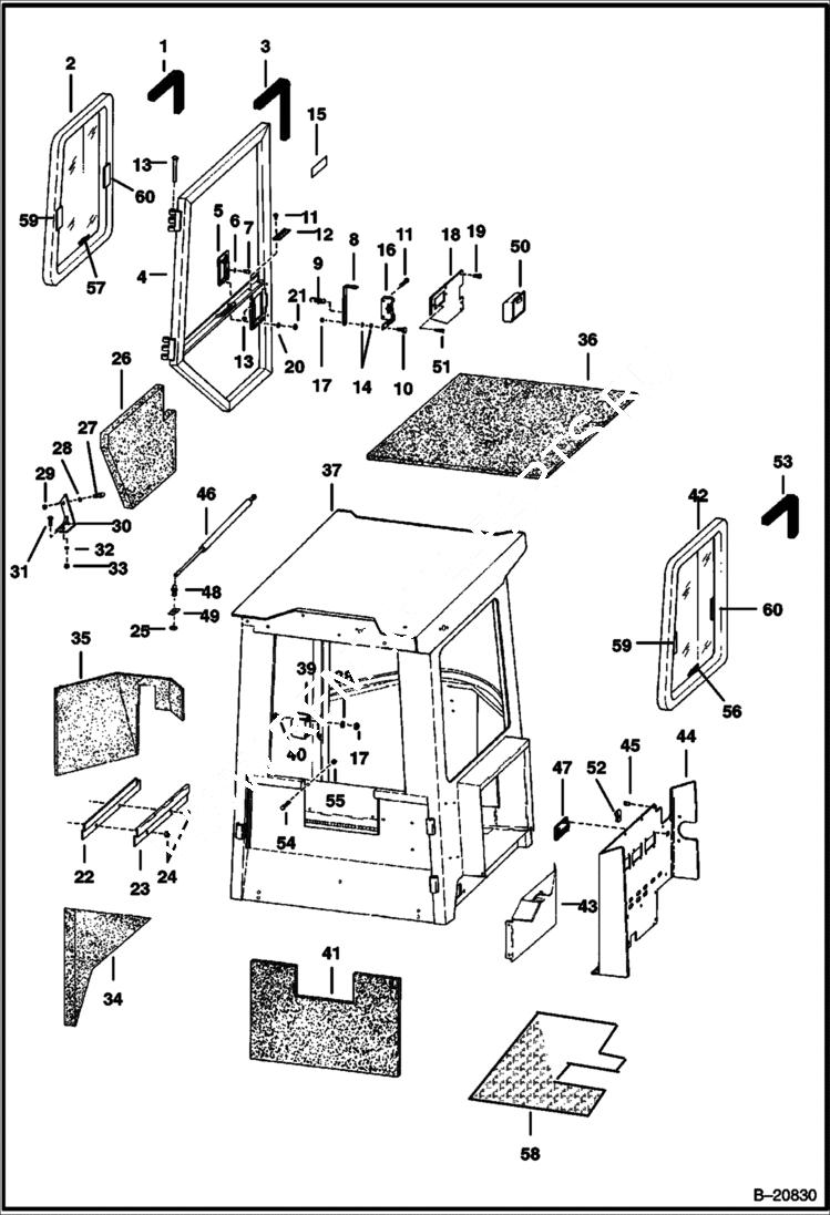
Запчасти Bobcat Articulated Loaders CAB MAIN FRAME

Схема запчастей Bobcat Articulated Loaders - CAB MAIN FRAME
FIT
1:1
100%

Артикул

Название

Примечание

Количество

1

6648405

SEAL bulk - Sold Per Foot

2

6653547

WINDOW L.H. - Was 6648419 - A

3

6648405

SEAL bulk - Sold Per Foot

4

6532041

DOOR

5

6648421

LATCH

5

6650682

KEY LL22

6

6648418

WASHER Was 6532112

7

6532167

BOLT

8

6532047

LATCH inside release

9

6648412

SPRING

10

38C606

BOLT shoulder - Was 6534900 - A

11

6532045

BOLT

12

6532046

PLATE

13

6534314

HINGE PIN Was 6532113 - A

14

6648414

WASHER

15

6583848

DECAL door latch

16

6648417

LATCH

17

85D5

NUT 5

18

6532049

COVER door latch

19

6706517

SCREW Was 6579119 - A

20

4E4

WASHER

21

61D4

NUT 5

22

6532107

PROTECTOR seal

23

6532106

DOOR SEAL

24

85D8

NUT, 5

25

62D6

NUT 5

26

DOOR CARPET NLA - Was 6532048 - A

27

6733616

BUMPER Was 6649040 - A

28

25E17

WASHER 5

29

85D5

NUT 5

30

6531842

BRACKET

31

17C624

BOLT 5

32

23E6

WASHER

33

85D6

NUT, 5

34

6532555

CARPET lower - L.H.

35

6532103

CARPET front panel

36

CARPET NLA - headliner - Was 6538504 - A

37

6535288

CAB Was 6535280 - D

38

25E15

WASHER

39

6532058

STRIKER

40

25G512

SCREW

41

CARPET NLA - rear - Was 6532104 - A

42

6653548

WINDOW R.H. - Was 6648367 - A

43

6583702

PANEL throttle

44

CONSOLE NLA - W/Ref. 45 & 47 - Order piece parts (4) 6650255, (3) 6648432 & (1) 6531878 - Was 6532066 - A

45

25G510

BOLT

46

6646495

CYLINDER gas

47

LOUVER NLA - Was 6648432 - A

48

6586162

BALL STUD

49

6650255

NUT

50

ASH TRAY NLA - Was 6649945 - A

51

57G612

BOLT

52

6650255

NUT Was 6646598 - B

53

6514301

SEAL bulk - Sold Per Foot - Was 6514031 - D

54

17C612

BOLT 5

55

61D6

NUT 5

56

6660851

KNOB R.H.

57

6660850

KNOB L.H.

58

6583742

FLOORMAT

59

6659959

LATCH

60

6659958

LATCH

Выбрано товаров: 61