Качественные детали и логистика
Оригинальные и аналоговые запчасти с доставкой по России, Казахстану и Беларуси
©2022 PartSell ООО "Система" ИНН 2463123282 ОГРН 1212400004838
Центральный офис: г. Красноярск, Академика Киренского, д.87, пом.4
Телефон: 8 (800) 777-65-74 Email: zakaz@partsell.ru
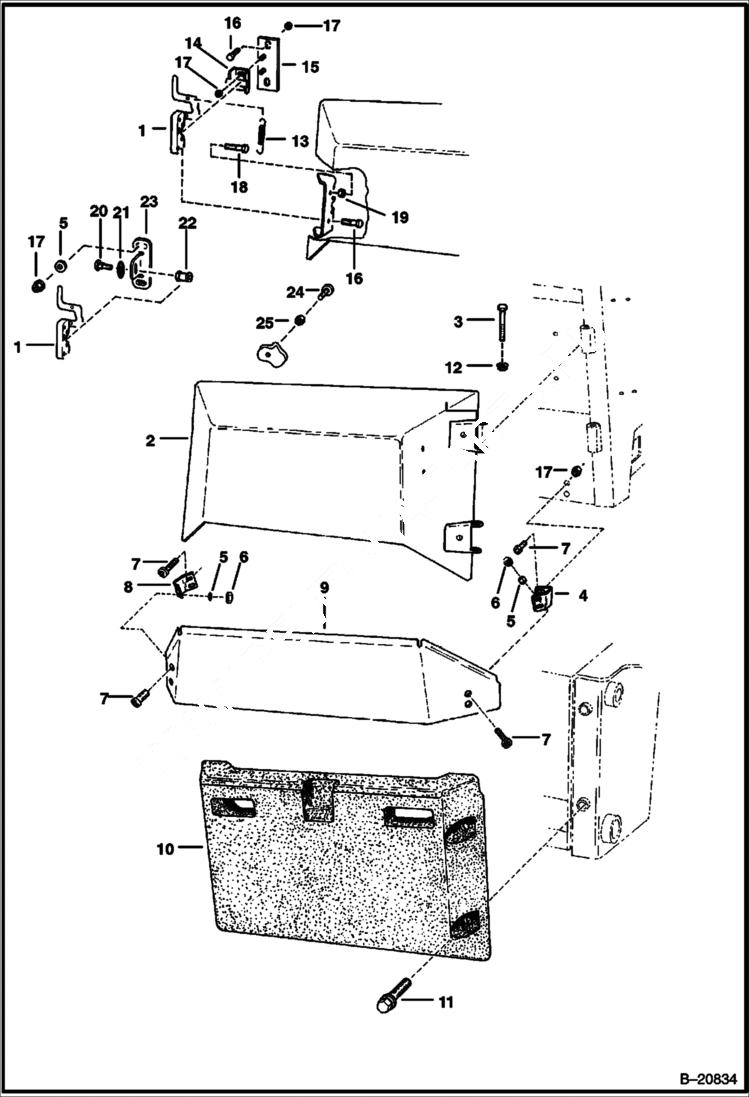
TAILGATE GROUP
№
Артикул
Название
Примечание
Количество
1
6649420
LATCH, REAR DOOR
2
REAR DOOR Ref 5 NLA - Order 6538545, (2) Ref. 5, (2) Ref. 17 & Ref. 20-25 - Was 6532166 - A
6538545
REAR DOOR
3
17C864
BOLT
4
6532181
BRACKET R.H.
5
25E17
WASHER 5
6
61D6
NUT 5
7
35C616
BOLT 5
8
6532182
BRACKET L.H.
9
6532180
COVER
10
WEIGHT SALES - counter - Optional
11
35C1240
12
83D8
13
6563128
SPRING
14
6579969
STRIKER ASSY. Striker - Was 6577397 - A
15
6532132
PLATE
16
35C416
17
57D6
18
17C424
19
61D4
20
37C612
21
1EM120
WASHER
22
6659950
STRIKER
23
6538543
24
6655399
BUMPER
25
61D5
NUT
Выбрано товаров: 0