Запчасти Bobcat Articulated Loaders HYDROSTATIC DRIVE CONTROLS HYDROSTATIC SYSTEM

Схема запчастей Bobcat Articulated Loaders - HYDROSTATIC DRIVE CONTROLS HYDROSTATIC SYSTEM
FIT
1:1
100%

Артикул

Название

Примечание

Количество

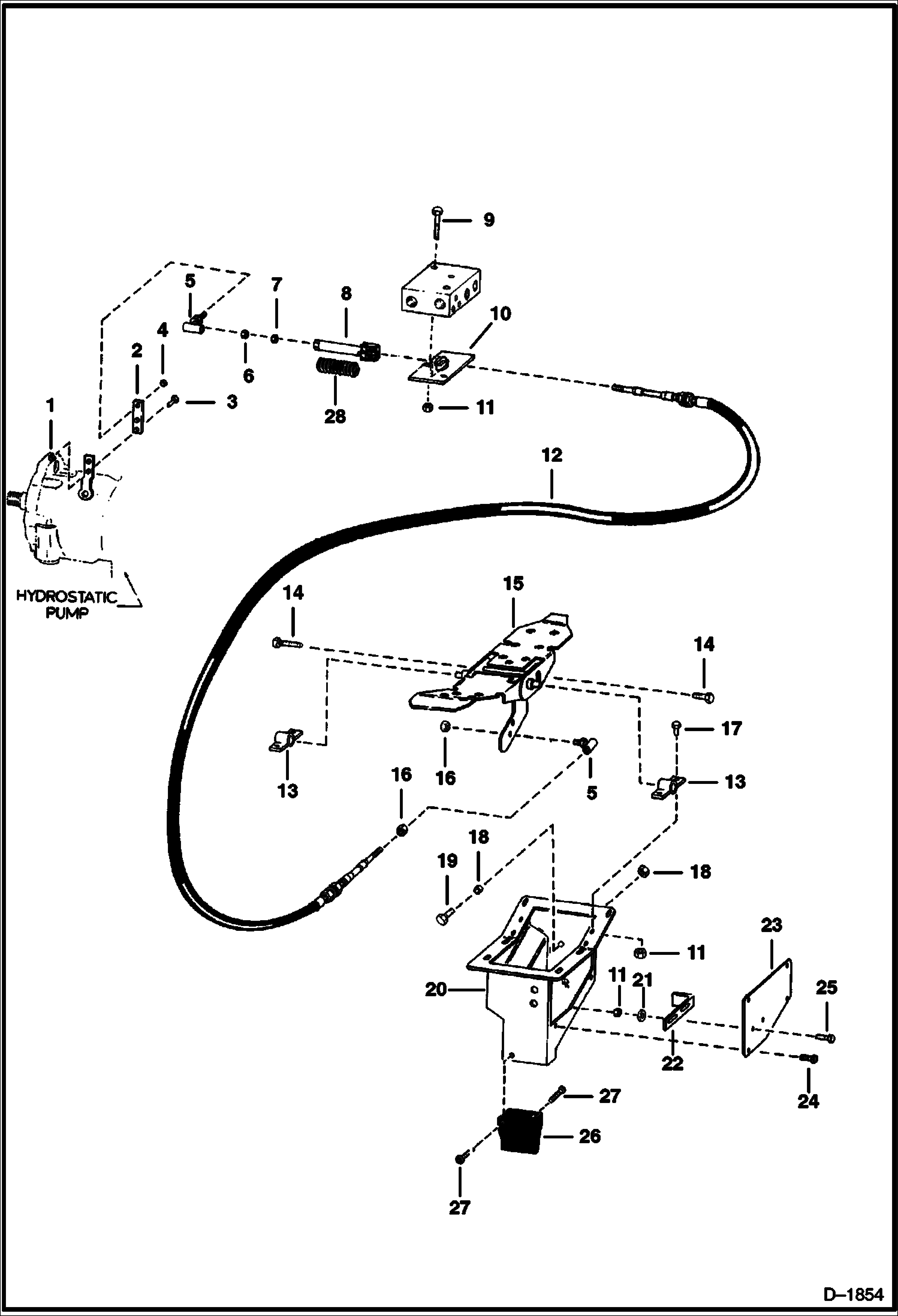
1

85D5

NUT 5

2

6585996

LEVER

3

17C520

BOLT 5

4

86D4

NUT

5

6631036

JOINT

6

14D10

NUT

7

8D4

NUT

8

6646566

SPRING centering - Hydroback - W/Ref. 28

9

17C544

BOLT

10

6585995

BRACKET

11

61D5

NUT

12

6646568

CABLE

13

6646586

BEARING

14

84G3710

SCREW

15

6532580

PEDAL

16

62D4

NUT

17

17C510

BOLT

18

7D6

NUT

19

17C624

BOLT 5

20

6585878

BOOT

21

25E16

WSHR

22

6585885

ANGLE

23

6585884

COVER

24

84G3110

SCREW

25

17C512

BOLT 5

26

6583726

BOOT

27

25G510

BOLT

28

SPRING NSS - Order Ref. 8

Выбрано товаров: 28