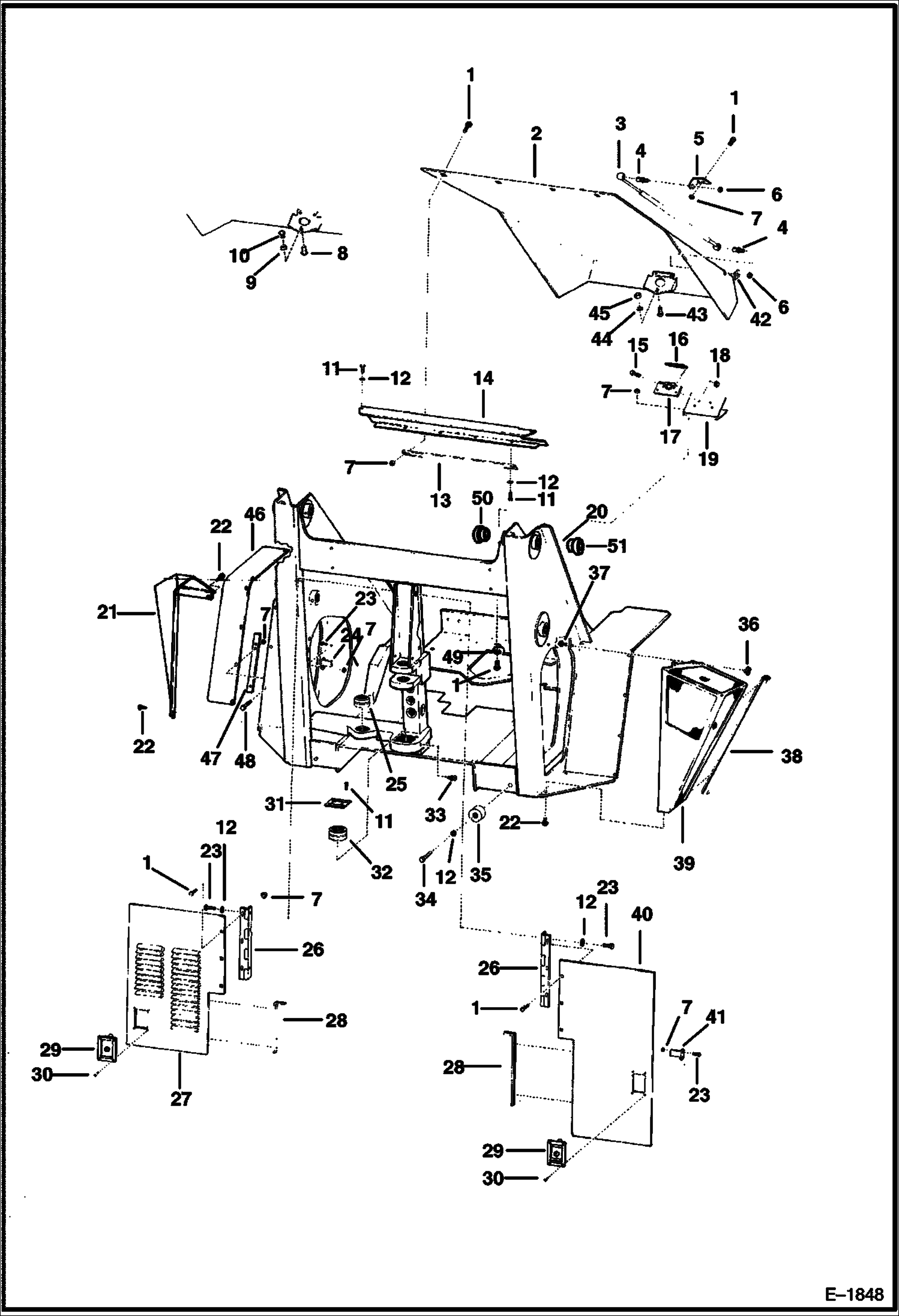
Запчасти Bobcat Articulated Loaders FRONT FRAME MAIN FRAME

Схема запчастей Bobcat Articulated Loaders - FRONT FRAME MAIN FRAME
FIT
1:1
100%

Артикул

Название

Примечание

Количество

1

6586073

BOLT

2

6583838

HOOD

3

6659531

GAS SPRING Change in pairs-Was 6647673 - A

4

6586162

BALL STUD

5

6583753

BRACKET

6

62D6

NUT 5

7

57D6

NUT 5

8

6568047

NUT Striker

9

25E21

WASHER 5

10

17C712

BOLT

11

17C616

BOLT 5

12

25E17

WASHER 5

13

6583785

HINGE

14

6583874

COVER

15

17C420

BOLT

16

6610077

SPRING

17

6649543

LATCH Was 6646597 - B

18

85D4

NUT 5

19

6586068

BRACKET

20

6585685

FRAME

21

6586160

COVER hydraulic reservoir

22

84G3712

BOLT 5

23

17C612

BOLT 5

24

6585748

STRIKER L.H.

25

6645263

BUSHING

26

6585990

HINGE

27

6585989

ACCESS PANEL L.H.

28

6630422

MOLDING bulk - Sold Per Foot

29

LATCH NLA - Was 6641356 - A

29

6650681

KEY LL16

29

6650683

KEY LL24

30

6598681

RIVET

31

6583703

BRACKET

32

6651637

BEARING self aligning - Was 6641277 - B

33

10H25

FITTING, GREASE 5

34

17C632

BOLT 5

35

6585808

STOP

36

6647668

KNOB

37

84G3724

BOLT Was 84G003720B - B

38

6513152

SEAL bulk - sold per foot

39

6586211

SCREEN Was 6535725 - A

40

6585988

ACCESS PANEL R.H.

41

6585747

STRIKER R.H.

42

6706520

RING Was 6646598 - A

43

6649483

STRIKER BOLT

44

25E20

WASHER

45

61D7

NUT

46

6583812

MUD GUARD See Illustration TIRES & RIMS/ B20815 OPTIONAL

47

6583813

STRAP See Illustration TIRES & RIMS/ B20815 OPTIONAL

48

25G620

SCREW See Illustration TIRES & RIMS/ B20815 OPTIONAL

49

25E18

WASHER

50

BUSHING Was 6529469 - A

51

6565862

BUSHING

Выбрано товаров: 53