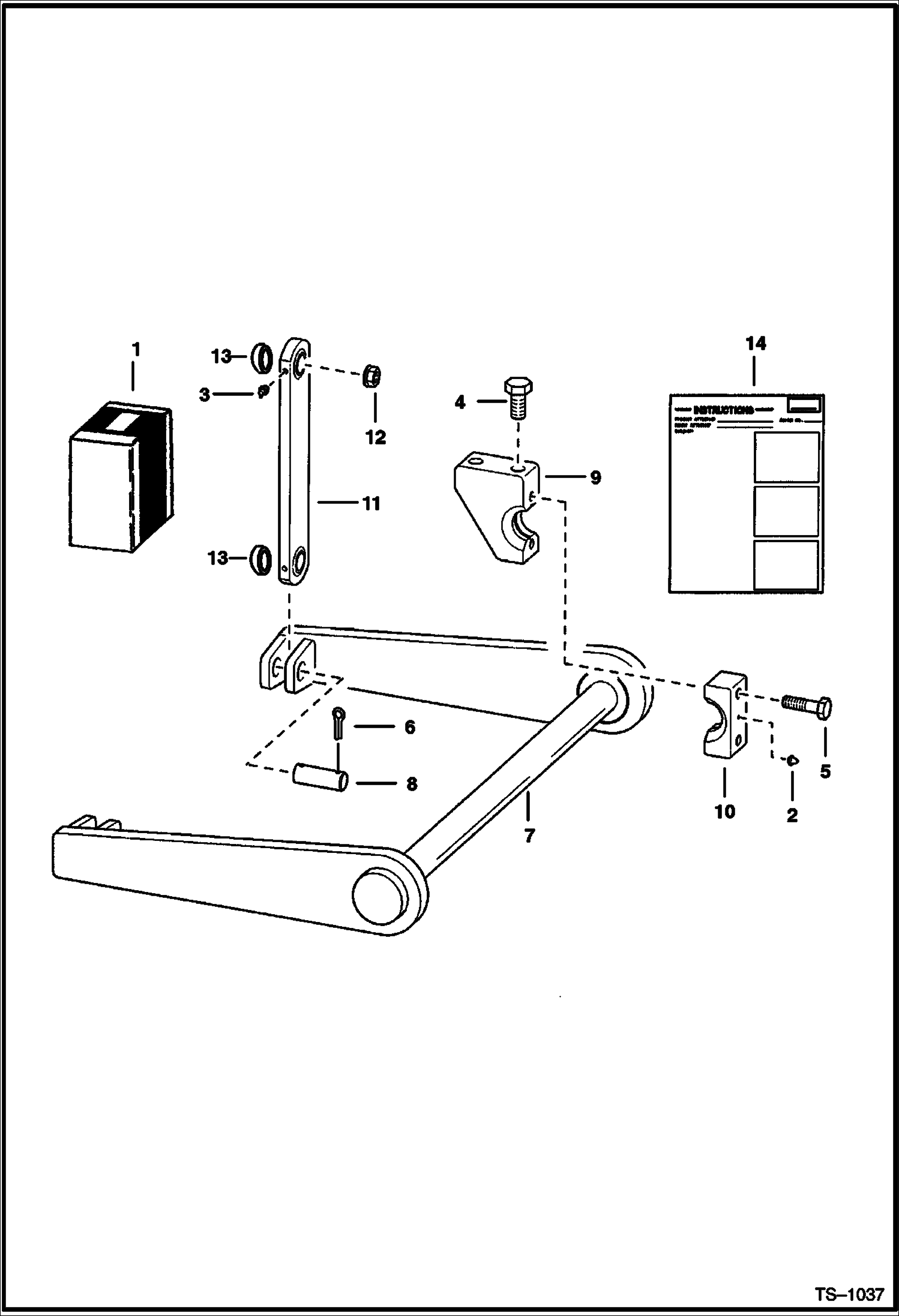
Запчасти Bobcat Articulated Loaders TORSION BAR KIT (S/N 11446 & Above) ACCESSORIES & OPTIONS

Схема запчастей Bobcat Articulated Loaders - TORSION BAR KIT (S/N 11446 & Above) ACCESSORIES & OPTIONS
FIT
1:1
100%

Артикул

Название

Примечание

Количество

1

KIT NLA - Ref. 2-14 - Was SALES

2

10H25

FITTING, GREASE 5

3

12H25

FITTING

4

17C1220

BOLT

5

17C832

BOLT

6

1F620

PIN COTTE

7

6532743

TORSION BAR

8

6532750

PIN

9

6532751

MOUNT

10

6532752

CAP

11

6532971

LINK W/Ref. 13

12

83D10

NUT 5

13

665199

BEARING

14

6720270

INSTRUCTIONS

Выбрано товаров: 14