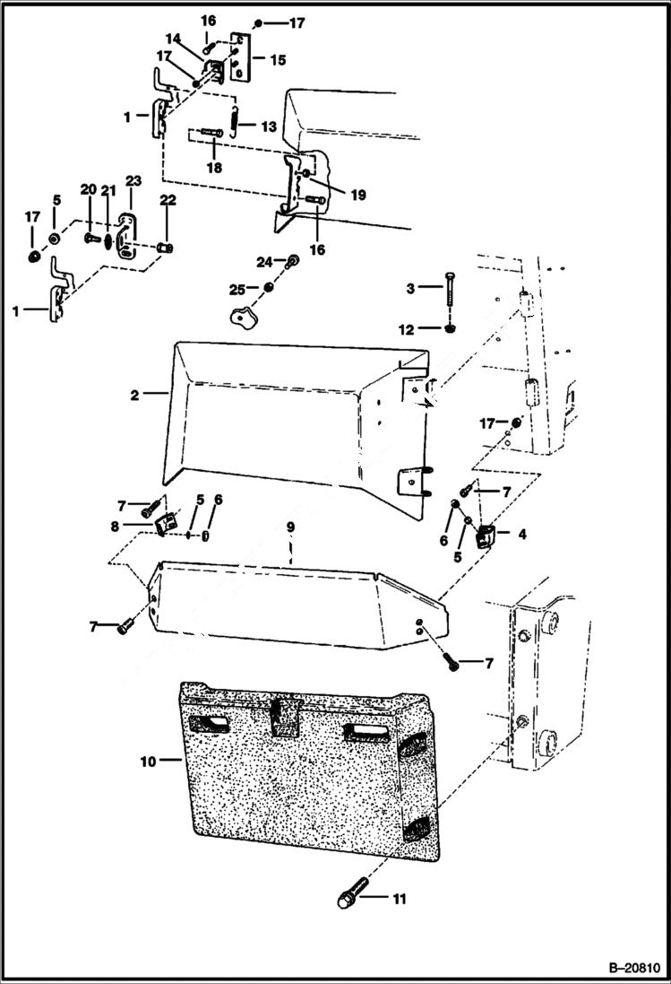
Запчасти Bobcat Articulated Loaders TAILGATE GROUP (S/N 11267 & Above) MAIN FRAME

Схема запчастей Bobcat Articulated Loaders - TAILGATE GROUP (S/N 11267 & Above) MAIN FRAME
FIT
1:1
100%

Артикул

Название

Примечание

Количество

1

6649420

LATCH, REAR DOOR

2

REAR DOOR NLA - ORDER 6538545 , QTY. 2 OF Ref. 5 , QTY. 2 OF Ref. 17 & REF. 20-25 - WAS 6532166 - A

2

6538545

REAR DOOR

3

17C864

BOLT

4

6532181

BRACKET R.H.

5

25E17

WASHER 5

6

61D6

NUT 5

7

35C616

BOLT 5

8

6532182

BRACKET L.H.

9

6532180

COVER

10

WEIGHT SALES - counter - Optional

11

35C1240

BOLT

12

83D8

NUT 5

13

6563128

SPRING

14

6579969

STRIKER ASSY. Striker - Was 6577397 - A

15

6532132

PLATE

16

35C416

BOLT

17

57D6

NUT 5

18

17C424

BOLT

19

61D4

NUT 5

20

37C612

BOLT

21

1EM120

WASHER

22

6659950

STRIKER

23

6538543

PLATE

24

6655399

BUMPER

25

61D5

NUT

Выбрано товаров: 26