Запчасти Bobcat Articulated Loaders FRAME ELECTRICAL ELECTRICAL SYSTEM

Схема запчастей Bobcat Articulated Loaders - FRAME ELECTRICAL ELECTRICAL SYSTEM
FIT
1:1
100%

Артикул

Название

Примечание

Количество

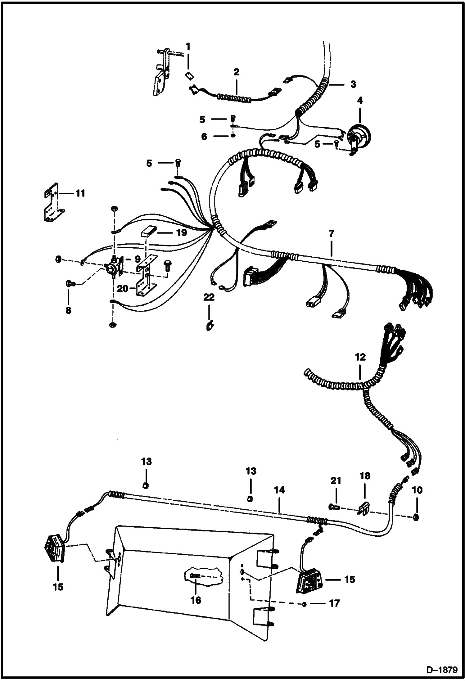
1

6586117

PLATE

2

6531159

HARNESS Includes 6631898 Switch - Also Order 6631749 Hardware Kit

2

6631898

SWITCH Also Order 6631749 Hardware Kit

2

6631749

HARDWARE KIT Includes screws, washers, nuts and leaf switch

3

6585595

HARNESS 2-Speed Switch

4

6665558

HORN Was 6630931 - A

5

84G3712

BOLT 5

6

85D6

NUT, 5 Was 61D000006B

7

6531576

HARNESS frame

7

6534532

HARNESS frame

8

17C410

BOLT 10

9

6659319

SOLENOID magnetic - Was 6632186 - A

10

61D5

NUT

11

6586118

BRACKET

12

6583644

HARNESS Instrument panel

12

6531742

HARNESS Instrument panel

12

6534533

HARNESS instrument panel

13

6640704

CLAMP

14

6585599

HARNESS tail light

15

6646837

TAIL LIGHT

15

6651668

LENS tail light

15

6513468

BULB Was 6655433 - A

15

6655434

SOCKET

16

45G1012

SCREW

17

12D10

NUT

18

30H30

CLAMP

19

HOLDER NLA - Was 6649124 - A

20

6586242

BRACKET

21

25G510

BOLT

22

6654803

FUSE 5A

22

6654804

FUSE 7.5 Amp.

22

6654805

FUSE 10A Was 6961388 - A

22

6654806

FUSE, 15A

22

6625575

FUSE, 20A

22

6702444

FUSE 25A 5 Was 6654807 - A

22

6625597

FUSE 30 Amp.

Выбрано товаров: 36