Качественные детали и логистика
Оригинальные и аналоговые запчасти с доставкой по России, Казахстану и Беларуси
©2022 PartSell ООО "Система" ИНН 2463123282 ОГРН 1212400004838
Центральный офис: г. Красноярск, Академика Киренского, д.87, пом.4
Телефон: 8 (800) 777-65-74 Email: zakaz@partsell.ru
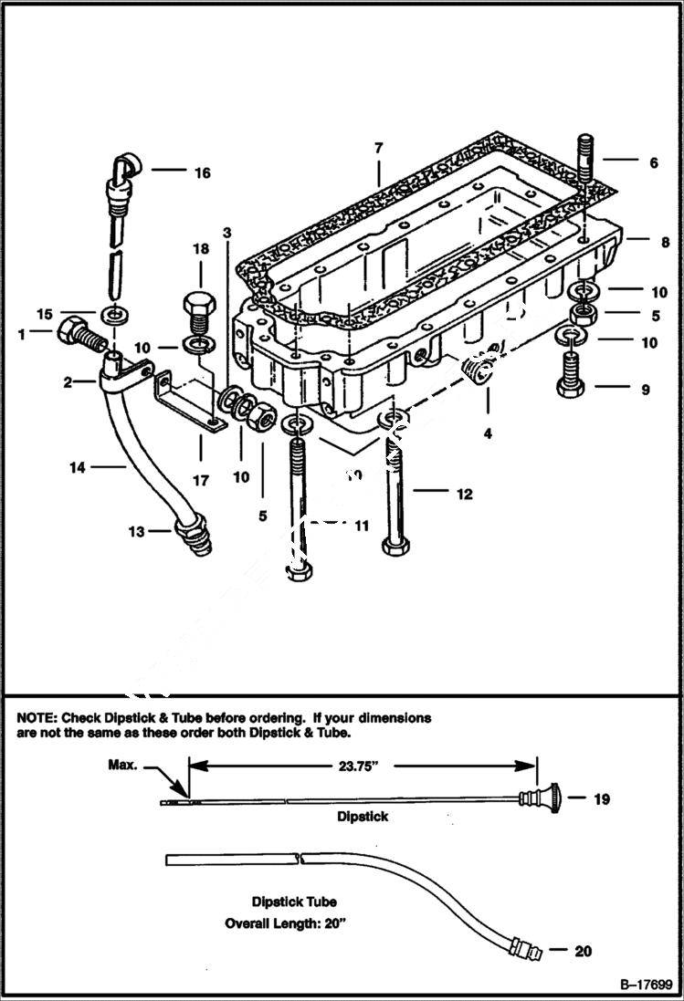
OIL PAN
№
Артикул
Название
Примечание
Количество
1
18C512
BOLT
2
6H31
CLIP
3
3725700
WASHER
4
16F8
PLUG
5
10D5
NUT
6
STUD NLA - Was 6634223 - A
7
3727656
GSKT Was 6633126 - A
GSKT Was 6662042 - A
8
6632538
9
18C514
10
4E5
11
6649444
BOLT Was 18C000572B - A
12
18C552
13
3490066
14
TUBE NLA - Dipstick - 21.50 - Order Ref. 19 & 20 - Was 6515731 - A
15
3725516
WSHR dipstick seal
16
DIPSTICK NLA - 23.8125 - Order Ref. 19 & 20 - Was 6632539 - A
17
3737945
BRACKET
18
18C508
19
6668829
DIPSTICK 23.75
20
6668830
TUBE dipstick - 20
Выбрано товаров: 0