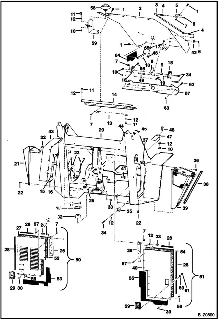
Запчасти Bobcat Articulated Loaders FRONT FRAME MAIN FRAME

Схема запчастей Bobcat Articulated Loaders - FRONT FRAME MAIN FRAME
FIT
1:1
100%

Артикул

Название

Примечание

Количество

1

6586073

BOLT

2

6539936

HOOD

3

6659531

GAS SPRING

4

6586162

BALL STUD

5

6583753

BRACKET

6

86D6

NUT

7

89D6

NUT Was 57D000006B - B

8

6534948

LATCH

9

6534949

BUSHING

10

85D6

NUT, 5

11

17C616

BOLT 5

12

25E17

WASHER 5

13

6583785

HINGE

14

6539941

COVER

15

6583813

STRAP Optional

16

25G620

SCREW Optional

17

61D5

NUT

18

6537343

BRACKET

19

SPRING NLA - Was 6644958 - A

20

6539938

FRAME

21

6586160

COVER hydraulic reservoir

22

84G3712

BOLT 5

23

17C612

BOLT 5

24

6534971

STRIKER L.H.

25

6645263

BUSHING

26

6585990

HINGE

27

6534919

ACCESS PANEL L.H.

28

6630422

MOLDING bulk - Sold Per Foot

29

6648357

LATCH

29

6660593

LATCH locking

30

6598681

RIVET

31

6583703

BRACKET

32

6651637

BEARING self aligning

33

10H25

FITTING, GREASE 5

34

17C632

BOLT 5

35

6585808

STOP

36

6647668

KNOB

37

84G3724

BOLT

38

6513152

SEAL bulk - sold per foot

39

6586211

SCREEN

40

6534920

ACCESS PANEL R.H.

41

6534972

STRIKER R.H.

42

6706520

RING Was 6646598 - A

43

6532176

EXTENSION R.H. - Optional

43

6532177

EXTENSION L.H. - Optional

44

BUSHING Was 6529469 - A

45

6565862

BUSHING

46

17C620

BOLT

47

6531726

SHIELD

48

6655399

BUMPER

49

14J3148

PIN

50

6535736

PANEL ASSY W/Ref. 27, 28, & 29

51

6535737

PANEL ASSY W/Ref. 28, 29, & 40

52

6534968

INSULATION L.H.

53

6534921

FLAP L.H. - Optional - not included W/Ref. 50

54

INSULATION NLA - R.H. - Was 6534969 - A

55

6534922

FLAP R.H. - Optional - not included W/Ref. 51

56

25E13

WASHER 5

57

6537906

BUMPER

58

6656020

RAIN CAP

59

6536621

INTAKE PIPE

60

4E4

WASHER

61

61D4

NUT 5

62

35C820

BOLT Was 17C000824B - B

63

85D8

NUT, 5

64

6534927

FLAP

65

6534974

STRAP

66

37C616

BOLT Was 37C000624B - B

67

7C612

BOLT

Выбрано товаров: 69