Запчасти Bobcat Articulated Loaders GEAR PUMP (Double) HYDROSTATIC SYSTEM

Схема запчастей Bobcat Articulated Loaders - GEAR PUMP (Double) HYDROSTATIC SYSTEM
FIT
1:1
100%

Артикул

Название

Примечание

Количество

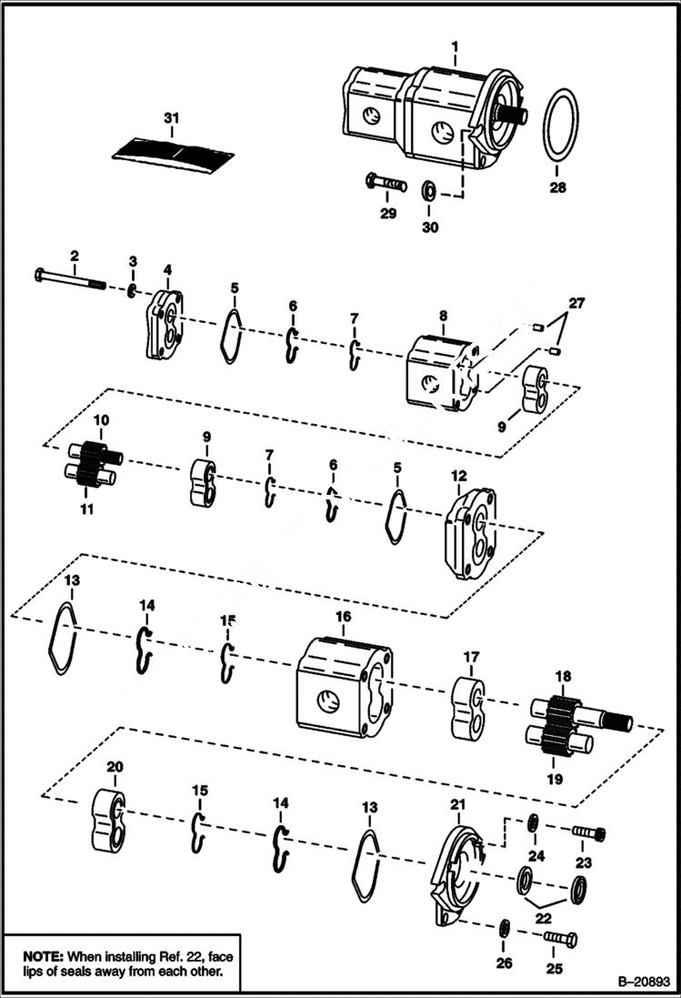
1

6665552

PUMP double - Ref. 2 - 27 - Was 6660378 - A

2

BOLT NSS

3

WASHER NSS

4

COVER NLA - Was 6660595 - A

5

O-RING NSS - seal

6

SEAL NSS

7

RING NSS

8

BODY NSS

9

BEARING NSS

10

GEAR NSS - drive

11

GEAR NSS

12

COVER NSS

13

O-RING NSS - seal

14

SEAL NSS

15

RING NSS

16

BODY NSS

17

BEARING NSS

18

GEAR NSS - drive

19

GEAR NSS - idler

20

BEARING NSS - Was 6658118 - A

21

COVER NSS

22

SEAL NSS

23

BOLT NSS

24

SEAL NSS

25

BOLT NSS

26

WASHER NSS

27

DOWEL NSS

28

6660339

GASKET Between gear pump & hyd. pump

29

6650679

BOLT

30

6662974

WASHER

31

6660596

SEAL KIT Ref. 5 - 7, 13 - 15, 22 & 24 - W/.787'' ID seal

31

6666835

SEAL KIT Ref. 5 - 7, 13 - 15, 22 & 24 - W/.875(22.23mm) ID seal

Выбрано товаров: 32