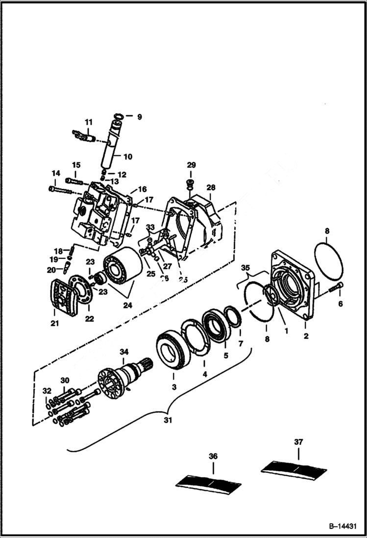
Запчасти Bobcat Articulated Loaders HYDROSTATIC MOTOR (Sundstrand - Housing Group) HYDROSTATIC SYSTEM

Схема запчастей Bobcat Articulated Loaders - HYDROSTATIC MOTOR (Sundstrand - Housing Group) HYDROSTATIC SYSTEM
FIT
1:1
100%

Артикул

Название

Примечание

Количество

1

6664553

SEAL Was 6661471 - A

2

6664597

FLANGE Was 6661470 - A

3

BEARING NSS - Order Ref. 31 - Was 6661468 - A

4

SPACER NSS - Order Ref. 31 - Was 6661469 - A

5

BEARING NSS - Order Ref. 31 - Was 6661467 - A

6

6661473

BOLT

7

NUT NSS - Order Ref. 31 - Was 6661472 - A

8

6661460

O-RING

9

RING NLA - Was 6661475 - A

10

6661476

PISTON

11

6661477

LEVER

12

6661478

SET SCREW Center point

13

6661479

SET SCREW Flat point

14

6661486

BOLT

15

6661487

BOLT

16

6661491

GASKET

17

6518460

PIN

18

6661724

SET SCREW

19

6661511

NUT

20

6661512

CAP

21

6661458

VALVE SEGMENT

22

6661462

PLATE

23

6661463

PIN

24

6661461

BLOCK ASSY

25

PIN NSS - Order Ref. 33 - Was 6661464 - A

26

ROLLER NSS - Order Ref. 33 - Was 6661465 - A

27

SHAFT NSS - Order Ref. 33 - Was 6661466 - A

28

6661459

HOUSING

29

47K8

PLUG

30

PISTON ASSY NSS - Order Ref. 31 - Was 6661501 - A

31

6661500

SHAFT ASSY. W/Ref. 3 - 5, 7, 30, 32 & 34

32

6662774

PISTON RING KIT

33

6662776

SHAFT ASSY W/Ref. 25-27

34

SHAFT NSS - Order Ref. 31

35

6662775

SEAL KIT Front - W/Ref. 1 & 8

36

6662778

SEAL KIT E5 control - W/ (2) Ref. 11, (1) Ref. 28 & (2) Ref. 29 on Ill. B14430

37

6664384

SEAL KIT End Cap - Ref. 9, 16 & Ref. 3, 5, 11, 15, 19 & 24 on Ill. B14430

37

6664386

SEAL KIT Control - Ref. 11, 28, 29 & 41 on Ill. B14430

Выбрано товаров: 38