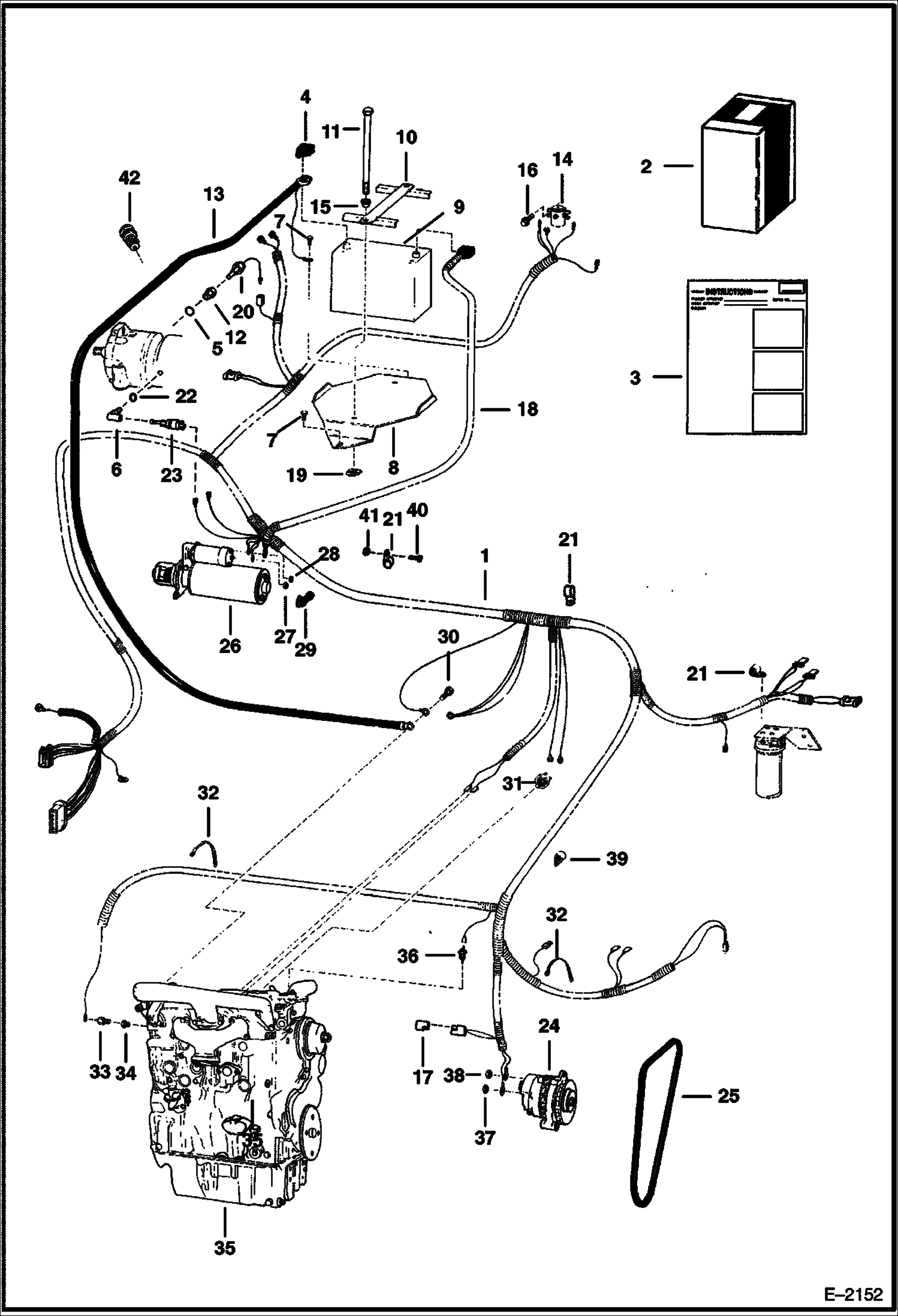
Запчасти Bobcat Articulated Loaders ENGINE ELECTRICAL ELECTRICAL SYSTEM

Схема запчастей Bobcat Articulated Loaders - ENGINE ELECTRICAL ELECTRICAL SYSTEM
FIT
1:1
100%

Артикул

Название

Примечание

Количество

1

6587396

HARNESS engine

2

6660084

FUSE KIT See Illustration MASTER FUSE KIT/ B13319 W/REF. 3

3

6720883

INSTRUCTIONS For Ref. 2 fuse kit

4

6599652

BOOT

5

79K12

O RING 10

6

6588990

REDUCER Was 6587399 - A

7

84G3712

BOLT 5

8

6534695

BATTERY PAN

9

6665427

BATTERY, DRY 950 AMP Was 6641343 - A

10

6536602

CLAMP

11

6569623

BOLT

12

6587398

ADAPTER

13

6586096

CABLE Negative

14

6659319

SOLENOID

15

6655819

BUSHING

16

84G2508

BOLT

17

6567537

DIODE

18

6538622

CABLE positive

19

6650255

NUT

20

6657082

SWITCH 230 degrees F temperature

21

30H49

CLAMP

22

79K6

O RING 10

23

6664440

SWITCH 100 degrees F temperature - Was 6657724 - A

24

ALTERNATOR See Illustration ALTERNATOR/ B12420

25

6646841

BELT Alternator

26

STARTER See Illustration STARTER/ D2119

27

4DM5

NUT

28

4DM10

NUT

29

6632453

BOOT

30

BOLT NLA - Was 2C000716B - A

31

6515472

SWITCH oil pressure

32

6610510

TIE

33

6658818

SENDER eng temp - threaded connector

34

19F4

BUSHING

35

ENGINE See Illustration PERKINS DIESEL ENGINE/ B20804

36

6632633

SWITCH hyd temp - Was 6598384 - B

37

61D4

NUT 5

38

12D10

NUT

39

30H58

CLIP

40

17C512

BOLT 5

41

61D5

NUT

42

6664480

SWITCH neutral start

Выбрано товаров: 42