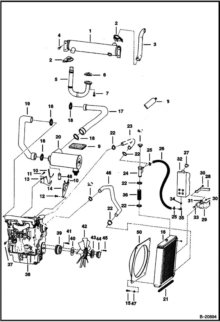
Запчасти Bobcat Articulated Loaders ENGINE & ATTACHING PARTS POWER UNIT

Схема запчастей Bobcat Articulated Loaders - ENGINE & ATTACHING PARTS POWER UNIT
FIT
1:1
100%

Артикул

Название

Примечание

Количество

1

6662203

MUFFLER spark arrestor - Was 6656452 - B

2

711215

CLAMP

3

6641331

PIPE exhaust

4

35C616

BOLT 5

5

6641333

TUBE exhaust

6

6505237

GASKET

7

18C616

BOLT 5

8

SEALANT NLA - Exhaust - 3 oz. tube - Was 6658128 - A

9

6531211

FOAM STRIP

10

6513152

SEAL bulk - sold per foot

11

17C508

BOLT Was 18C000508B - B

12

18C520

BOLT

13

6587186

BRACKET

14

6587185

BRACKET

15

17C508

BOLT

16

6661804

RADIATOR Also order 14' of Ref. 21

17

6587873

HOSE air inlet - Was 6587371 - A

18

42H52

CLAMP air hose - Was 942792B - B

19

6587872

HOSE air outlet - Was 6586975 - C

20

7000989

FILTER, AIR CLEANER ASSY See Illustration AIR CLEANER/ B7509 Was 6641315 - A

21

7030243

SEAL, FOAM 1206 mm (47.5'') long - Order as needed - Use on all edges of radiator - Was 6584202 - A

22

42H32

HS CLAMP5 coolant hose - Was 42H000024B - D

23

6585819

HOSE coolant

24

6653725

TEE

25

42HS04

CLAMP, HOSE Was 6515575 - A

26

6577822

HOSE bulk - sold per foot

27

6702797

CAP overflow tank

28

6585852

BRACKET

29

6585853

BRACKET

30

61D5

NUT

31

774220

NUT retainer

32

6567508

TANK overflow

33

10C512

BOLT Was 6553808 - A

34

6553411

BUSHING

35

6553412

ELBOW

36

6585817

HOSE

37

6513679

VALVE

38

ENGINE See Illustration PERKINS DIESEL ENGINE/ B20804

39

6585828

HUB

40

6641313

SHIELD

41

94G732

SCREW

42

6644977

FAN

43

ISOLATOR NLA - fan - Was 6641314 - A

44

6585829

RETAINER fan

45

17C520

BOLT 5

46

6586297

HOSE coolant

47

25E16

WSHR

48

6630366

INDICATOR

49

6666606

RADIATOR CAP Radiator - Was 6630156 - A

50

SHROUD NLA - Was 6533223 - A

Выбрано товаров: 50