Запчасти Bobcat Articulated Loaders FRONT FRAME MAIN FRAME

Схема запчастей Bobcat Articulated Loaders - FRONT FRAME MAIN FRAME
FIT
1:1
100%

Артикул

Название

Примечание

Количество

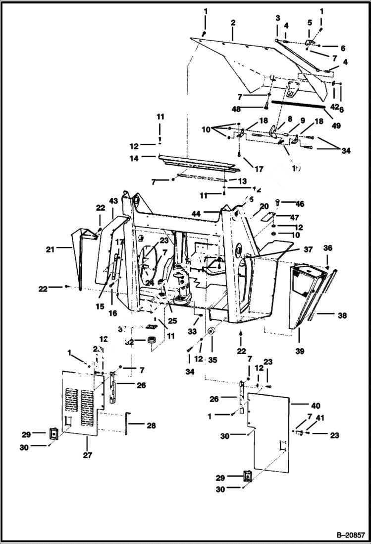
1

6586073

BOLT

2

6539936

HOOD Was 6535870 - A

3

6659531

GAS SPRING Change in pairs-Was 6647673 - A

4

6586162

BALL STUD

5

6583753

BRACKET

6

62D6

NUT 5

7

57D6

NUT 5

8

6534948

LATCH

9

6534949

BUSHING

10

85D6

NUT, 5

11

17C616

BOLT 5

12

25E17

WASHER 5

13

6583785

HINGE

14

6583874

COVER

15

6583813

STRAP See Illustration TIRES & RIMS/ B20815 OPTIONAL

16

25G620

SCREW See Illustration TIRES & RIMS/ B20815 OPTIONAL

17

25E18

WASHER

18

6534947

BRACKET

19

SPRING NLA - Was 6644958 - A

20

FRAME NLA - Was 6535872 - A

21

6586160

COVER hydraulic reservoir

22

84G3712

BOLT 5

23

17C612

BOLT 5

24

6585748

STRIKER L.H.

25

6645263

BUSHING

26

6585990

HINGE

27

6585989

ACCESS PANEL L.H.

28

6630422

MOLDING bulk - Sold Per Foot

29

LATCH NLA - Was 6641356 - A

29

6650681

KEY LL16

29

6650683

KEY LL24

30

6598681

RIVET

31

6583703

BRACKET

32

6651637

BEARING self aligning

33

10H25

FITTING, GREASE 5

34

17C632

BOLT 5

35

6585808

STOP

36

6647668

KNOB

37

84G3724

BOLT

38

6513152

SEAL bulk - sold per foot

39

6586211

SCREEN Was 6535725 - A

40

6585988

ACCESS PANEL R.H.

41

6585747

STRIKER R.H.

42

6706520

RING Was 6646598 - A

43

6583812

MUD GUARD See Illustration TIRES & RIMS/ B20815 OPTIONAL

44

BUSHING Was 6529469 - A

45

6565862

BUSHING

46

17C620

BOLT

47

6531726

SHIELD

48

6655399

BUMPER

49

SEAL NLA - bulk - sold per foot - Was 6632217 - B

Выбрано товаров: 51