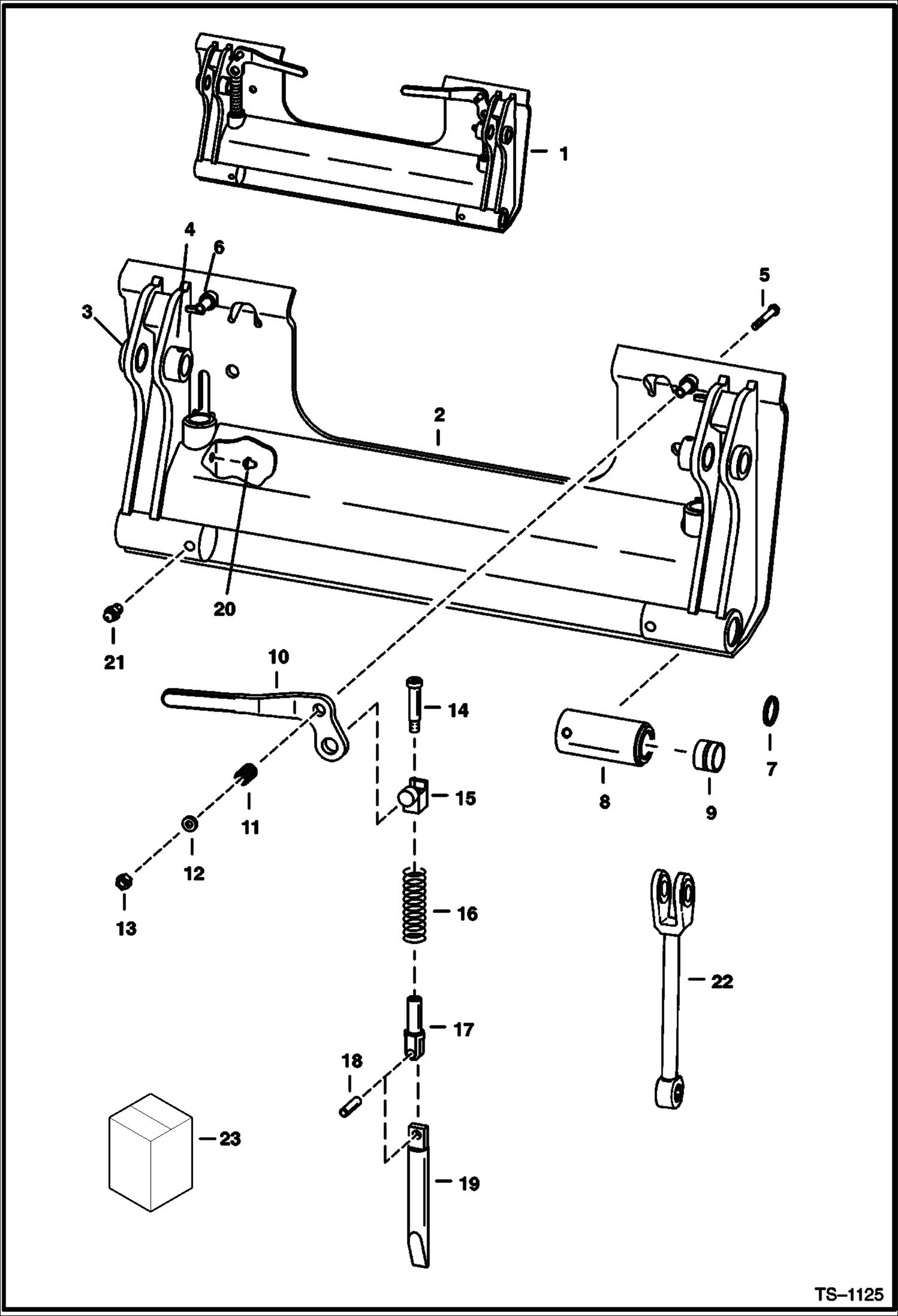
Запчасти Bobcat Articulated Loaders BOB-TACH (S/N 12465 & Above) MAIN FRAME

Схема запчастей Bobcat Articulated Loaders - BOB-TACH (S/N 12465 & Above) MAIN FRAME
FIT
1:1
100%

Артикул

Название

Примечание

Количество

1

6539921

BOB-TACH Ref. 2 - 21 - Also Order (2) 6539922 for S/N 12464 & Below - Also Order (1) 6561383 decal - Was SALES - A

2

FRAME NSS - Order Ref. 1

3

6539230

BUSHING Weld-on

4

6539231

BUSHING Weld-on

5

17C644

BOLT

6

6702958

BUSHING, WELD-ON

7

6631067

SEAL, OIL

8

6539783

BUSHING Weld-on - W/Ref. 9

9

6730997

BUSHING, WELD-ON Press-in - Was 711273B - A

10

6702903

LEVER, BOB-TACH LH

10

6702904

LEVER, BOB-TACH RH

11

6704453

SPRING

12

619021

WASHER, 5 Was 6557831 - B

13

85D6

NUT, 5

14

6728473

BOLT, SHOULDER pre-applied thread locker - Was 38C1036 - A

15

6704240

PIVOT ASSY.

16

6578253

SPRING, COMPRESSION Was 6562018 - A

17

6704248

PIVOT, WEDGE Was 6704284 - D

18

14J5032

PIN, STRAIGHT

19

6737191

WEDGE Was 6704242 - A

20

10H35

FITTING, GREASE 10

21

743332

FITTING, GREASE 5

22

6539922

LINK

Выбрано товаров: 23