Запчасти Bobcat Articulated Loaders DRIVE SYSTEM DRIVE TRAIN

Схема запчастей Bobcat Articulated Loaders - DRIVE SYSTEM DRIVE TRAIN
FIT
1:1
100%

Артикул

Название

Примечание

Количество

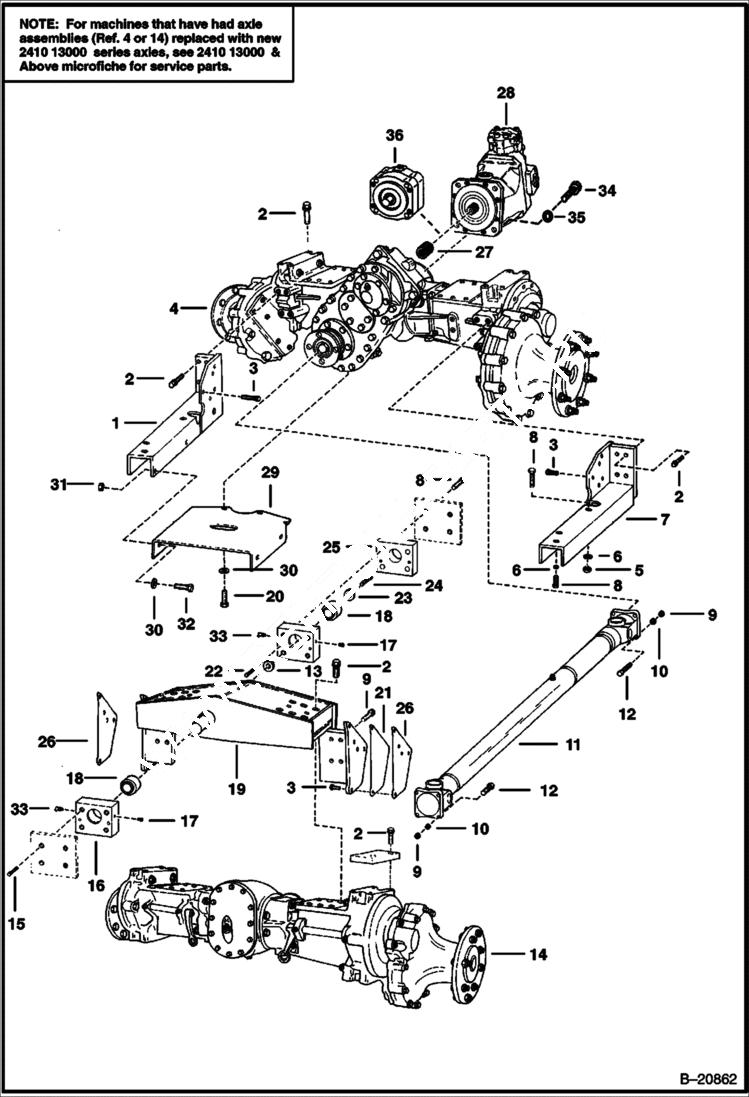
1

6587212

SUPPORT L.H. - Was 6534990 - A

2

6586125

SCREW

3

7CM1440

BOLT

4

AXLE ASSY. See Illustration FRONT AXLE/ B20864 See Illustration FRONT DIFFERENTIAL/ B26307 NLA - front - Was 6532350 - A

4

AXLE ASSY. See Illustration FRONT AXLE/ B20864 See Illustration FRONT DIFFERENTIAL/ B26307 NLA - front - Was 6587252 - A

5

61D12

NUT

6

27E12

WASHER

7

6587213

SUPPORT R.H. - Was 6534991 - A

8

17C1240

BOLT

9

86D7

NUT

10

4E7

WASHER

11

DRIVE SHAFT See Illustration DRIVE SHAFT/ B13492

12

18C720

BOLT

13

6534309

WASHER 2.25'' O.D. x 1.75'' I.D. x .10 Thick

14

AXLE ASSY. See Illustration REAR AXLE/ B20866 See Illustration REAR DIFFERENTIAL/ B20865 NLA - rear - Order 6587257 axle assy - Use yoke from old axle - Was 6532340 - A

15

17C1228

BOLT

16

6585795

BLOCK

17

40K2

PLUG

18

6641335

BEARING self-aligning

19

6539870

MOUNT Also Order Ref. 13 & 23 - Was 6585969 - A

20

1CM1430

BOLT

21

6533266

SHIM 0.02

22

17C632

BOLT 5

23

6534308

WASHER 2'' O.D. x .94'' I.D. x .25'' Thick - Chamfered - Must be installed with chamfer toward bolt head

24

18C1424

BOLT

25

6585794

BLOCK

26

6583739

SHIM

27

6646297

COUPLER

28

MOTOR See Illustration HYDROSTATIC MOTOR/ B20869

29

6531831

AIRSHIELD See BTI247

30

25E22

WASHER

31

85D8

NUT, 5

32

17C820

BOLT

33

12H15

FITTING, GREASE 5

34

3GM12110

SCREW 12mm metric threads

34

73G872

BOLT 1/2'' SAE threads

35

15EM120

WASHER

35

6557929

WASHER

36

BRAKE See Illustration BRAKE/ B20803 See Illustration BRAKE/ B20802

Выбрано товаров: 39